| Автор | Сообщение |
goric
Завсегдатай
Сообщения: 654
|
psu-EAY60912401
main-EAX61366607(0)
logic-EAX61314501
z sus-EAX61420601
y sus-EAX61332701
y drv-EAX61314701
panel-PDP42T1000
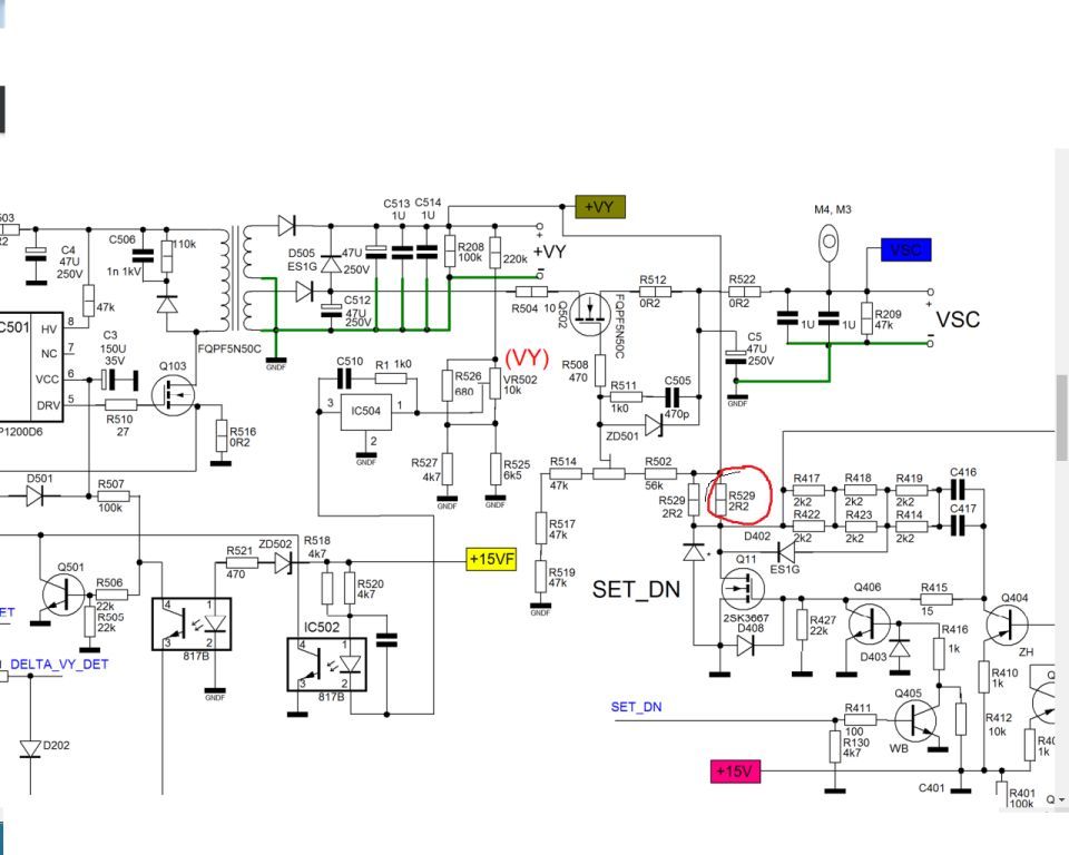
горит резистор 2.2Ом R729, в цепи Q410-K3667 ,регулировка SET_DOWN/ Напряжения 5в, VA-60v, VS205v, VSC-142v, VY-187v, 18в, хотя на плате подписано 15в, но это для этих плат норма. Транзистор заменил, на оригинал с платы, хотя и родной был рабочий, резисторы в обвязке Q41-K3667 проверил и пропаял, злосчастные R424-1kOm R422-100 (Om)махнул не глядя. Y-Z-блок питания, тщательно пропаял, сканы проверил
идет просадка со стороны транса питания VY, , начинает падать напруга , но со стороны полевика она не падает-200в, что рубит резистор
поз номера не совпадают с моей схемой
https://ru.files.fm/u/wcd5t56h8p
IMG_2024=1.jpg 125.29 КБ Скачано: 180 раз(а)
=1.jpg 88.75 КБ Скачано: 335 раз(а)
|
|
semvictor
Фанат форума
Сообщения: 3099
|
| goric, Диод проверил(шунтирует Q11) на твоей схеме? |
|
goric
Завсегдатай
Сообщения: 654
|
| да , в первых рядах, выпаевуал, кидал на прибор, резисторы по три раза, проверил вбвязке, под микроскопом пайки, пока ноль... |
|
semvictor
Фанат форума
Сообщения: 3099
|
| goric, Ток же идет с VY ...Через диод или транзистор Q11 на корпус.Альтернативы нет. |
|
gnom69
Передовик
Сообщения: 2073
|
| С 416-417 не обрыве случайно ? |
|
semvictor
Фанат форума
Сообщения: 3099
|
| gnom69, Прям оба сразу?И полевик открыт как водопроводный кран полностью? |
|
goric
Завсегдатай
Сообщения: 654
|
собрал на столе Y,Z лоджик, без БП --сигнал доходил до базы Q412, заменил резисторы R421-22Kom? R410,419--4.7kom, пульсы пошли до затвора выходного транистора, кинул в телек, резитсор-горит
Напряжения на транзисторах, Q411 b-2.6v, col-1.76v, Q411b-0.3v, col-8.5v, Q41(K3667)-затвор-8.5в, кол-0.16в, измерения на столе ,5,2 вольта с ЛБП на С201 Y.
Просадки напряжения VY-187v-, в момент сгорания резистора -нет. Схема отличается, от реальной , что открывает транзистор до упора
осцилограмма на затворе 
| IMG_20241114_163120_1-1.jpg |
| Описание: |
|
| Размер файла: |
385.96 КБ |
| Просмотрено: |
110 раз(а) |

|
3имп1.jpg 89.44 КБ Скачано: 105 раз(а)
|
|

|