ESpec - мир электроники для профессионалов


Неисправность матрицы ЖК Philips 190C6FS/00

  Список форумов » TFT-мониторы

Следующая тема · Предыдущая тема
АвторСообщение
olly_g 
Бывалый
Сообщения: 32
olly_g
 
Сообщение #1 От 10/03/2009 19:50 цитата  

На наклейке матрицы: LM190E03
Сгорел предохранитель по шине питания, после замены греется катушка L1. После катушки есть SMD диод (обозначение Т3), предполагаю, что это два диода шотки с общим анодом. Звонится как-то странно. Может кто что-то подскажет?
Какая информация еще нужна - напишите.
TE 
Старший модератор
<B>Старший модератор</B>
Сообщения: 10199
 
Сообщение #2 От 10/03/2009 23:25 цитата  

olly_g, надо давать более полную информацию, не у каждого есть в данный момент такой монитор в ремонте, почему считаешь, что это диод, обозначение есть на плате, тип корпуса. Желательно давать четкую фотографию.
svdok 
Участник
Сообщения: 178
 
Сообщение #3 От 11/03/2009 08:29 цитата  

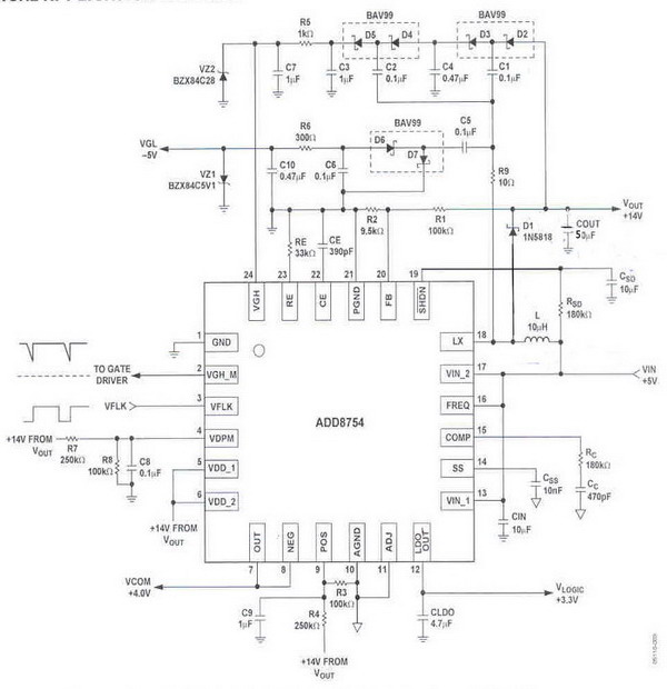
olly_g, ШИМ - наверное ADD8754А ? Может схема его поможет:

  Шим _ ADD8754.jpg  60.18 КБ  Скачано: 3229 раз(а)
olly_g 
Бывалый
Сообщения: 32
olly_g
 
Сообщение #4 От 11/03/2009 11:17 цитата  

svdok писал:
olly_g, ШИМ - наверное ADD8754А ? Может схема его поможет:

Да, такая ШИМка, спасибо за схемку, посижу - поразбираюсь.
olly_g 
Бывалый
Сообщения: 32
olly_g
 
Сообщение #5 От 11/03/2009 13:56 цитата  

olly_g писал:
svdok писал:
olly_g, ШИМ - наверное ADD8754А ? Может схема его поможет:

Да, такая ШИМка, спасибо за схемку, посижу - поразбираюсь.


Всем большое спасибо за помощь, сделано, была стандартная ситуация - конденсатор коротыш 10мкф. Закройте пжл тему.
PS:подскажите как вставлять картинки в тему?
TE 
Старший модератор
<B>Старший модератор</B>
Сообщения: 10199
 
Сообщение #6 От 11/03/2009 15:39 цитата  

Цитата:
подскажите как вставлять картинки в тему?

Слева вверху кликнуть по Ответить и далее будет ясно.

Перейти: 
Следующая тема · Предыдущая тема
Показать/скрыть Ваши права в разделе

Интересное от ESpec


Другие темы раздела TFT-мониторы



Rambler's Top100 Рейтинг@Mail.ru liveinternet.ru