| Автор | Сообщение |
|
VladCE
|
Dell 1905FP, матрица AU Optronics M190E03 v.3
Модель на шильдике MX-0W8690-48323-57K-20XA July 2005.
БП-инвертор: Yuang Telecom YP1904DL Rev. 1.0 05.02.01 ШИМ инвертора OZL68GN.
Собрал уже монитор и потом только заметил, что у него не регулируется яркость и вообще она довольно низкая (порядка 60). В меню регулируется, на деле нет.
Стал смотреть, выяснилось, что с мейн идет аналоговый сигнал DIM, величина которого меняется в зависимости от меню. Доходит до транзистора Q310, дальше эффекта нет. Транзистор звонится нормально. Думал, может, у него hFE просел, но по измерениям и подсчетам вроде нормальный (430).
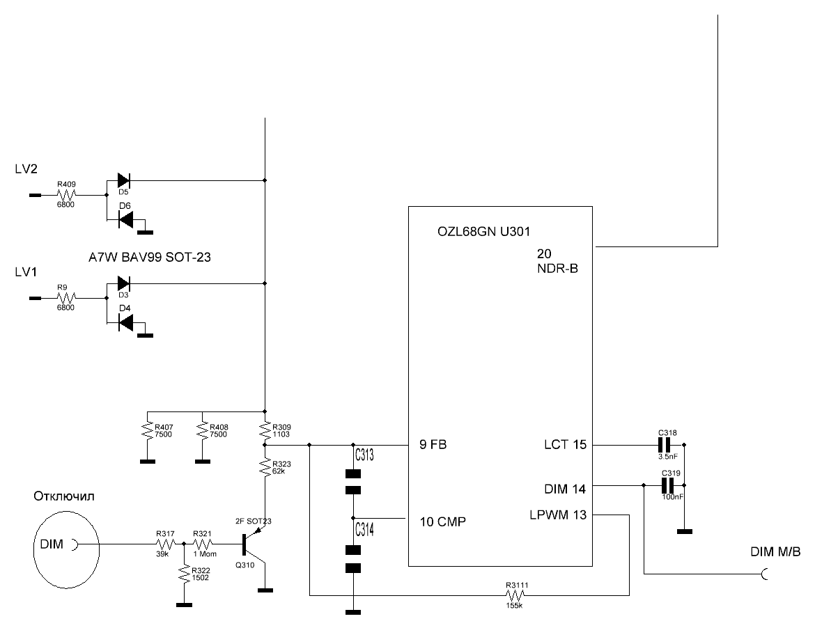
Точной схемы нет, даташита тоже, но есть даташит OZ960, похоже, полностью совместимой и очень похожая схема шасси LM57B с этой же микросхемой OZL98GN , напр. LG 1752TX 1952TX , но цепь DIM другая, зарисовал ее (см. рисунок). В остальном схема инвертора шасси LM57B очень похожа на имеющуюся, поэтому все лампы и пр. не показаны.
Произвел такие замеры (сигнал DIM представляет собой почти небольшой DC, но с небольшой "волной" сверху, поэтому мультиметры врут, пришлось замерять точнее осциллографом). Замеры в двух крайних положениях яркости, 0% и 100%.
Напряжения на БП и мейн: 12.0, 5.01, 3.3, 1.81 В.
Яркость в меню 0% 100%
Напряжение DIM 2.8 0.38
U R371, R322 0.75 0.110
U Q310 базы 0.40 0.090
U Q310 эмиттера 1.15 0.70
U pin9 (FB) 1.21 1.25
U pin10(CMP) 1.90 2.03
U катодов D3,D5,R309 1VDC+2VACp-p, 2VDC+3VACp-p
Скважность pin20 48% 48%
Интересно заметить, что напряжения на выводах FB (feedback?) и CMP (выход усилителя ошибки?) почти не меняются.
Какие будут предложения у уважаемых форумчан?
P. S. Сканы платы инвертора, hi-res 1000dpi,
ч/б полностью (4.2MB),
цветная частично (1.1МB).
Dell 1905FP OZL68GN Brightness MODIFIED FINAL.GIF 17.65 КБ Скачано: 758 раз(а)
|
|
TE
Старший модератор
Сообщения: 10199
|
| Если бы схема нарисована была правильно или плата под рукой, то можно дать какое-нибудь предложение, а так, не зная цепи регулировки яркости, затрудняюсь ответить. |
|
|
VladCE
|
| Цепь регулировки нарисована правильно. В остальном как на шасси LM57B. Если нужны какие уточнения или проверки, только скажите. |
|
TE
Старший модератор
Сообщения: 10199
|
Во-перых, наличие мегомного резистора в базовой цепи транзистора R321. Максимальное напряжение на R322 будет не более 0,8В, тогда базовый ток транзистора будет гораздо менее 1мкА. Есть сомнение в нормальной работе транзистора при таком базовом токе.
Во-вторых, из-за отсутствия даташита опираюсь на существующую схему монитора LG. Явно видно что на вход FB (9) подается положительное напряжение обратной связи, прямо пропорциональное выходному напряжению инвертора. По твоей схеме напряжение обратной связи, согласно включению диодов D1-D4, отрицательное.
Неизвестно вообще как запитан транзистор Q310. |
|
|
VladCE
|
| TE писал: | Во-перых, наличие мегомного резистора в базовой цепи транзистора R321...........
Во-вторых, из-за отсутствия даташита опираюсь на существующую схему монитора LG.......
Неизвестно вообще как запитан транзистор Q310. |
Проверил еще раз нарисованную схему, все правильно. Для верности сделал и выложил сканы платы (в заглавном сообщении), рекомендую начать с " цветной части" - обвеска OZL68GN, цепь DIM и обратной связи .
Насчет диодов - просто скопировал цепь с LG шасси LM57B, но и тут вроде так же, диоды A7W корпус SOT23, очевидно BAV99. Мегомный резистор в цепи базы есть и звонится в соответствии с номиналом (как и прочие все элементы цепи).
Кажется, в схеме эмиттерного повторителя ток базы вообще очень маленький, зато ток эмиттера зависит от напряжения эмиттер-база экспоненциально. По-моему, при 100% яркости Q310 в активном режиме, а на 0% (и до него) уходит в отсечку. Должен по идее понижать напряжение на 9-ой ноге FB... но меня самого эта схема ставит в тупик, тут я ни в коей мере не эксперт, почему и прошу совета. |
|
|
VladCE
|
| Нашел даташит микросхемы (см. заголовок). Выход усилителя ошибки должен быть нулевой... |
|
gavs
Передовик
Сообщения: 1292
|
VladCE,
Выход усилителя ошибки не должен быть нулевой - та должно быть вольта два, если напряжение выводе 10 превышает 3.7V срабатывет защита. Напряжение на входе FB за счёт обратной связи поддерживается равным 1.25V. И, так как при изменении напряжения на эмиттере Q310 оно не изменяется, обратная связь таки работает. Другое дело - эмиттер Q310 подключён к FB через 68К, выпрямленное напряжение обратной связи с ламп - через 110K. Чувствительность схемы к входным напряжениям обратно пропорциональна номиналам резисторов, так что изменение напряжение на эмиттере Q310 на пол-вольта приведёт к компенсирующему изменению выпрямленного напряжения обратной связи на диодах(катоды D3, D5) в пределах вольта (можно убедиться тестером), что скорей всего незначительно на фоне напряжения на катодах этих диодов (можно бы и померить). Собственно подобрав номинал R323 схему можно даже заставить посильнее реагаровать на управление, другое дело - нужно ли.
Так что делаются следующие выводы:
1. Так как на плате не распаяны элементы низкочастотной ШИМ, входящей в состав микросхемы, ШИМ должна формироваться "матерью". Регулировка яркости за счёт изменения тока через лампы последние несколько лет не используется из-за очень узкого диапазона регулировки.
2. При диапазоне управляющего напряжения DIM порядка 5V это "чудо схемотехники" таки будет влиять на ток через лампы.
3. Имеет смысл проследить прохождение ШИМ от ножки процессора до выхода платы. Скорей всего просто сгорел транзистор, увеличивающий размах DIM до необходимого.
Не исключено что что-либо из "начинки" "не родное". С этим приходится сталкиваться регулярно. |
|
|
VladCE
|
| gavs писал: | Выход усилителя ошибки не должен быть нулевой - там должно быть вольта два, если напряжение на выводе 10 превышает 3.7V, срабатывет защита. Напряжение на входе FB за счёт обратной связи поддерживается равным 1.25V.
Не исключено, что что-либо из "начинки" "не родное". С этим приходится сталкиваться регулярно. |
Да, озадачили вы меня, уважаемый gavs. А почему выход ус. ош. не должен быть нулевой, ведь согласно даташиту OZ960 опорное напряжение неинвертирующего входа ОУ FB тоже +1.25V, как и сам FB?
Проследил цепь DIM "чуда схемотехники". Нет там никаких транзисторов. На "маме" сигнал DIMADJ прямо c ноги проца Genesis gm5621 через интегрирующую RC-цепочку (R785=10кОм, соотв. номиналу, С702) поступает на DIM инвертора *.
Монитор довольно старый, 2005 г., может, тогда еще использовалось аналоговое управление яркостью...
Лирическое отступление: До меня этот мон явно кто-то копал, но дальше замены электролитов (и обрыва кнопок) не продвинулись. У меня лежит еще один Dell 1905FP, с матрицей Samsung, разбитой лампой и подгоревшим инвертором, так там абсолютно все другое! Даже разъемы не подходят... только пластик корпуса тот же. В инете еще сохранились возмущенные отзывы покупателей, обнаруживших в свое время замену Dell'ом втихаря матрицы Samsung на AU Optronics... и всего остального.
Написал на O2Micro, просил даташиту на OZL68GN. Тут же какой-то индус под ником no-reply ответил с заголовком "General Inquiry Form - Sender blacklisted": "Просьбу Вашу выполнить не можем, продукт устаревший (obsolete)" А раньше, очевидно, был "копирайтед"!.. Дела идут, контора пишет....
Примечание *) (можно пропустить) Вообще на маме этого "чуда схемотехники"два сигнала: DIM и DIMADJ. Первый DIM переходит в READY инвертора на разъем P201-10 и далее через перемычку R306 на 14 ногу OZL68GN DIM, все как на схеме шасси LM57B . R306 не подпаян (как и другие элементы), потому можно игнорировать. Кто-то здорово напутал с дизайном... А DIMADJ с мамы - это и есть DIM инвертора, что на R317, его и отслеживал. |
|
|
VladCE
|
| Цитата: | Для замены OZL68GN на OZ960 или OZ964 требуется небольшая доработка:
- ножку 15 (LCT) отключить от постоянного напряжения делителя R320-R321;
- ножку 15 развязать через конденсатор 6800 - 10000 pF на землю GNDA (ножка 6), как в OZ964.pdf.
Oz964.pdf 324.53 КБ Скачано: 782 раз(а) |
|
|
gavs
Передовик
Сообщения: 1292
|
VladCE,
Монитор довольно старый, 2005 г., может, тогда еще использовалось аналоговое управление яркостью...
Уже в 2005 году это решение было экзотикой, да и то применялось в основном в мониторах где инвертор был собран на генераторе Ройера. Если микросхема содержит кроме схемы фазовой регулировки "штатный" узел НЧ ШИМ, то отказ от его использования ради уменьшения диапазона регулировки выглядит странно. Другое дело - формирование ШИМ непосредственно процесором - при этом часто делается синхронизация ШИМ с кадровой частотой (к-т умножения задаётся в FACTORY MODE).
А почему выход ус. ош. не должен быть нулевой, ведь согласно даташиту OZ960 опорное напряжение неинвертирующего входа ОУ FB тоже +1.25V, как и сам FB?
При 0 на выходе операционник в насыщении и петля ОС уже ничего не регулирует. Напоминаю что операционник усиливает разницу между напряжениями на входах "+" и "-" почти не реагируя на их абсолютное значение. Петля ОС в инверторе за счёт изменения фазового сдвига между импульсными последовательностями в конечном счёте регулирует ток через лампы. В OZ960 и клонах именно фазовое регулирование, скважность на выходах не меняется.
В инете еще сохранились возмущенные отзывы покупателей, обнаруживших в свое время замену Dell'ом втихаря матрицы Samsung на AU Optronics... и всего остального.
Фирма DELL сама не разработала и не выпустила ни одного монитора. Все их модели производятся сторонними изготовителями по OEM контрактам. При этом разные партии одной и той-же модели могут быть реально сделаны разными фирмами. При этом одна модель имеет в конечном счёте с десяток разновидностей с несовместимыми платами. Зачастую в этом путается даже народ из АСЦ. То-же самое относится и к ACER, ViewSonic, HP и ещё десятку именитых брендов.
Попробуйте смонтировать недостающие компоненты НЧ ШИМ в соответствии со схемой от LG. На мой взгляд в монитор скорей всего в процессе ремонта поставили "не родную" MAIN PCB (интересно было бы прочесть её EDID), причём сделать это могли ещё при гарремонте не потрудившись проверить. Мне иногда приходилось допаивать НЧ ШИМ на OZ960 для совмещения разных версий плат - никаких существенных проблем при этом не возникало. |
|
|
VladCE
|
| gavs писал: | | При этом разные партии одной и той-же модели могут быть реально сделаны разными фирмами. При этом одна модель имеет в конечном счёте с десяток разновидностей с несовместимыми платами. |
Даже так?!! Сам там работал, знаю... но что так всё запущено...
| gavs писал: | | Попробуйте смонтировать недостающие компоненты НЧ ШИМ в соответствии со схемой от LG. На мой взгляд в монитор скорей всего в процессе ремонта поставили "не родную" MAIN PCB (интересно было бы прочесть её EDID), причём сделать это могли ещё при гарремонте не потрудившись проверить. Мне иногда приходилось допаивать НЧ ШИМ на OZ960 для совмещения разных версий плат - никаких существенных проблем при этом не возникало. |
Да я уж и сам стал склоняться к этой мысли. Более того, ведь на самой плате уже есть все дорожки и места под нужные детали, включая даже позиционные номера под шасси LM57B! Одно только смущает - 15-ый вывод вместо резисторного делителя LM57B разведен под задающий конденсатор, как и требуется в даташите на OZ960, OZ964. Может, и м/c в СЦ тупо перекинули... а самого-то даташита OZL68GN ведь нет, может, тут-то они как раз и отличаются... EDID прочту и отпишусь. |
|
gavs
Передовик
Сообщения: 1292
|
VladCE,
по крайней мере и в случае OZ960 и OZ1060 "LCT" подключают к резисторному делителю чтобы использовать встроенный компаратор ШИМ как повторитель при внешней ШИМ, а в случае использования встроенного генератора - подключают к конденсатору на "землю". |
|
|
VladCE
|
| gavs писал: | | (интересно было бы прочесть её EDID) |
Забыл, что EDID-то я уже читал! Вот он полностью:
| Код: | Monitor
Model name............... DELL SE198WFP
Windows description...... Dell SE198WFP DELL SE198WFP
Manufacturer............. Dell
Plug and Play ID......... DELF003
Serial number............ C558H8610C1M
Manufacture date......... 2008, ISO week 23
Filter driver............ None
-------------------------
EDID revision............ 1.3
Input signal type........ Analog 0.700,0.000 (0.7V p-p)
Sync input support....... Separate
Display type............. RGB color
Screen size.............. 410 x 260 mm (19.1 in)
Power management......... Standby, Suspend, Active off/sleep
Extension blocs.......... None
-------------------------
DDC/CI................... n/a
Color characteristics
Default color space...... sRGB
Display gamma............ 2.20
Red chromaticity......... Rx 0.640 - Ry 0.336
Green chromaticity....... Gx 0.293 - Gy 0.599
Blue chromaticity........ Bx 0.152 - By 0.068
White point (default).... Wx 0.313 - Wy 0.329
Additional descriptors... None
Timing characteristics
Horizontal scan range.... 30-83kHz
Vertical scan range...... 56-75Hz
Video bandwidth.......... 140MHz
CVT standard............. Not supported
GTF standard............. Not supported
Additional descriptors... None
Preferred timing......... Yes
Native/preferred timing.. 1440x900p at 60Hz (16:10)
Modeline............... "1440x900" 106.500 1440 1520 1672 1904 900 903 909 934 -hsync +vsync
Standard timings supported
720 x 400p at 70Hz - IBM VGA
640 x 480p at 60Hz - IBM VGA
640 x 480p at 67Hz - Apple Mac II
640 x 480p at 72Hz - VESA
640 x 480p at 75Hz - VESA
800 x 600p at 56Hz - VESA
800 x 600p at 60Hz - VESA
800 x 600p at 72Hz - VESA
800 x 600p at 75Hz - VESA
832 x 624p at 75Hz - Apple Mac II
1024 x 768p at 60Hz - VESA
1024 x 768p at 70Hz - VESA
1024 x 768p at 75Hz - VESA
1280 x 1024p at 75Hz - VESA
1152 x 870p at 75Hz - Apple Mac II
1440 x 900p at 60Hz - VESA STD
1152 x 864p at 75Hz - VESA STD
1280 x 1024p at 60Hz - VESA STD
1440 x 900p at 75Hz - VESA STD
Report information
Date generated........... 2/17/2012
Software revision........ 2.60.0.972
Data source.............. Registry
Operating system......... 5.1.2600.2.Service Pack 3
Raw data
00,FF,FF,FF,FF,FF,FF,00,10,AC,03,F0,4D,31,43,30,17,12,01,03,68,29,1A,78,EE,C1,25,A3,56,4B,99,27,
11,50,54,BF,EF,80,95,00,71,4F,81,80,95,0F,01,01,01,01,01,01,01,01,9A,29,A0,D0,51,84,22,30,50,98,
36,00,98,FF,10,00,00,1C,00,00,00,FD,00,38,4B,1E,53,0E,00,0A,20,20,20,20,20,20,00,00,00,FF,00,43,
35,35,38,48,38,36,31,30,43,31,4D,0A,00,00,00,FC,00,44,45,4C,4C,20,53,45,31,39,38,57,46,50,00,2B
|
ДОБАВЛЕНО 17/02/2012 03:09
Странно. SE198WFP совсем другая модель, с "широкой", а не квадратной матрицей, и без USB Hub - а на этой "маме" есть, и БП другое, без аудио. Может, влили "левый" EDID?  |
|
gavs
Передовик
Сообщения: 1292
|
|
|
VladCE
|
| gavs писал: | | VladCE, Можно также глянуть, какая версия платы установлена |
Да, это отзвуки того самого скандала с вытаскиванием Dell'ом матраса Samsung PVA из-под рассерженных клиентов вплоть до небольшого падения его акции. У меня матрица AOU, лежит передо мной на столе и указана в заголовочном сообщении. На материнской плате надпись и стикер с той же надписью LG LD1905FPP V1.5, зачеркнут. Производство Лыжа - все, что можно с уверенностью сказать. |
|
INTREPID
Модератор
Сообщения: 1470
|
| VladCE, а с твоим это: Serial number............ C558H8610C1M , Manufacture date......... 2008, ISO week 23 как сходится? |
|
|
VladCE
|
| А никак. На шильдике июль 2005. Думаю, gavs прав, и в СЦ гаранты что-то нахимичили. А может, и пластмасса неродная. |
|
|
VladCE
|
Переработал схему в соответствии с указаниями уважаемого gavs и в подражание схеме шасси LG LM57B. Перекинул сигнал материнской платы DIM на 14 вывод DIM микросхемы инвертора. Результаты такие: на LCT появилась пила размахом от 1.5V до 3V, с периодом 2.3 мсек (или 440 Гц), подрагивает по фазе. На LPWM ожидаемый ШИМ-сигнал НЕ появился, появилось постоянное напряжения уровня, зависящего от установленной яркости. Яркость теперь чуть-чуть регулируется, причем инверсно (максимальна на 0%, минимальна на 100%). Похоже, верной дорогой идем, товарищи. Работу над ошибками отложил до завтра.
Да, кстати, перед доработкой произвел запрашиваемые gavs измерения напряжения на катодах диодов обратной связи, результат отразил в таблице заглавного сообщения.
Dell 1905FP OZL68GN Brightness MODIFIED.GIF 17.04 КБ Скачано: 548 раз(а)
|
|
|
VladCE
|
| Работа над ошибками: Ну вот, теперь пояснее. Аналоговый сигнал с материнской платы DIM изменяется в TTL диапазоне (измерено от 0.475V до 3.3V). При вхождении в диапазон (размах) пилы LCT (от 1.5V до 3V) на LPWM появляется настоящий ШИМ сигнал размахом от 1.1V до 2.5V со скважностью, падающей обратно пропорционально уровню DIM, и за пределами диапазона LCT вырождающийся в постоянный уровень (>100% и <0%). 9-ая нога FB все равно всегда 1.245VDC. Практически важно, что все равно реальная яркость "чуда схемотехники" меняется незначительно, и на более узком диапазоне яркости в меню - от 30% до 70%, и , главное, все равно тускловато. Неплохо было б подбавить яркости, растянуть этот диапазон на полный и инвертировать сигнал DIM. Пока же схема "работает" "на троечку"... |
|
gavs
Передовик
Сообщения: 1292
|
VladCE,
Для инвертирования управления достаточно проинвертировать выход LPWM:
В Вашем случае скорей всего проще это будет сделать подав LPWM на "левый" по Вашей схеме вывод R317, зкорачиванием R321, установкой вместо Q310 любого NPN транзистора эмиттером на "землю", заменой R323 на диод и установкой резистора с коллектора тр-ра на Vref. Степень "притухания" при работе ШИМ - резистором с коллектора тр-ра на Vref (раза в три меньше R309). При работе НЧ шим в промежутке между "вспышками" ток через лампу не отключается совсем, а уменьшается в несколько раз - при маленьком токе лампы уже не светятся. Если хочется сделать поярче - можно подобрать резистор с FB на "землю", начинать можно с номинала раза в два больше чем номинал R323.
Если устраивает инверсное меню, то можно обойтись подбором номинала R3111. Обычно номинал резистора между LPWM и FB раза в полтора-два меньше чем резистоора в обратной связи.
Для обеспечения необходимго диапазона регулировки необходимо согласовать диапазон уровней управляющего сигнала DIM и амплитуды пилы НЧ ШИМ. Делать диапазон регулировки больше десятикратного не стоит. При минимальной скважности за длительность импульса должны успеть завершиться переходные процессы.[img][/img] |
|

|