| Автор | Сообщение |
|
TQ404
|
Приветствую участников форума.
Есть неисправный монитор Acer X223HQ
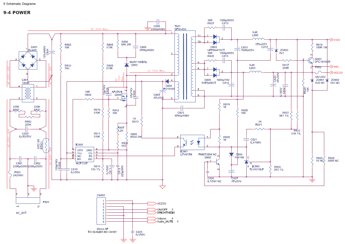
Плата питания+инвертор ILPI-139(как я понимаю она же 031, 033..)
ШИМ NCP1337
Проблема в следующем.. При включении монитора работает секунд 15, после чего отключается, спустя 2 секунды снова включается и работает около 10 секунд. Потом цикл повторяется но с включением на уже меньший период. так доходит до 3-4 секунд и с такими интервалами вырубается -врубается дальше сколько угодно.
Если отключить всю нагрузку, то БП работает нормально. С другой матрицей и интерфейсной платой всё то же самое.
При самопроизвольном отключении пропадает не только питание на выходе БП, но и генерация на ШИМ NCP1337. Пульсации на выходе БП в пределах нормы. Электролиты при проверке оказались живыми, но для профилактики заменены на новые. Резисторы показывают верные сопротивления. Силовой транзистор работает(иначе бы ничего не запустилось). Инвертор подсветки исправен.
Снизу прицепил схему
Направьте на путь истинный, товарищи!
Безымянный.png 166.75 КБ Скачано: 2873 раз(а)
|
|
shov244
Фанат форума
Сообщения: 3825
|
| TQ404, есть такой прибор генероттор , с помощью которого быстро определяется такая неисправность . Почитай про него и собери его ... не пожалеешь . |
|
|
Morlock
|
| shov244 писал: | | TQ404, есть такой прибор генероттор , с помощью которого быстро определяется такая неисправность . Почитай про него и собери его ... не пожалеешь . |
Этот прибор ничего не даст. Этот прибор (инвалид) предназначен для тех, кто в силу своих умственных способностей не может отремонтировать БП без проверки самого трансформатора, который в 99,99% случаев оказывается исправным. Тем более в данном случае его применение вообще бессмысленно!
| TQ404 писал: | Проблема в следующем.. При включении монитора работает секунд 15, после чего отключается, спустя 2 секунды снова включается и работает около 10 секунд. Потом цикл повторяется но с включением на уже меньший период. так доходит до 3-4 секунд и с такими интервалами вырубается -врубается дальше сколько угодно.
Если отключить всю нагрузку, то БП работает нормально. С другой матрицей и интерфейсной платой всё то же самое.
При самопроизвольном отключении пропадает не только питание на выходе БП, но и генерация на ШИМ NCP1337. Пульсации на выходе БП в пределах нормы. Электролиты при проверке оказались живыми, но для профилактики заменены на новые. Резисторы показывают верные сопротивления. Силовой транзистор работает(иначе бы ничего не запустилось). Инвертор подсветки исправен.
Снизу прицепил схему
Направьте на путь истинный, товарищи! |
Щас потыкаю пальцем что надыть заменить, а потом отписаться.
И вот ещё что: перед заменой того что я указал, замените в обязательном порядке R805 Это токовый датчик. Часто случается, что номинал уплывает (в большую сторону), в результате наблюдается неадекватное поведение БП под нагрузкой. При этом на холостом ходу работает распрекрасно!
А т.к. номинал оного резистора 0,24Ом, то промерять его обычной ЦЭшкой не получится, да и мультик не каждый покажет реальность. Так что "...резать к чёртовой матери"(с)  |
|
|
TQ404
|
Morelock, страшно благодарю Вас за ответ.
Чуть было не бросился искать КЗ витки в трансе =)
Почти всё что Вы сказали заменил. Ну кроме ШИМа, Q802(его на плате нет вообще)..
Так вот... а потом подумал а почему бы не диод D804? Как раз идет на 6 ногу ШИМа. Ну и заменил. Заработало!
Я пол дня с ним бился. |
|
|
Morlock
|
У меня глаз косил на питание ШИМа, но всё сразу не ухватил. И была ж мысль о обрывающемся диоде, но как говориться не всё сразу. Думал что по мере локализации подойдём и туда. А оно оказалось намного быстрее.
Поздравляю с победой!  |
|
shov244
Фанат форума
Сообщения: 3825
|
| Morelock писал: |
Этот прибор ничего не даст. |
Да ладно ... просто ты не умеешь им готовить .
| Morelock писал: |
Щас потыкаю пальцем что надыть заменить |
Понятно , что "метод тыка" и "бульдозера" тоже вариант , но я бы предпочел поиск и отделение неисправности первички от вторички , а там дело техники ... Делов то на полчаса , а не как у ТС
| TQ404 писал: |
Я пол дня с ним бился. |
|
|
|
TQ404
|
| shov244, что проблема была до транса это и так ясно. Тоесть прибором отделили бы очевидное от невероятного и что дальше? |
|
shov244
Фанат форума
Сообщения: 3825
|
| TQ404 писал: | | что проблема была до транса это и так ясно. |
Кому ясно ? ... мне нет ( отключение могло быть и по вторичке через обратную связь ) . Да и тебе тоже , судя по написаному
| TQ404 писал: | | Направьте на путь истинный, товарищи!. |
| TQ404 писал: | | Тоесть прибором отделили бы очевидное от невероятного и что дальше? |
Ты мало еще отремонтировал блоков питаний ...Когда сделаешь такой прибор , тогда всё и поймешь и не будешь гадать и бездумно менять все элементы по первичке и вторичке по полдня . |
|
|
BorisSp
|
TQ404, Morelock,
Спасибо за подсказку. У меня была похожая проблема и тот же диод (причем звонился нормально) |
|
|
omegak
|
| Похоже повреждение типичное. У меня тот же диод. Симптомы были такие, без кабеля работал нормально при подключении кабеля уходил в аварию. Всем спасибо. |
|
Wassaby
Завсегдатай
Сообщения: 783
|
| Генероттор ето даже не инвалид ето какото особенное извращение. Ни вхизнь такой гадостью не пользовался и не собираюсь. Для ремонта нужны мозги а не какаято бадяга генеротор или геморротор. |
|
|
OstII
|
| Ослабить обратную связь R823 c 47 кОм увеличить до 57 кОм. Больше не отключается |
|
|
Gemin
|
На плате монитора, который у меня на руках, в цепи 6ой ноги ШИМ стоит D803 в корпусе smb с выводом на 4ю ногу трансформатора. Симптомы те же самые: 5-7 минут полёта минут и уходит в "перезагрузку". Дутых электролитов нет, питание On/Off скачет от 3,14В до 0,18В
Что сделал
1. Поменял два 47uF х 50V - не помогло
2. Залез в эту тему, почитал, почесал репу...
3. Снял диод, вычистил клей который жил у него на брюхе и на плате под ним (капнул цапонлака, т.к. содрал родной при снятии клея), и запаял диод обратно. Т-т-т, уже час (и два часа) без единого "глюка".
P.S. Походу типовуха для Acer-ов... По типу, как у BenQ а-ля FP767-12 "говно-пайка" |
|
|
sms-mms
|
Мое почтение всем присутствующим. Особенно тем, кто делает присутствие здесь приятным и полезным для мозга. )
В моем случае хватило рекомедаций от Gemin (пункт 3)
В первом случае заменил весь бп. Хотя тоже репу чесал (как в пункте 2 рекомендовано) Стыдно. (
Всегда мечтал стать умным, но видно не судьба.... |
|
|
mareman11
|
| Спасибо форуму, интернет могучая сила. 2 дня танцов с бубном, меняли все что можно. Диод мазафака |
|
|
geascnbr
|
Добрый день, уважаемые форумчани.
Поломался монитор Acer X223HQ, через некоторое время работы появляются вертикальные полоски и экран начинает моргать.
Поменял все конденсаторы, но это не помогло.
Будут благодарен за подсказку в какую сторону копать дальше.
Видео с работой монитора в атаче.
VIDEO0072_1.zip 6.69 МБ Скачано: 704 раз(а)
|
|
Lensmen
Передовик
Сообщения: 2745
|
| geascnbr, Все тупые подымают годичные темы ? |
|
|
geascnbr
|
| Lensmen писал: | | geascnbr, Все тупые подымают годичные темы ? | Последние сообщения в теме были не годичной давности.
Плюс тема про этот монитор, посчитал что проблема может быть похожа. |
|
Lensmen
Передовик
Сообщения: 2745
|
| geascnbr, Так то такой же твой однояйцевый близнец |
|
|
geascnbr
|
| Lensmen писал: | | geascnbr, Так то такой же твой однояйцевый близнец | То есть стоит поменять диод D804? |
|