| Автор | Сообщение |
|
KaportsevIA
|
Добрый день!
Попал мне в руки монитор-телевизор LG Flatron M1921A
MODEL: M1921AF
MAIN: 68709M0005L
POWER: 2300KPG061A-F(LC)
Диагноз - не включается. По следам на корпусе сделал вывод, что он уже побывал в чьих-то руках.
Вскрытие показало:
1. Вздутые электролиты C202-C206 сразу пошли под замену.
2. Отсутствие электролита C102.
Сначала думал, что его просто перевернули на другую сторону, но это предположение отпало по фото аналогичных плат в инете. К сожалению неизвестна маркировка электролита C102. Кто может помочь схемой или фоткой данного чуда с маркировкой?
| IMG_20171225_165322.jpg |
| Описание: |
|
| Размер файла: |
290.59 КБ |
| Просмотрено: |
1029 раз(а) |

|
|
|
foxter-x
Передовик
Сообщения: 1503
|
|
|
KaportsevIA
|
| Т.е. такой же как как и C101? Он тоже 68мкф*450В |
|
foxter-x
Передовик
Сообщения: 1503
|
|
|
Vklad
|
добрый день.
У меня такая же проблема, такой же монитор.
MODEL: M1921AН
Вздулись электролиты C202-C206, заменил сразу 5 штук (С202, С203, С204, С205, С206). При включении, ничего не происходит, светодиод не горит, на кнопку включения не реагирует. На выходе блок питания есть напряжение 14.7 В и 5 В.
Как решить проблемку? |
|
|
Vklad
|
Запустил аппарат.
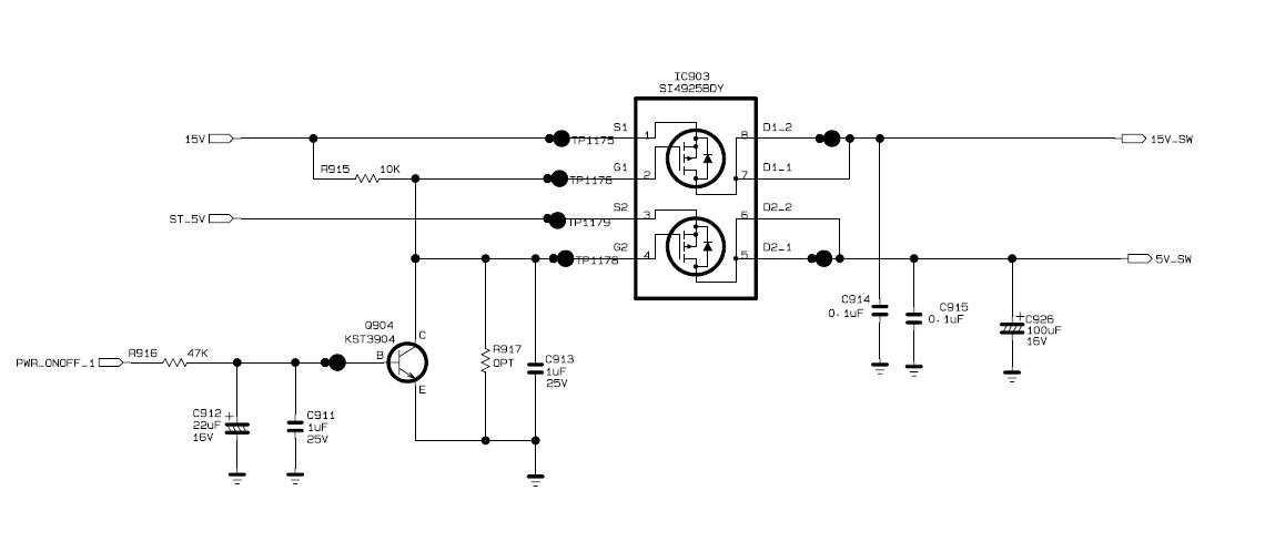
Второй раз за 4 года, помимо вздутых конденсаторов в БП, вылетает полевой транзистор IC 903.

121212.JPG 46.04 КБ Скачано: 1425 раз(а)
|
|
|
kostamus
|
| Vklad писал: | Запустил аппарат.
Второй раз за 4 года, помимо вздутых конденсаторов в БП, вылетает полевой транзистор IC 903. | здравствуйте, подскажите пожалуйста, где можно найти эл.схему данного БП? Через десятые руки попал тв ко мне, уже отсебятины напаяли |
|
|
AzLog
|
| kostamus, что там можно было "отсебятить"? БП простейший по виду, с одной оптопарой. Можно восстановить как минимум по фото из сети, при наличии какого-никакого опыта. |
|
|
kostamus
|
Дело в том, что часть элементов удалена
С обратной стороны печатки напаяны другие
На фото не все номиналы и маркировки можно увидеть
Просто если у вас нет схемы, буду дальше искать 🤷♂
Извините, что отвлекаю |
|