| Автор | Сообщение |
|
realsanctum
|
Попрошу сразу не посылать к мастерам, хочу попытаться отремонтировать монитор сам. Занимаюсь ремонтом ноутбуков и компьютеров и около них. Мониторы ремонтировал только заменой кондеров или диодов, ну или видимых сгоревших частей.
Итак по теме:
Шасси: TAI-4524. Монитор не включается светодиод не светится, блок инвертора звуков не выдает. Визуально все в порядке. Клиент говорит что был щелчок в работе - моник погас и больше не реагировал. На выходе по 12ти вольтам - 0, а там где должно быть 5V - примерно 0,7V. Мерил без нагрузки. Подскажите пожалуйста что нужно замерить и куда копать. Есть тестер и паяльник, руки вроде не кривые.
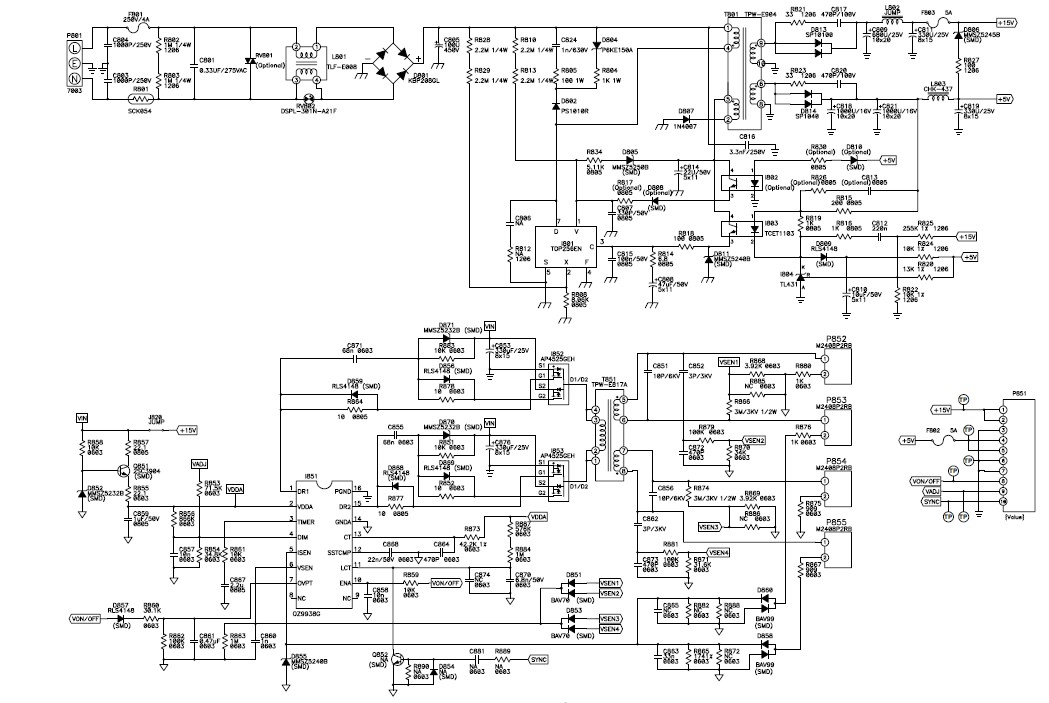
Заранее благодарен отозвавшимся, прилагаю схему и фото инвертора.(взял из соседней темы, у меня такой же)
va2231_101.jpg 166.88 КБ Скачано: 1923 раз(а)
_______372.jpg 151.69 КБ Скачано: 1465 раз(а)
|
|
|
g2003
|
| Какое состояние предохранителей? |
|
Sacha29
Передовик
Сообщения: 1045
|
Скока на сетевой банке?Пр цел?
и как ты занимаешься ремонтом ноутов?там тоже есть и БП и контроллер зарядов и тому подобное. |
|
|
g2003
|
| Предохранители во вторичках. |
|
|
realsanctum
|
Предохранители на вторичке F802 целые - звонятся (судя по схеме, если бы они были мертвы у меня ничего бы не было на выходе 5V, а там какие-то полвольта затесались(или я не прав?) )
На сетевой банке 286V.
- это что? |
|
TE
Старший модератор
Сообщения: 10199
|
Судя по схеме даже при сгоревшем F802 в работающем блоке питания (БП) выходное напряжение 5В будет. Вы неправильно понимаете назначение БП, это он обеспечивает питанием все блоки монитора, т.е. выдаёт напряжения 5В и 15В, а не монитор обеспечивает БП этими напряжениями.
БП отключить от монитора, выпаять F803, подать 220В, проверить выходные напряжения. |
|
Sacha29
Передовик
Сообщения: 1045
|
| Первичку надо проверять, цепи обратной связи.Пр уже не надо смотреть! |
|
|
realsanctum
|
| Цитата: | БП отключить от монитора, выпаять F803, подать 220В, проверить выходные напряжения.
|
Выпаял F803 - на выходе появилось 5V где и должно быть. На выходе 12V - висит около 4,66V
| Цитата: | Первичку надо проверять, цепи обратной связи
|
Диоды проверил - исправны.
На первой ноге TOP256EN - 2,85V
Электролиты С814 и С808, на всякий случай перепаял на новые. Изменений нет. Подскажите куды еще копать? |
|
|
yarikaty
|
| Пробема решилась? У меня один в один то же( |
|
|
Yvgen1980
|
| Попробуй прошить, у меня был однажды подобный случай, только с самсом, не подавал никаких признаков жизни прошивка помогла. |
|
SASHATOD
Фанат форума
Сообщения: 9885
|
Yvgen1980, Идиот, ты на дату смотришь  |
|
mileshca
Передовик
Сообщения: 2513
|
ого , он и решил даже  |
|