| Автор | Сообщение |
|
ravencrow
|
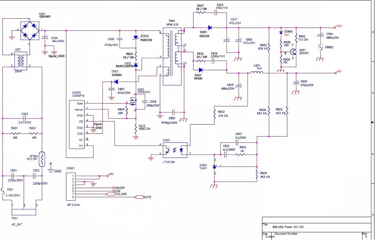
БП с инвертором ILPI-153 for V223 Rev.A 090624
Скалер ILIF-140 Rev:A 2009.06.19
Матрица MT190EN02 V.Y.
Происходит циклическая попытка запуска каждую секунду: попеременно загорается синий и желтый светодиод.
Если отключить шлейф LVDS от матрицы, запуск происходит без сбоев.
Если дать поработать 5 минут БП и скалеру при отключенном шлейфе матрицы, то после отключения питания, подсоединения шлейфа матрицы и повторного включения, монитор запускается и работает без сбоев.
Матрица проверена на тестере матриц, неисправности не выявлено, матрица исправна, обе лампы подсветки работают.
Чтобы исключить типовые неисправности:
Заменены все электролиты на плате БП на новые, заменен диод питания ШИМ LD7575 в БП, напряжение питания ШИМ 18 Вольт.
Напряжения в рабочем режиме:
БП: 14,5 Вольт, 5,2 Вольта,
Скалер: 3,3 Вольт, 1,8 Вольт, пин on/off blk 2,35 Вольт.
БП циклически делает попытки запуска. Возможно срабатывает какая-то защита. Но если бы срабатывала защита в инверторе, то БП не вёл бы себя так?
Если у кого-нибудь есть схема буду благодарен. |
|
tutu7
Завсегдатай
Сообщения: 721
|
|
n max
Модератор
Сообщения: 17616
|
| Ну если б.п. уходит в перезапуск то померить там питания-может и 431 так чудить |
|
tutu7
Завсегдатай
Сообщения: 721
|
| ravencrow, подобное было при "подбитой" оптопаре,а также при "уплывшем" токовом резисторе. |
|
iv-9
Фанат форума
Сообщения: 6359
|
| Цитата: | | Заменены все электролиты на плате БП на новые |
В том числе и в первичке, по питанию ШИМ? |
|
|
ravencrow
|
| iv-9 писал: | | Цитата: | | Заменены все электролиты на плате БП на новые |
В том числе и в первичке, по питанию ШИМ? |
Да.
Отключил от платы БП скалер, лампы, панель с кнопками. Тестирую только отдельно БП.
Только при нагрузке выше 500мА на 5 Вольтовую линии БП так начинает чудить.
Токовый резистор 0,82 Ома соответствует номиналу.
На TL431 без нагрузки на референсном пине 2,49 Вольт и на катоде 3,73 Вольт. |
|
|
ravencrow
|
Напряжение на токовом резисторе не выходит за пределы срабатывания защиты 0,85 Вольт. Больше 0,3 Вольт не бывает.

_обвязки_LD7575.jpeg 148.94 КБ Скачано: 98 раз(а)
_БП.jpeg 115.9 КБ Скачано: 89 раз(а)
|
|
|
ravencrow
|
А вот на 2-ой ноге COMP ШИМ-контроллера LD7575 доходит до 5 Вольт и контроллер уходит в защиту по OLP.
Уже и оптрон PC817 с TL431 заменил на новые, и диод шоттки во вторичке, все электролиты на новые заменил, ничего не изменилось.
Проверил обвязку TL431 там пару конденсаторов и несколько резисторов, все соответствуют номиналам.

2D959C7C-FEE6-4921-A4F9-E1387A51F40F.jpeg 157.25 КБ Скачано: 91 раз(а)
|
|
|
colukgo2
|
| Я выключал компьютер, включал его снова, и как только вы видели экран загрузки Acer, я выключал его снова и продолжал выполнять эти шаги, пока не появился экран «Подготовка к автоматическому восстановлению». Затем дайте ноутбуку загрузиться и отобразится экран автоматического восстановления, выберите дополнительные параметры и выберите «Устранение неполадок». |
|