| Автор | Сообщение |
|
acidproof33
|
| При подключении к розетке, при всех выключенных режимах электроплита Indesit K3C0 M.C (W)/R выбивает автомат. Плите лет десять наверное, всё идеально работало. Жена говорит, что работала одна комфорка, бахнуло внутри, выбило автомат и было немного дыма. Вскрыл - визуально повреждений изоляции нигде нет, переключатели все примерно одного состояния, но тоже повреждений не имеют. |
|
xarl
Модератор
Сообщения: 21874
|
acidproof33, элементарно... КЗ. Вычислять тебе!
Или мастеру... потому как настораживает " к розетки" |
|
Yuritsh
Фанат форума
Сообщения: 18498
|
| acidproof33 писал: | | Сам больше с электроникой дружу по жизни... | Сказки тут не рассказывай. Здесь этому никто не поверит. Если бы в электронике разбирался - утюг бы смог починить.
| acidproof33 писал: | | с чего начать? | Дык, как раз - с самого простого - с электроплиток. Лет через 20 и до электроники дорастёшь.
А если в двух проводах и в ТЭНе не можешь разобраться - то, с такими мозгами, прямая дорога в депутаты. |
|
xarl
Модератор
Сообщения: 21874
|
| acidproof33, раз некогда, плюнь и купи новую. Нормальное решение для тебя, я посмотрел откуда . Примерно... |
|
|
acidproof33
|
|
shov244
Фанат форума
Сообщения: 3825
|
| acidproof33 писал: | хотел мастера вызвать, т.к. самому особо некогда заниматься, а он у нас один в доме быта таким ремонтом занимается - так он в отпуске зараза.
Сам больше с электроникой дружу по жизни... но куда деваться? |
Не оно конечно , понятно , что электроника и электрика разные вещи ... электрика сильнее . Выход вижу такой , коль в электрике ни бум-бум ... вызвать (попросить прийти) адекватного электрика из ЖЭКа .
| acidproof33 писал: | | а то тут читал аналогичные случаи - пишут | Не надо ничего здесь читать ... тратить время своё драгоценное . |
|
|
acidproof33
|
|
|
acidproof33
|
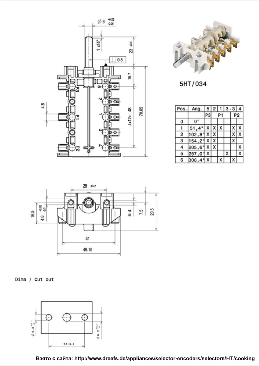
проблема решена... КЗ в переключателе...
Для "жадных" выкладываю схему переключателя...
Переключатель был заменён на EGO 46.27266.500...
Всё работает, так-же выкладываю схемку и список заменяемых переключателей... 
| E.G.O.46.27266.500.jpg |
| Описание: |
|
| Размер файла: |
236.88 КБ |
| Просмотрено: |
1878 раз(а) |

|
Dreefs_5HT_034.jpg 145.19 КБ Скачано: 763 раз(а)
|
|
|
Evgeni45
|
EGO 46.27266.500 уж больно много за них дерут. Вполне сгодятся и
ПМ 7 "Электра" под фистоны. Цена вопроса 200 -250 руб. Единственно со схемой включения не ошибиться. |
|
|
acidproof33
|
| у меня не было такой альтернативы - были такие и десятиконтактные, эти по схеме включения один-в-один подходят, ещё и покомпактней будут от родных... по ценнику - 525 рублей, хотя там старая наклейка была с ценой 450... |
|
Yuritsh
Фанат форума
Сообщения: 18498
|
acidproof33, а он разборный?
Перебрать его нельзя? |
|
|
Evgeni45
|
| Переключатели практически все разборные. У EGO 46.27266.500 и аналогичных сначала вытаскивается кулачковый вал (отгибается тонкой отверткой край опоры вала) и вал вытаскивается, а затем вытаскиваются подвижные контакты (утапливаются внутрь и в угол). Можно сделать из 4 испорченных 3 исправных, ну если конечно кулачки не оплавились и контакты не сгорели совсем. |
|
|
acidproof33
|
| Yuritsh писал: | acidproof33, а он разборный?
Перебрать его нельзя? |
ну первым делом я его и перебрал, насколько мог почистил, но он дал только сделать два полных оборота вокруг и снова в КЗ ушёл...
может если в ультразвуковой ванне его промыть...
короче, овчинка выделки не стоит - пустая трата времени...
а ты говорил лет через двадцать починю...  |
|
|
Evgeni45
|
| Возможно кулачки подрасплавились и поэтому Р1 коротит с Р2, так уж сделано бездарно, в надежде что один из контактов вовремя разомкнется, а второй вовремя замкнется. Но после долгой работы фазы работы контактов несколько сдвигаются. Поэтому и надо ставить ПМ7 "Электра" у него нет возможности напрямую закоротить фазу и ноль. |
|