| Автор | Сообщение |
|
berend
|
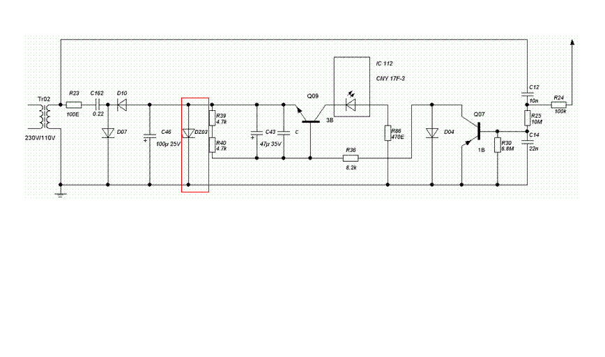
Пробит стабилитрон DZ03 в схеме контроля пламени. по корпусу и цветовой кодировке так не удалось определить его номинал, если кто сталкивался с подобной проблемой подскажите его номинал.

| Изображение 003.jpg |
| Описание: |
| электронная плата управления | |
| Размер файла: |
502.87 КБ |
| Просмотрено: |
531 раз(а) |

|
место расположения.JPG 150.62 КБ Скачано: 688 раз(а)
схема.GIF 12.91 КБ Скачано: 843 раз(а)
Изображение 003.jpg 160.38 КБ Скачано: 663 раз(а)
|
|
anatol22
Завсегдатай
Сообщения: 410
|
|
|
berend
|
| Спасибо за подсказку. завтра попробую заменить. обидно что по маркировке не возможно определить номнал. на плате есть ещё три таких стабилитрона с такой же маркировкой но на разные напряжения стабилизации. интересно как определяют при ремонте номинал. Только по принципиальной схеме? datasheet на стабилитрон с такой маркировкой найти и не удалось. |
|
anatol22
Завсегдатай
Сообщения: 410
|
BZV55 чем не нравятся. Подать напряжение через резистор, и ...  |
|
xarl
Модератор
Сообщения: 21874
|
| anatol22, это если он исправен, а если нет? |
|
|
berend
|
тогда только помощь на форуме от спецов.  |
|
Trosha
Завсегдатай
Сообщения: 448
|
| И схему контроля пламени проверь. Просто так его не прошивает. |
|
|
berend
|
| после грозы. летом шибануло. так клиент всё лето не чесался. а как на улице похолодало так и забегал. котёл постоянно искру даёт потом в защиту уходит. при проверке выяснилось пробитый стабилитрон. |
|
AKVA-TERM
Модератор
Сообщения: 1731
|
| berend писал: | | .... интересно как определяют при ремонте номинал. Только по принципиальной схеме? datasheet на стабилитрон с такой маркировкой найти и не удалось. |
Вот попала тебе плата в ремонт.можешь для себя теперь определить какие и где стоят стабилитроны-смотри и ты когда нибудь.кому нибудь сможешь помочь |
|
|
berend
|
| AKVA-TERM писал: | | berend писал: | | .... интересно как определяют при ремонте номинал. Только по принципиальной схеме? datasheet на стабилитрон с такой маркировкой найти и не удалось. |
Вот попала тебе плата в ремонт.можешь для себя теперь определить какие и где стоят стабилитроны-смотри и ты когда нибудь.кому нибудь сможешь помочь | Если кому ни будь понадобится то помогу чем смогу. |
|
|
berend
|
| Всем спасибо за помощь! проблема решена. Ошибку сбросил ресетом котёл пустился. тему закрываю. |
|
xarl
Модератор
Сообщения: 21874
|
| berend, а со стабилитронами как? Все пометил? |
|
|
berend
|
| да. две штуки возле разъёма идут по 5.1 в стороне 10 в |
|
xarl
Модератор
Сообщения: 21874
|
|
|
berend
|
| Добро только чуть по позже. исходники фото на работе остались. |
|
xarl
Модератор
Сообщения: 21874
|
| Да не срочно это конечно, главное чтобы осталось и найти можно было. |
|
|
berend
|
| не вопрос. Xarl подскажи пожалуйста не могу поменять статус темы на "РЕШЕНО" вроде всё делаю как по инструкции. |
|
xarl
Модератор
Сообщения: 21874
|
|
|
berend
|
| Спасибо. Завтра сброшу с метками плату. |
|
anatol22
Завсегдатай
Сообщения: 410
|
berend, Фото платы 740190001707 есть сверху . А стабилитроны имеют порядковый номер.  |
|