| Автор | Сообщение |
|
filipok09
|
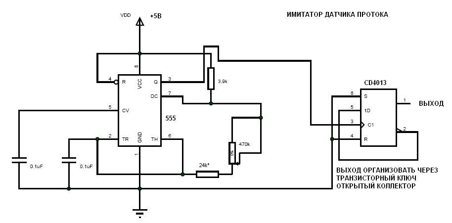
Добрый день. собрал я в мультисиме вот такую схему для имитации датчиков протока трехвыводных.
Для аристона с герконом добавлю в схему транзистор и оптопару.
Питаться все будет от кроны.
конденсаторы С1 и С2 частотозадающие С1 10герц С2 100герц
Для чего все это, для быстрой проверке что именно не работает датчик или плата. и Для того чтобы доказать людям что в кране у них воды мало. измерять частоту собираюсь мультиметром с частотомером.
Вычислять кол-во воды по таблице которая вот здесь http://regulator.ck.ua/download/test_2.pdf
Собственно этот прибор и вдохновил)))
Жду критики и предложений по улучшению.
p.s модератор не ругайся если тему не там создал  |
|
II3II
Передовик
Сообщения: 1055
|
|
|
filipok09
|
II3II, спасибо почитаю
ДОБАВЛЕНО 20/12/2015 21:01
Буду благодарен если посоветуете каких выходных параметров добиваться |
|
II3II
Передовик
Сообщения: 1055
|
| Цитата: | | доказать людям что в кране у них воды мало. |
наверное специалисты в этом вопросе вам помогут, но я думал что для этого достаточно манометра. |
|
|
filipok09
|
| II3II, да, согласен, но есть разные люди и не всем обяснишь. И это второстепенная функция прибора |
|
sergey 73
Завсегдатай
Сообщения: 560
|
filipok09, зачастую достаточно геркона поднесенного к магнитопроводу трансформатора  |
|
anatol22
Завсегдатай
Сообщения: 410
|
| sergey 73, Геркон не всегда срабатывает, и его еще надо точно расположить на разрыве сердечника,и правильно сориентировать. |
|
maxmvn
Завсегдатай
Сообщения: 314
|
[quote="filipok09"]... Для того чтобы доказать людям что в кране у них воды мало. ...[/quote]
filipok09, мало это как?..
Кран НЕ кастрюля... Обычно течет... НЕ течет... течет, но медленно...
Вы, наверно думали, про малый проток... Так Ента "приблуда" сдесЯ беЗполезна... Нада: 3х литровая банка и часы с минутной стрелкой... После лабораторной работы... сравниваем результат с заявленным ЗИ... ... Почти все котлы работают от 2-2,5 л/мин... |
|
anatol22
Завсегдатай
Сообщения: 410
|
filipok09, по схеме:
- на всех частотах должен быть меандр.
- для разных котлов частота разная.
- выход- открытый коллектор |
|
Знакомый с монитора
Завсегдатай
Сообщения: 469
|
Смоделированная схема в "Протеусе". Перекрывает диапазон 1-15л/м (для датчиков Honeywell 7гц/л), можно расширить...Переменный резистор с нелинейной зависимостью.
Отвечает всем требованиям по anatol22...
Скорее всего нужна при проверке платы "на столе" , для клиента более наглядно 3х литровая банка и секундная стрелка...
.JPG 33.99 КБ Скачано: 1377 раз(а)
|
|
anatol22
Завсегдатай
Сообщения: 410
|
Можно добавить светодиод - для индикации роботы, и стабилизатор - для питания с платы.  |
|
Знакомый с монитора
Завсегдатай
Сообщения: 469
|
anatol22, светодиод куда? При протоке >=8л будет гореть постоянно...
Правда можно применить вторую половину триггера , будет нагляднее... |
|
|
filipok09
|
| Знакомый с монитора, Спасибо Вам за схему!!! |
|