| Автор | Сообщение |
стопыч
Фанат форума
Сообщения: 3167
|
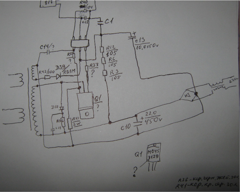
газ котел Polikraft PK??? с турбиной. Помогите опознать D39; U1 (шестиногий шим); R37; R39; С14. Это все в ИИП.
Фото позже покажу, разрядился фот.

|
|
стопыч
Фанат форума
Сообщения: 3167
|
вот мои фотки
ДОБАВЛЕНО 15/03/2016 14:09
На транзисторе Q1 недоглядел буковки. Вот выпаял. Что за транзистор?



2016-03-15_124312.jpg 90.92 КБ Скачано: 300 раз(а)
|
|
victorx
Передовик
Сообщения: 2116
|
| полевик,какой не понять,можно например поставить 6N60(куча аналогов) |
|
I.Cherry
Фанат форума
Сообщения: 4953
|
|
victorx
Передовик
Сообщения: 2116
|
R37 100om
ДОБАВЛЕНО 15/03/2016 14:31
R39 вроде какие то цифры есть,а так от 100ом до1к может быть |
|
стопыч
Фанат форума
Сообщения: 3167
|
U1-SG6848, sot23? так?
ДОБАВЛЕНО 15/03/2016 15:38
R39-1,2k; R37-100ом. шим SG6848 sot23; А транзистор подберу. ШИМки такой нет в наличии. Завтра в городе куплю. Спасибо! Пока тему не отмечаю, запущу ИИП - тогда отмечу. |
|
стопыч
Фанат форума
Сообщения: 3167
|
ШИМок таких в Таганроге нет!!! Придется заказывать и ждать. Тему пока не закрываю. |
|
стопыч
Фанат форума
Сообщения: 3167
|
ШИМки пришли. R39-1,2k; R37-100ohm; SG6848; полевик 6-ти амперный (какой нашел); R41-1,2ohm(обрывник). Запустилось на столе без обвязки с ошибкой Е03. Ура! Ранее ниразу не попадались такие ШИМки, поэтому и небыло у меня. И выдрать неоткуда. Теперь есть!  |
|