| Автор | Сообщение |
|
sifon-borada
|
Предистория..
Ну вот и я достал свою Вегу МП-120 из кладовки которая досталось мне от отца, решил я восстановить данный аппарат так как очень много воспоминаний связанно с ней и моим детством, с первой записью и прослушиванием. Последний раз когда я её включал помнится были проблемы со скоростью воспроизведения т.е она плавала как по волнам, сегодняшнее включение спустя 5 лет показало немного другую картину скорость вроде бы нормальная, но вот звук в одном канале его нет совсем от туда прослушиваеться сетевой фон причём с меняющейся тональностью, а второй канал играет ну очень тихо, ручку громкости на преде выкручиваю до максимума и еле слыхать и также со всевозможными шумами и помехами, а когда выключаеш магнитофон то НЧ динамики готовы выпрыгнуть из корзины т.е идет бросок напряжения.Также после включения магнитофона светяться все сегменты уровня воспроизведения на табло.
Включение проводилось без платы компандерного шумоподавителя. Да и ещё хотел спросить какие датчики холла используються в ЛПМ, ДХК-0.5П вроде
из наличия имею только ДХК-0.5 не критична ли замена ?
Так как сервисное управление в полном порядке работает все как в инструкции то думаю начать поиски неисправности с УВ и далее по каскадам. Правильно ли будет если подавать на вход УВ 1кГц 1мв и смотреть прохождение сигнала ?
Товарищи комрады не оставте меня одного с этой бедой помогите оживить аппарат. Очень уж хочеться послушать аналог да и ещё на этом столь "дорогом" мне магнитофоне.
Сегменты2.jpg 122.08 КБ Скачано: 817 раз(а)
|
|
viktor_ramb
Сам себе начальник
Сообщения: 23835
|
sifon-borada, про высыхание литов слышал? Если понял намёк -действуй!
"borada" - пишеться через "О"  |
|
Sergej
Передовик
Сообщения: 2684
|
| sifon-borada, по +-15 литики в первую очередь, после мостика (то ли мостов), ну и viktor_ramb дело пишет.. |
|
serega-64
Старший модератор
Сообщения: 10180
|
| sifon-borada писал: | | Правильно ли будет если подавать на вход УВ 1кГц 1мв и смотреть прохождение сигнала ? |
Пока не до того, все литы под замену, без исключения (желательно новые или провереные) и только после этого какие то выводы делать. |
|
Sergej
Передовик
Сообщения: 2684
|
serega-64, толку-то с генератора?
Нормально записанная кассета не хуже (есть ведь и износ головок). Если уж подавать, то 0.3 Мв, или меньше - из-за возможных перегрузок при 1 мв.. |
|
n max
Модератор
Сообщения: 17598
|
| тут тотальной замены литов хватит-головки там сендастовые должны стоять мой девайс лет 8-10 отпахал и головы ещё были гут пока плм не грохнулась |
|
serega-64
Старший модератор
Сообщения: 10180
|
| Sergej, А я что говорю? Хотя уже и так ясно, что тема просится в мусор, ТС - офф-лайн, а мы тут какого хр... знаниями блистать в собственном соку. |
|
|
sifon-borada
|
Ничего тема не проситься в офф, благодарю всех за ответы, все нормально сегодня займусь заменой конденсаторов на свежие, вчера внешний вид приводил в норму, а сегодня займусь технической частью.
Поменял значит все конденсаторы, проблема осталось такой же еле слышно в одном канале второй молчит и на индикаторе светяться все сегменты. Как то давно я пробовал его отремонтировать и менял транзисторы в кп303 в выходных каскадах, и теперь из за этого вполне может не играть но почему на индикаторе светяться все деления вот вопрос ? Сейчас буду пробовать отключать контакты ПКИ и ЛКИ которые идут на индикатор посмотрим чё покажет он тогда. |
|
|
sifon-borada
|
Отключил каналы левый и правый от индикатора и один фиг светяться все сегменты кроме первых и последних. при прикосновении к контактам загораються и они.
ДОБАВЛЕНО 20/08/2012 14:20
Все питающие напряжения в норме отличаються не более чем на 0,5 Вольт. |
|
Sergej
Передовик
Сообщения: 2684
|
sifon-borada, там в индикаторе вроде генератор на полевичке был, К10-7 мрут как мухи (эт красные керамические конденсаторы) - мы на КМы меняли.. Ну и микра, бывает.. Статики не любит
Да от индикатора пока отстань, потом вылечишь. Не с того начал, сделай, чтобы пел как надо |
|
|
sifon-borada
|
На данный момент имею следующее магнитофон запел во все свои 2 канала с нормальной громкостью ( дело было в моей старой пайке когда менял в выходных каскадах КП303Е не заметил соплю припоя на полевике) но что то уж сильно он шумит т.е в паузе сильно слышно низко частотный фон и прочии "зуд" но это я думаю из за монтажа так как при старой пайке отрывал дорожки и соединял всё это дело доволно большими проводками. (получались своеобразные антенны) сейчас выпаял все полевики которые менял раньше и думаю поставить вместо них BF245В (вроде они полные аналоги 303х).В общем пока звук решил оставить и заняться индикатором в нем менял К157УД2 и после замены сегменты на индикаторе не светились и не прыгали в такт музыки а потом через некоторое время сначала стал полностью гореть левый канал а за ним и правый. т.е все сегменты снова загорелись вот.
Sergej, по поводу генератора на полевике не могли бы вы мне подсказать какой именно, на плате индикации КП вообще нет только кт315.
Да и как ещё проверить КП 303 с помощью цифрового мультиметра вроде в интернете говорят что с цифровым прибором не всегда это удаеться только со стрелочным можно точно сказать рабочий или нет, когда меряю мультиметром он между СТОКОМ и ИСТОКОМ показывает падение напряжения равному 200 причем в обе стороны это нормально ?
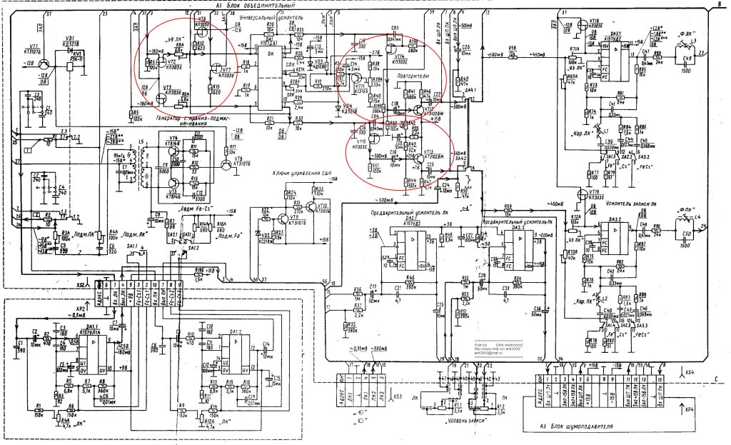
Схемы прелагаю красным обвел что менял.
| Блок индикации (А4).jpg |
| Описание: |
|
| Размер файла: |
207.94 КБ |
| Просмотрено: |
980 раз(а) |

|
Блок объеденительный (А1) часть1.jpg 186.64 КБ Скачано: 630 раз(а)
|
|
|
sifon-borada
|
| Товарисчи ну кто что подскажет по поводу индикатора. |
|
Sergej
Передовик
Сообщения: 2684
|
sifon-borada, похоже, насчёт генератора я с "Маяком"-"Радиотехникой попутал..
Генератор на этих микрах если и собран, то на выводах 5-6-10. (осторожно, статики эта серия и правда боится!)
Что-то мне подсказывает, что дефект не в индикаторе. Разберись с низкочастотным фоном
1. Запас напряжения по стабилизаторам достаточный? (банки после мостов, диоды)
2. Не лезь менять полевики, если не уверен в необходимости замены, тем более печать у тебя после паек отваливается.. |
|