ESpec - мир электроники для профессионалов


LG SB74 короткое по питанию

  Список форумов » Музыкальные центры и усилители

Следующая тема · Предыдущая тема
АвторСообщение
retwer 
Новичок
Сообщения: 19
 
Сообщение #1 От 16/07/2018 14:10 цитата  

Короче говоря поставил друг жучок вместо предохранителя и получил бабах
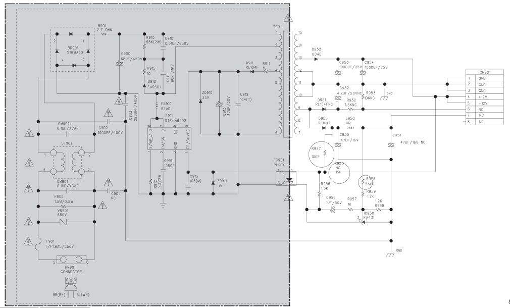
Выгорели ic911 (str-a6252), R901 (2,7 Om 5W), R912 (0,3/2W)
После замены сответствующих элементов есть 12 В на 5 ноге ic911 но на трансе нули на выходе на всех ногах...проверил D910, D911, R911 все в порядке...
подскажите пожалуйста что может быть еще?
Схему БП приложил

  01_LG SB74_Страница_28.jpg  58.89 КБ  Скачано: 551 раз(а)
birluk 
Передовик
Сообщения: 2209
birluk
 
Сообщение #2 От 16/07/2018 14:59 цитата  

Эл литы и стабилитроны (заменой),резисторы на соответствие номиналам,оптопару(заменой),меряешь прямо на выводах транса? Неправильно,меряй после выпрямителей.Вторичку прошерсти.
Цитата:
После замены сответствующих элементов есть 12 В на 5 ноге ic911
не мало? Даташит глянь.В STRке уверен,может брак?
retwer 
Новичок
Сообщения: 19
 
Сообщение #3 От 16/07/2018 15:45 цитата  

Ok заменю эл.литы и стабы, но на вторичка 0-ли, а откуда там быть чему-либо если на вторичке транса ноль?
retwer 
Новичок
Сообщения: 19
 
Сообщение #4 От 18/07/2018 18:39 цитата  

После моста 243в
retwer 
Новичок
Сообщения: 19
 
Сообщение #5 От 19/07/2018 15:45 цитата  

Всем спасибо, заработало...был еще пробит стабилитрон zd911 на 11 В...

ДОБАВЛЕНО 19/07/2018 16:47

Здесь есть поднятие репутации? Как отблагодарить человека?

Перейти: 
Следующая тема · Предыдущая тема
Показать/скрыть Ваши права в разделе

Интересное от ESpec


Другие темы раздела Музыкальные центры и усилители



Rambler's Top100 Рейтинг@Mail.ru liveinternet.ru