ESpec - мир электроники для профессионалов


Sven Ha-385 пропадает звук

  Список форумов » Музыкальные центры и усилители

Следующая тема · Предыдущая тема
АвторСообщение
anikienkos 
Заглянувший
Сообщения: 2
 
Сообщение #1 От 24/01/2025 09:47 цитата  

Всех приветствую, нужна помощь в определении проблемы с акустикой SVEN. Проблема следующая.

После включения акустики (через тумблер сзади саба, не через пульт) акустика работает, звук есть во всех динамиках чистый, без хрипов. спустя может минут 10 начинает пропадать звук во всех колонках, потом опять появляется, и интервал пропадания звука уменьшается, и потом звук пропадает совсем. При нажатии на кнопку проверки звука на пульте тоже тишина.

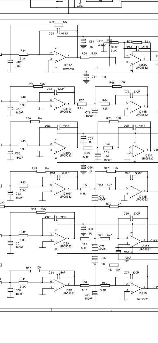
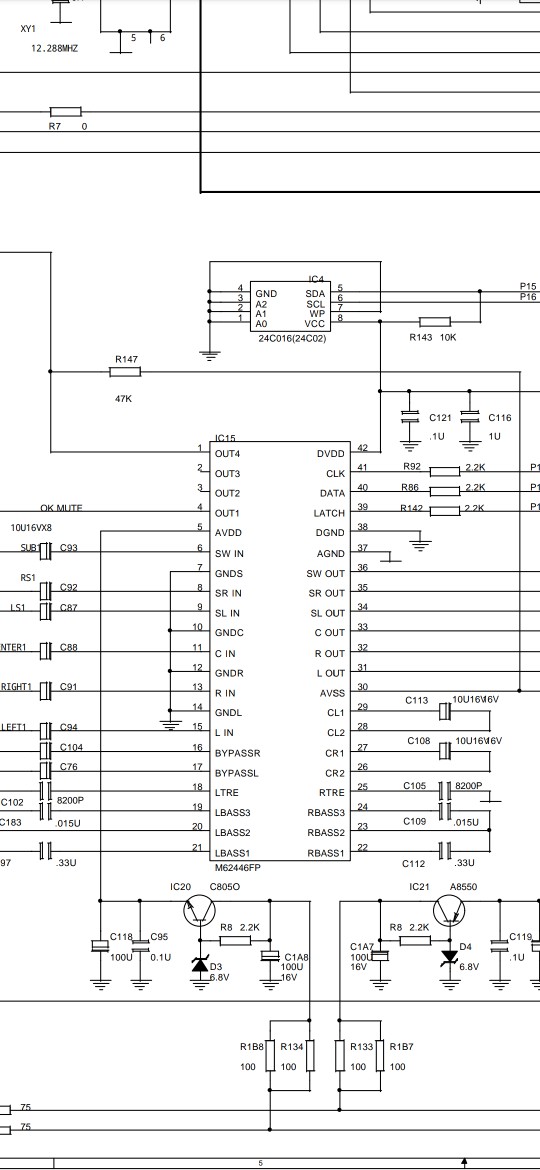
Что было сделано: поменяны электролиты по питанию микросхем IC1,2,3,5,6,7,9,15. Питания 5, 3.3, +15 и -15 не просажены, мерял прям на микросхемах. Сигнал цифры RX2 и аналогового входа AIN3R/L доходят до CS4226 (проверял осциллографом), на выходе CS4226 AOUT1-6 сигнала нет. (т.е. он сначала есть, а потом пропадает.) если щупом прикасаться к AOUT1-6 то в колонках слышно наводку поканально (значит усилители работают исправно).

Если опять тумблером отключить акустику, и через полчаса включить, звук опять есть и потом пропадает.

Прошу помощи, куда дальше копать уже не знаю. А и еще один момент заметил, когда звук есть, прикасаясь к земле щупом, звук пропадает секунду и опять появляется.

  __________sven_ha-385_196 (1).pdf  132.63 КБ  Скачано: 98 раз(а)
  sven_ha-385_sp (1).pdf  138.61 КБ  Скачано: 86 раз(а)
SerPan62 
Передовик
Сообщения: 1656
SerPan62
 
Сообщение #2 От 24/01/2025 11:23 цитата  

anikienkos, как то так попонятнее будет...

ДОБАВЛЕНО Пт 24 Янв, 2025 17:34

А.

  Screenshot_20250124_172002_com.google.android.apps.docs_copy_540x1170.jpg  71.82 КБ  Скачано: 108 раз(а)
  Screenshot_20250124_173035_com.google.android.apps.docs_copy_540x1170.jpg  108.7 КБ  Скачано: 91 раз(а)
  Screenshot_20250124_173046_com.google.android.apps.docs_copy_540x1170.jpg  102.6 КБ  Скачано: 83 раз(а)
  Screenshot_20250124_173053_com.google.android.apps.docs_copy_540x1170.jpg  91.6 КБ  Скачано: 84 раз(а)
anikienkos 
Заглянувший
Сообщения: 2
 
Сообщение #3 От 24/01/2025 14:23 цитата  

Спасибо, схемы добавил в шапку

Перейти: 
Следующая тема · Предыдущая тема
Показать/скрыть Ваши права в разделе

Интересное от ESpec


Другие темы раздела Музыкальные центры и усилители



Rambler's Top100 Рейтинг@Mail.ru liveinternet.ru