ESpec - мир электроники для профессионалов


Схема samsung D830

  Список форумов » Мобильные телефоны и смартфоны

Следующая тема · Предыдущая тема
АвторСообщение
Dill Kroko 
Завсегдатай
Сообщения: 718
Dill Kroko
 
Сообщение #1 От 27/12/2012 14:01 цитата  

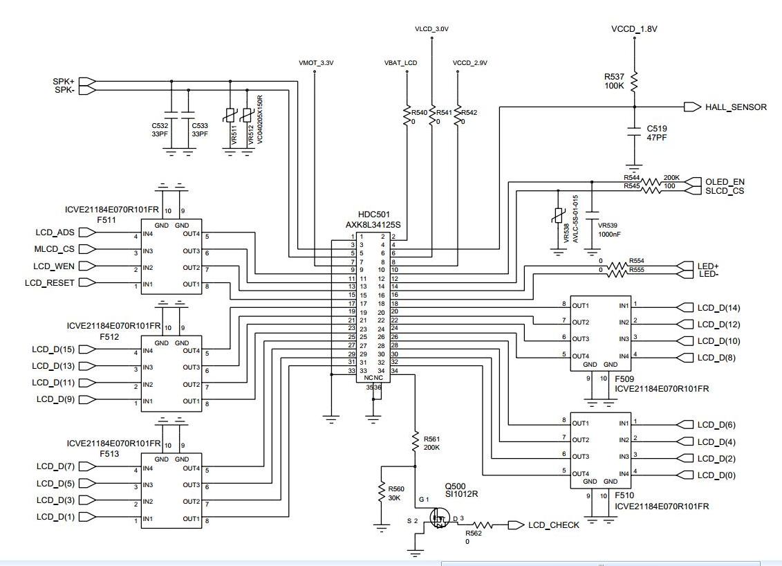
Помогите пожалуйста разобраться в схеме.
Белый экран, дисплейную часть подкидывал другую, без изменений. Пропаял коннектор. Что за элемент isve21184e070r101fr? Сборка какая то? прозванивается по 100Ом input-output
Зачем нужен Q500?

  Безымянный.JPG  113.52 КБ  Скачано: 419 раз(а)
rommy 
Модератор
<B>Модератор</B>
Сообщения: 3188
rommy
 
Сообщение #2 От 27/12/2012 21:56 цитата  

Dill Kroko писал:
Что за элемент isve21184e070r101fr? Сборка какая то? прозванивается по 100Ом input-output

Да сборка.
Их лучше удалить и заменить перемычками.
Dill Kroko 
Завсегдатай
Сообщения: 718
Dill Kroko
 
Сообщение #3 От 29/12/2012 09:52 цитата  

спасибо. Порылся по форумам - это варисторы. Заменил перемычками - также. Подкинул второй запасной комплект - работает. Причина в верхней части.
Сандро 
Завсегдатай
Сообщения: 413
 
Сообщение #4 От 29/12/2012 15:31 цитата  

Dill Kroko писал:
Порылся по форумам - это варисторы. Заменил перемычками - также

Варисторы заменил перемычками? замешательство
Dill Kroko 
Завсегдатай
Сообщения: 718
Dill Kroko
 
Сообщение #5 От 30/12/2012 08:12 цитата  

я их на место поставил. Побоялся оставлять перемычками. Там всетаки сопротивление порядка 100 Ом идет.

Перейти: 
Следующая тема · Предыдущая тема
Показать/скрыть Ваши права в разделе

Интересное от ESpec


Другие темы раздела Мобильные телефоны и смартфоны



Rambler's Top100 Рейтинг@Mail.ru liveinternet.ru