| Автор | Сообщение |
|
yar75
|
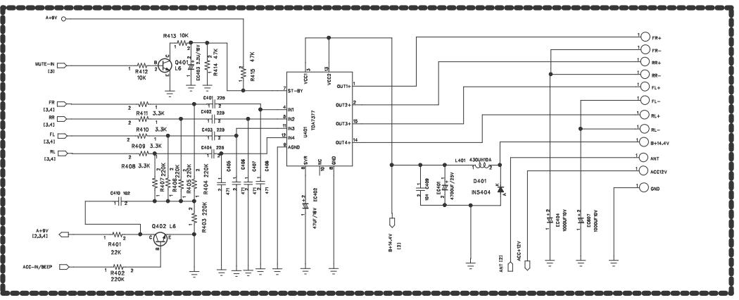
Может ребята у кого есть схемка к такому или фото разъёма всё перерыл ни где не могу найти


|
|
serega-64
Старший модератор
Сообщения: 10180
|
| yar75, В разделе есть отдельная тема по подключению, там и смотри, как правило все уже давно расписано, главное не лениться. |
|
|
yar75
|
| всё просмотрел не поленился не нашёл такой модели |
|
|
RW0
|
| yar75 писал: | | всё просмотрел не поленился не нашёл такой модели | такие 14 пиновые (ISO разъемы),
используются на подобных магнитолах этой серии ,и не только... |
|
Серж66
Фанат форума
Сообщения: 5771
|
забей на название, забей на схему, ни того ни друго нету и не будет.
блин визуально найти можно только крышки снять.
1 и 3 с краёв.с какой стороны.не скажу пробовать надо.
В верхнем ряду, чаще всего такое подключение. |
|
|
RW0
|
|