| Автор | Сообщение |
|
ирекан
|
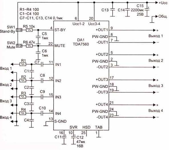
| пришел с неисправностью не вылазит диск. нет звука. вход на унч есть от приемника.диск извлек ручным путем. микросхему ТDA-7561 заменил на тда 7560 в лавке сказали что аналог.по даташиту не спец.но не разберусь с 4 ножкой и 25. 22. |
|
jurij+
Фанат форума
Сообщения: 30657
|
| Цитата: | | ТDA-7561 заменил на тда 7560 в лавке сказали что аналог |
Мощно.
Не аналоги,и да же не рядом.
У TDA7560 , 25 пин HSD при вкл, там +12в.
Процессор был очевидно сильно удивлён такой наглости.
 |
|
|
ирекан
|
| Спасибо.! значит не переделать. ТDA-7561- 4 н. СD OUT это вход с дисковода что ли. Может кто подскажет аналог или у кого есть опыт по переделке этого УНЧ. |
|
birluk
Передовик
Сообщения: 2209
|
|
jurij+
Фанат форума
Сообщения: 30657
|
| 1- Зачем аналог, если оригинал без проблем приобрести можно? |
|
birluk
Передовик
Сообщения: 2209
|
| jurij+ писал: | | 1- Зачем аналог, если оригинал без проблем приобрести можно? | только стОит ли? Возможно он внёс дополнительные неисправности после установки ,,аналога".
ДОБАВЛЕНО 13/03/2019 08:05
| ирекан писал: | | СD OUT это вход с дисковода что ли. | мм-да-а уж... |
|