ESpec - мир электроники для профессионалов


Емкостной балласт для светодиодной лампы

  Список форумов » Мастерская Самоделкина

Следующая тема · Предыдущая тема
АвторСообщение
Meat_12237 
Заглянувший
Сообщения: 5
 
Сообщение #1 От 13/02/2012 20:43 цитата  

Здравствуйте.

Помогите, пожалуйста, подобрать конденсатор для включения параллельно светодиодной лампе.

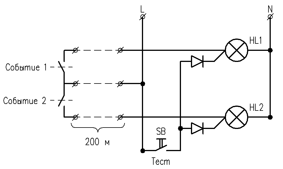
Допустим, существует приведенная в файле схема диспетчеризации. Переменное напряжение 220 В. В качестве индикаторов используются светодиодные лампы.

Проблема № 1: слабое свечение светодиодных ламп от наведенного на двухстах метрах напряжения.
Проблема № 2: светодиодные лампы потребляют малый ток, который не открывает диод при тесте ламп.

Подключение конденсатора должно решить обе проблемы. Только какой емкости его взять ? Какие проблемы могут возникнуть?

Решения типа подключить параллельно резистор, применить реле или лампы накаливания заслуживают быть примененными, но в данный момент уже рассмотрены и не интересны.

  Схема.GIF  9.15 КБ  Скачано: 1157 раз(а)
sofrina 
Модератор
<B>Модератор</B>
Сообщения: 4833
sofrina
 
Сообщение #2 От 13/02/2012 21:03 цитата  

Meat_12237, щит телесигнализации, и зачем тянуть на двести метров силовое напряжение, можно же через понижающий транс, иначе все лампы скорее всего будут подсвечивать от наводящегося напряжения
Meat_12237 
Заглянувший
Сообщения: 5
 
Сообщение #3 От 13/02/2012 21:20 цитата  

Телесигнализация не подойдет. Требуется кондовая и наипростейшая схема.

Понижающий трансформатор потянет за собой узлы для пониженного напряжения, которые не купишь в обычном магазине, а это плохо для эксплуатационщиков.
sofrina 
Модератор
<B>Модератор</B>
Сообщения: 4833
sofrina
 
Сообщение #4 От 13/02/2012 21:41 цитата  

здесь поищи http://www.radioamator.ru/publ/svetodiodnyj_indikator_toka_v_cepjakh_s_emkostnym_ballastom/10-1-0-687
Meat_12237 
Заглянувший
Сообщения: 5
 
Сообщение #5 От 13/02/2012 22:01 цитата  

Спасибо. Подробней ознакомлюсь позже.

Придумал новое название темы: "Какой конденсатор можно засунуть в розетку, чтобы он не сгорел в течение длительного времени ?".
-20 dB 
Фанат форума
Сообщения: 7674
-20 dB
 
Сообщение #6 От 13/02/2012 22:01 цитата  

Meat_12237, введи параллельно светодиодной лампе резистор утечки из расчёта НЕ обеспечения на лампе амплитудного напряжения, равного или бОльшего падению напряжения на светодиодах лампы в прямом направлении, и будет тебе радость. Проще говоря - уменьши активное сопротивление линии (до момента зажигания светодиодной лампы оно равно практически бесконечности). Для непонятливых - подключи параллельно индикатору переменный резистор и уменьшай сопротивление, пока свечение не исчезнет. Измерь получившееся сопротивление, и замени постоянным с сопротивлением, в 2 раза меньшим измеренного.
Meat_12237 
Заглянувший
Сообщения: 5
 
Сообщение #7 От 13/02/2012 22:21 цитата  

Боюсь, не скоро смогу попробовать. Можете примерно оценить, какое сопротивление потребуется ?

Решение с резистором было ранее опробовано. Резистор подбирался из условия не превысить рассеиваемую мощность и температуру в 50-60 градусов. Используя найденную где-то в Интернете методику подбора, были установлены резисторы на 3,2 МОм.

Сейчас ищу холодное решение.
-20 dB 
Фанат форума
Сообщения: 7674
-20 dB
 
Сообщение #8 От 13/02/2012 23:49 цитата  

Какие 3,2 МОм? Лампочки что, киловольтные, что ли? Даже при сопротивлении резистора 10 кОм и напряжении 24 В, на нём выделится 58 милливатт. Милли!!! Это 0,06 Вт. Какой нагрев? Какое "холодное решение"? Вы о чём? Вот и попробуйте 10 кОм, это даст дополнительную утечку тока 2,4 мА при напряжении 24 В. Это Вас сильно озаботит? Не думаю. если, конечно, для питания ламп те самые наводки не используются. Ну, если на 220 В лампы - ну, возьмите 200...620 кОм.

ЗЫ: и какие, нафиг, расчёты в Интернете? Что, известны напряжение наводок и их эффективная мощность? Кабели одинаковой длины и проходят по локациям с одинаковой энергией наведённых полей? Моцк не парьте, из простой логики исходите, да?
m.ix 
Master Mixa
Сообщения: 1972+
m.ix
 
Сообщение #9 От 14/02/2012 00:54 цитата  

первая буква могёт означать миллиомы
Meat_12237 
Заглянувший
Сообщения: 5
 
Сообщение #10 От 16/02/2012 10:26 цитата  

Основные усилия направлены на решение Проблемы №2 - не работает тест светодиодных ламп.

Хотелось бы услышать рекомендации по варианту с конденсаторам.

ДОБАВЛЕНО 16/02/2012 11:33

По варианту с резистором.
Методика взята отсюда: http://lynxaudio.narod.ru/articles/power_electronics/power_resistors.pdf, рисунок №11. Принята рассеиваемая мощность резистора, равная 0,2 Вт. Режим работы лампы - непрерывный, отсюда требование к температуре. Согласно методике, необходимо решить уравнение 0,2=220*220/R*1*1*1*1*1*1*13. Решение R=3,2 МОм.
-20 dB 
Фанат форума
Сообщения: 7674
-20 dB
 
Сообщение #11 От 16/02/2012 15:13 цитата  

О ужас... Особенно знаменатель. Откуда это ...1*1*1*1*1...? Что такое 13? Вы кандидатскую по термодинамике резисторов пишете, или практическую задачу решаете? Обратимся к более популярной литературе, aka учебник по физике для школы, раздел "Электричество". Имеем:

P =U * I;
I = U /R, следовательно:

P = (U ^ 2) / R, и отсюда:

R = (U ^ 2) / P.

Я нигде не ошибся?

Тогда... Дано:
U = 220 В;
P = 0,2 Вт

Решение (устно):
R = (220 ^ 2) / 0,2 = 484000 / 2 = 242000 Ома, или 240 кОм (ближаший из ряда Е24). ОТКУДА 3,2 МОм? Или Вы 0,2 Вт НА ВСЮ ГРУППУ ламп отпустили? Так, помилуйте, любезнейший - у Вас сами лампы жрут в разы больше. Будем на копейках отыгрываться, рубль отдавши?

И вообще, Вы же в "Самоделкине..." Какие расчёты? А попробовать? И я с Вами за компанию из эмпирика высокого полёта в какого-то очкастого ботана превращаюсь...
недовольство, огорчение

То же и с конденсаторами. Формулу расчёта реактивного сопротивления конденсатора по ёмкости для частоты 50 Гц Вам дать или сами найдёте? Хотя, учитывая, что нагрев конденсатора вообще практически незаметен, его можно взять с гораздо большей ёмкостью (с меньшим реактивным сопротивлением), однако тут прячется ещё одна "радость" - во время коммутации, особенно если этот момент придётся на пиковое напряжение в сети, через конденсатор потечёт нехилый зарядный ничем не ограниченный ток. И выгорать Ваши коммутирующие элементы будут, как "энтузиасты" на строительстве Беломорканала. Оно Вам надо? Да и габариты у Вашей конденсаторной нагрузки будут...

ДОБАВЛЕНО 16/02/2012 18:22 PM

Meat_12237 писал:
Проблема № 2: светодиодные лампы потребляют малый ток, который не открывает диод при тесте ламп.

Ой ли? Але у Вас диодики ВЛ200 в развязке стоят?
подмигивание смех

А попробуйте-ка у одной лампочки концы местами махнуть. Заработало? От то-ж... Не все лампы одинаково полез... тьфу: двуполярны. И светодиодные особенно... Тип лампы хде? Лучше - ссылка на мануал...
юрий911 
Участник
Сообщения: 191
 
Сообщение #12 От 16/02/2012 17:21 цитата  

нас стояли светодиодные лампы c конденсатором 4мкф на 1000в между нолем и питающей фазой ,ламп было 18-20 штук на шиту растояния от датчиков до ламп от 80до 300 метров (лампы типа АД-22s устройство кондюк паралельно резистор +сведодидная матрица)

Перейти: 
Следующая тема · Предыдущая тема
Показать/скрыть Ваши права в разделе

Интересное от ESpec


Другие темы раздела Мастерская Самоделкина



Rambler's Top100 Рейтинг@Mail.ru liveinternet.ru