| Автор | Сообщение |
Витькан
Завсегдатай
Сообщения: 610
|
Здравствуйте, уважаемые коллеги.
ИСТОРИЯ. Имеется блок питания, который построен на базе APFС+PWM микросхеме CM6800. Схемы прилагаю.
ПРОБЛЕМА. Когда блок питания нагружен примерно на 200Вт по линии +12В, то по всем линиям напряжения (+12В, +5В, +3.3В) появляются пульсации с частотой 100Гц. Если снять нагрузку (отключить 3D режим) пульсации пропадают. То есть пульсации с периодичностью в 100Гц замечены только под нагрузкой. Графики приложены.
ЧТО СДЕЛАНО. Поскольку пульсации обладают периодичностью в 100Гц, то возникли мысли, что проблемы с активным корректором коэффициента мощности. Поэтому, в первую очередь было обращено внимание на форму напряжения электролитического конденсатора APFC (390uFx400V). Корректор держит напряжение на уровне 380В. Провалов не замечено. Осциллограммы приложены.
ВОПРОСЫ. Господа, может быть, есть идеи, в какую сторону копать? Напряжение на банке корректора в норме. Пульсации с периодичностью в 100Гц только под нагрузкой. Пульсации мешают только тем, что в звуковом канале появляется соответствующий треск.
Рисунок 1 – Пульсации напряжения по линии +5В (под нагрузкой)
Рисунок 2 – Пульсации напряжения по линии +3.3В (под нагрузкой)
Рисунок 3 – Пульсации напряжения по линии +12В (под нагрузкой, самые большие)
Рисунок 4 – Напряжение на электролите APFC (под нагрузкой, держит 380В)
Рисунок 5 – Пульсации напряжения на электролите APFC (под нагрузкой, размах примерно 15В)
Год назад, блока питания уже ремонтировался. Тогда была проблема в напряжении по +5В, которое внезапно падало до +4В. Проблема была решена путем замены резисторов делителя напряжения, с которого поступает напряжение на цепи магнитного стабилизатора +5В.





Sirtec.pdf 140.31 КБ Скачано: 287 раз(а)
|
|
БЕЗЫМЯННЫЙ
Бегущий по граблям
Сообщения: 7608
|
| Последняя картинка это синусоида 100 гц амплитудой 15 в на банке корректора? И простите мою неосведомленность, на чем выполнен в приложенной схеме магнитный стабилизатор +5в? |
|
Витькан
Завсегдатай
Сообщения: 610
|
| БЕЗЫМЯННЫЙ писал: | | Последняя картинка это синусоида 100 гц амплитудой 15 в на банке корректора? И простите мою неосведомленность, на чем выполнен в приложенной схеме магнитный стабилизатор +5в? |
Да, все так. Это пульсации на банке корректора.
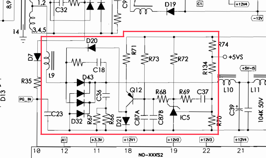
Магнитный стабилизатор выполнен на базе насыщающегося дросселя и его обвязки. В схеме выделил фрагмент.
| +5В.png |
| Описание: |
|
| Размер файла: |
204.16 КБ |
| Просмотрено: |
346 раз(а) |

|
|
|
БЕЗЫМЯННЫЙ
Бегущий по граблям
Сообщения: 7608
|
| Напряжение на банке совсем не в норме если учесть 15 в пульсаций имхо. |
|
Витькан
Завсегдатай
Сообщения: 610
|
| БЕЗЫМЯННЫЙ писал: | | Напряжение на банке совсем не в норме если учесть 15 в пульсаций имхо. |
Сомневаюсь, что это не норма. Вот, например, я разобрал еще один блок питания ETG ESP-500-12G-A. На выходе корректора электролит 180uFx400V. Графики пульсаций напряжения на конденсаторе APFC и пульсации на линии +12В прилагаю. Пульсации на кондере корректора 10В. А на +12В линии - пульсации с частотой 100Гц не замечены.
Поэтому, считаю, что дело не в пульсациях на электролите корректора.
Господа, есть ли еще предложения?


|
|
Witewut
Завсегдатай
Сообщения: 310
|
| ocz 550w zs series c 2011 года, пора уже электролиты на тему C/ESR померять. Дроссель APFC вроде сендастовый? |
|
Витькан
Завсегдатай
Сообщения: 610
|
| Witewut писал: | | ocz 550w zs series c 2011 года, пора уже электролиты на тему C/ESR померять. Дроссель APFC вроде сендастовый? |
Ну да, блок уже совсем "не свежий", если так можно выразиться. Материал дросселя APFC - неизвестен, я предполагал, что порошковое железо.
Когда ремонтировал блок питания по +5В линии, то все выходные конденсаторы заменил на WL Jamicon по линиям +5В, +3.3В, +12В, -12В.
ESR конденсаторов тут не причем, если бы был высокий ESR - тогда имели бы место высокочастотные пульсации (ШИМ), а на картинках же мы видим частоту в 100Гц.
Я предполагаю, что здесь что-то с обратной связью по напряжению. Стабилизация здесь организована относительно линии +12В.
Возможно, под высокой нагрузкой обратная связь становится менее стабильной. И блок начинает колебаться. Но при этом колебания, естественно, затухающие. Но не понятно происхождение колебаний. Почему он начинается "раскачиваться".
Вообщем, думаю, нужно копать с сторону цепей стабилизации напряжения.
Ожидаю новых рекомендаций и предложений... |
|
Witewut
Завсегдатай
Сообщения: 310
|
|
Витькан
Завсегдатай
Сообщения: 610
|
| Witewut писал: | Варёнуха, ты человеческий язык понимаешь? я понимаю что лень , замерь 390uF 400V...
Вот блин дожили осцилл у народа есть а простейшего измерителя на Mega328 нема.... |
Пожалуйста, не горячитесь по пустякам...
Пробовал ставить другой конденсатор на выходе корректора, а именно 330uFx450V - картина никак не меняется.
Если бы дело было в емкости и ESR - тогда бы картинки были бы совсем другие, и я бы тут не создавал тему.
При проблемах с ESR и недостаточной емкости - были бы значительные высокочастотные пульсации, которых тут нет.
Вы видели графики напряжения при высоком ESR?
Господа, эксперты, есть конкретные предложения по сути вопроса? |
|
БЕЗЫМЯННЫЙ
Бегущий по граблям
Сообщения: 7608
|
| Мелкие литы вокруг ic7 есть? Если да, то тотальная проверка или замена. И еще из области бреда, проверь вентилятор на предмет потребляемого тока. |
|
Витькан
Завсегдатай
Сообщения: 610
|
| БЕЗЫМЯННЫЙ писал: | | Мелкие литы вокруг ic7 есть? Если да, то тотальная проверка или замена. И еще из области бреда, проверь вентилятор на предмет потребляемого тока. |
Рядом с IC7 (CM6800) стоит один электролит - 10uFx50V. Больше электролитов нет. Напряжение питания у микросхемы - я смотрел, оно без пульсаций (минимальные).
Также я смотрел смотрел импульсы на затвор-исток транзисторов Q7 и Q9, которые коммутируют первичную обмотку транса к электролиту корректора C1 - там все хорошо, прямоугольник с амплитудой 15В. Видно, как "дышит" система, по изменяющемуся коэффициенту заполнения ШИМ импульсов. Промежутков, когда отсутствуют импульсы не замечены. IC7 работает стабильно.
Также смотрел напряжение на резисторах R32 (R31) ("датчики" тока первичной обмотки транса) - Там картина симметрична пульсациям напряжения на 12В линии. То есть когда на линии +12В заметный провал напряжения (в процессе колебания), то на этих резисторах - (точно такой же симметричный колебательный процесс) значительно повышается падение напряжения. То есть ШИМка отрабатывает "просадку" напряжения на +12В - стремясь увеличить коэффициент заполнения импульсов у ключей Q7 и Q9.
Обратная связь, как видно, работает, но откуда-то раскачка берется... буду дальше копать... |
|
Witewut
Завсегдатай
Сообщения: 310
|
а дроссель APFC из чего?
до сих пор не написано ни C ни ESR 390uF 400V?
а также поменянного C и ESR 330uF 400V?
100 Hz как раз удвоенная частота сетевого, что наводит на размышления о правильном питании первичного контура.
Как раз такие пульсации и вылазят при недостатке ёмкости сглаживающей цепи выпрямленного входного напряжения. |
|
Витькан
Завсегдатай
Сообщения: 610
|
| Witewut писал: | а дроссель APFC из чего?
до сих пор не написано ни C ни ESR 390uF 400V?
а также поменянного C и ESR 330uF 400V?
100 Hz как раз удвоенная частота сетевого, что наводит на размышления о правильном питании первичного контура.
Как раз такие пульсации и вылазят при недостатке ёмкости сглаживающей цепи выпрямленного входного напряжения. |
1.Предполагаю, что материал сердечника дросселя - это 52 смесь порошкового железа (кольцо светло-зеленого цвета).
2. Измерить ESR и С у электролитов корректора в обоих вариантов - нет возможности.
3. Предположении о связи пульсаций с частотой 100Гц и первичных цепей блока питания было указано в самом первом посте в абзаце под названием "ЧТО СДЕЛАНО".
4. Witewut я очень ценю вашу поддержку. Вы обращаете внимание, исключительно, на необходимость проверки и замены электролитических конденсаторов, и я с вами согласен, что в блоках питания, в том числе, с большим сроком службы нужно менять электролиты. Но здесь другой случай...
5. Электролитическая банка на выходе корректора - заряжается и разряжается, исключительно, импульсными токами. Если бы ESR был большим, то на графиках напряжения была бы широкая высокочастотная "борода". А ее нету.
6. Предположение, о недостаточности емкости электролита корректора - то же под сомнением. Поскольку при 380В на банке, пульсации составляют всего 15В. И эти пульсации корректируются (отрабатываются) путем изменения длительности работы транзисторов первичной обмотки силового трансформатора. Я же разобрал другой блок ETG на 500W, нагрузил его по 12В линии - и на конденсаторе корректора были пульсации 10В.
7. Witewut на рисунке приведена схема обратной связи. Поясните, пожалуйста, почему анод светодиода оптрона запитывается не с выходной емкости (после дросселя), а перед дросселем?

|
|
Witewut
Завсегдатай
Сообщения: 310
|
Электролитическая банка на выходе корректора - заряжается и разряжается, исключительно, импульсными токами. Если бы ESR был большим, то на графиках напряжения была бы широкая высокочастотная "борода". А ее нету.
про бороду не знаю, но если бы пользовались программкой Старичка CalcPFCRing то заметили, что там можно задавать пульсации и очевидно же что они на сетевой частоте. То есть контур APFC получает на сетевой частоте а отдаёт на 100 KHz. пульсации с первички очень даже запросто пролазят во вторичку, это было у Артамонова в fcenter
Если дроссель салатово-голубой, то порошок №52 - уже наверно перегрелся, срочно заменить на сендаст 27-33 мм
7. честно не знаю, но у обратноходов как-то очень гладко всё выходит во вторичке. |
|
Витькан
Завсегдатай
Сообщения: 610
|
| Witewut писал: | Электролитическая банка на выходе корректора - заряжается и разряжается, исключительно, импульсными токами. Если бы ESR был большим, то на графиках напряжения была бы широкая высокочастотная "борода". А ее нету.
про бороду не знаю, но если бы пользовались программкой Старичка CalcPFCRing то заметили, что там можно задавать пульсации и очевидно же что они на сетевой частоте. То есть контур APFC получает на сетевой частоте а отдаёт на 100 KHz. пульсации с первички очень даже запросто пролазят во вторичку, это было у Артамонова в fcenter
Если дроссель салатово-голубой, то порошок №52 - уже наверно перегрелся, срочно заменить на сендаст 27-33 мм
7. честно не знаю, но у обратноходов как-то очень гладко всё выходит во вторичке. |
1. Главная задача корректора, как известно, это обеспечить совпадение формы отбираемого от сети тока с формой питающего напряжения (синусоидальная форма + cosFI=1).
Как известно, в активном корректоре, сетевое напряжение выпрямляется (в 100Гц пульсирующее) далее подключается дроссель, транзисторный ключ, диод и выходная банка (ну вообщем по структуре это повышающий преобразователь напряжения BOOST).
Опять же, как известно, напряжение на банке держится на уровне 380-400В - то есть оно гораздо больше выпрямленного сетевого напряжения (220*1,41=310В).
Повышение напряжения на электролитической банке корректора обеспечивается, благодаря запасу энергии в дросселе, который коммутируется на "минус" при помощи транзисторного ключа. Затем ключ закрывается, дроссель отдает свою энергию через диод в конденсаторную банку, за счет чего обеспечивается повышение напряжения на электролитической банке корректора.
Транзисторный ключ корректора мощности также работает на высоких частотах (десятки-сотни кГц).
Поэтому электролитическая банка корректора тоже заряжается импульсными токами.
2. То что на банке электролита есть пульсации с частотой 100Гц - это норма, поскольку корректор не может идеально поддерживать напряжения, так как с моста, выпрямленное напряжение - обладает пульсирующей формой, падая до нуля...
3. На моем другом блоке питания (ETG 500W) при банке корректора 180uFx400V и пульсациях на ней в размере 10В , пульсации с частотой 100Гц отсутствуют на линии +12В при ее существенной нагрузке.
4. То что пульсации пролезают в нагрузку и у меня и еще у других блоках питания - есть "патология", в причине которой надо разбираться. Транзисторы коммутирующие первичную обмотку силового транса работают с заполнением примерно в 25%, то есть у ШИМки есть возможность "прибавить-убавить" заполнение, чтобы обеспечить стабилизацию напряжения на нагрузке. Но преобразователь почему-то раскачивается.
5. Заменить дроссель корректора на другой материал у меня нет возможности, да и смысла особого я не вижу...
Вообщем, буду дальше разбираться... Промежуточные результаты буду выкладывать. |
|
Witewut
Завсегдатай
Сообщения: 310
|
180uF на 550w это конечно круто, помнится у FSP Bluestorm II 500W было вначале 470 потом 420 потом 390uF.
я уже заколебался дросселя APFC из говнопорошка менять, ДГС если достаточной величины - ОК. хотя в одном Т130-52 пришлось поменять (tacens valeo 900w по факту 500 ватник) |
|
|
kopatych
|
Очень похоже кратковременный пробой в высоковольтной части.
Возможно что шьёт керамика или диод , в первичке трансформатора.
Так же и в самой первичке трансформатора межвитковый пробой.
Есть ещё идея про возбуд , паразитная генерация , тогда осцилографом пробежатся от ШИМ до силовых каскадов найти источник. |
|
Витькан
Завсегдатай
Сообщения: 610
|
Господа, вообщем ситуация следующая.
В цепи питания видеокарты (RX 570 pulse itx), по линии 6pin +12В - поставил советский токовый шунт 75ШСМ3-50-0,5 (75мВ - 50А).
Результаты измерения при частичной и полной загрузке видеокарты, а также пульсации напряжения - приведены на рисунках 1 и 2.
Вообщем суть в том, что видеокарта, вне зависимости от степени загрузки ГПУ потребляет по линии +12В ток, который является пульсирующим. Есть некоторая постоянная составляющая, которая существенно изменятся в зависимости от загрузки ГПУ видеокарты. Даже при полной нагрузке, отсутствии ограничений по мощности, температуре, кадрам - все равно карточка сбрасывает потребляемый ток по линии +12В. А блок питания в свою, очередь регулирует выходные напряжения. Поэтому, можно сделать вывод, что блок, по сути работает корректно.
Но возникает вопрос, что пульсации пролезают по линиям +5 и +3.3В, хотя по каждой такой линии стоит свой магнитный стабилизатор. Понятно, что если бы там стояли импульсные DC-DC преобразователи - проблем бы не было...
Господа, вопрос, возможно ли как-то доработать магнитные стабилизаторы по линиям +5В и +3.3В, чтобы минимизировать низкочастотные пульсации? Или же магнитный стабилизатор обладает низким быстродействием и это не имеет смысла?
1.png 31.73 КБ Скачано: 327 раз(а)
2.png 34.2 КБ Скачано: 289 раз(а)
|
|
|
kopatych
|
| При чуствительности в 50 мВольт ,любой импульсный БП тебе подобную срань покажет. |
|
Витькан
Завсегдатай
Сообщения: 610
|
Вообщем господа. Результат следующий.
Подключил материнскую плату от одного блока питания, а саму видеокарту от другого блока питания. Шумы по "звуку" остались. Видимо, у видеокарточки зона регулятора напряжения ГПУ (VRM) так разведена, что создает сильные магнитные поля, которые воздействуют на звуковую карточку в лоте PCI.
Всем спасибо за поддержку. Блок OCZ ZS550W полностью исправен.
Админы закройте тему. Мусолить ее далее нет необходимости. |
|

|