| Автор | Сообщение |
|
Mosfet1
|
Добрый день форумчане. Поздравляю всех с приближающимся праздником Победы.
Обращаюсь к гуру по ремонту БП. Этот блок разжеван от и до на
разных форумах, но оказывается есть еще нюансы. В блоке вылетела
дежурка, которая легко была восстановлена. Но блок не запустился.
Не запускается ШИМ. Здесь, понятно, причин море, но вот тут и есть нюанс.
На шине 12 вольт торчит 1.4 вольта, чего никак не должно
быть. На поиски проблемы потратил очень много времени и решил
оставить блок на донора. Но пробежав еще раз по форумам, на rom.by натолкнулся на точно такой же вопрос.
http://www.rom.by/forum/InWin_PowerMan_IW-P300A2-0_ne_startuet_dezhurka_v_norme
Решения проблемы там не нашел. Зарегистрироваться на форум не
смог и поэтому обращаюсь здесь. Понимаю, что многие скажут
выброси ты это старье, но комп используется на станке ЧПУ и
там продвинутый БП не требуется, да и InWin_PowerMan_IW-P300A2-0 не из худших и довольно легко поддается ремонту.
Буду очень признательным на любые ответы. |
|
V_I_K
Передовик
Сообщения: 1200
|
| Mosfet1 писал: | Понимаю, что многие скажут
выброси ты это старье, но комп используется на станке ЧПУ и
там продвинутый БП не требуется, да и InWin_PowerMan_IW-P300A2-0 не из худших и довольно легко поддается ремонту.
Буду очень признательным на любые ответы. |
1.Многое, что из старого железа используется в очень дорогом пром. оборудовании. Сталкивался и не раз. Поэтому если Вы обслуживаете подобное, или суете туда свой нос, будьте добры храните ЗИП для этого.
2. Раз Вы "назвались груздем" и полезли его чинить. А за ремонт ЧПУ(любого) можно "нарисовать" и реально получить и 200 и даже 400 тыщ рублей чистого дохода. То разгребайте эту халабуду сами.
3. Я могу Вам помочь только тем, что продать такой рабочий блок (у меня есть и ЗИП на эти блоки, и сами блоки в сборе (не менее 30-ти видов самых разных модификаций)).
PS был тут случай, сдохла платка серийная (контроллер), но снятая с пр.ва. в одной коробочке размером 10 на 10 на 10 см, коробочка стоила рабочая у производителя 18.000евро.....
Платка стоила 120 евро. (но никто ее продать не мог).
Хозяину станка (прибора) за 150.000 евро. пришлось купить новый блок за 18.000евро...
Где платка за 120 евро, и где 18.000евро?....Чуете "прикуп"?
Так что "знал бы прикуп, жил бы в Сочи"....
| Mosfet1 писал: | | и довольно легко поддается ремонту. |
У Вас просто не хватает квалификации, знаний, и компонентов ЗИП.
Былобы легко, Вас бы тут НЕ БЫЛО!
Ковыряться в этом ископаемом БП 10-ти летней давности, у меня даже за 10 тыров нету никакого желания. Могу позырить только в закромах такой рабочий и все. Перечинил этого хлама в свое время тьмищу. Не вижу никаких в этом проблем. Раз Вы не можете значит Вы хреновый ремонтник. |
|
gonzo
Винтокрут
Сообщения: 4376
|
V_I_K, быстренько прекращаем гнуть пальцы, и помогаем участнику. Если нет, то скромно молчим. Я давно за вами наблюдаю. и флуда саморекламного не потерплю!  |
|
V_I_K
Передовик
Сообщения: 1200
|
| gonzo писал: | | помогаем участнику. | Могу ему распаять на детали рабочий такой блок, и выслать. Рассыпухой.. ...
А Вы лучше подскажите как квоту файлов изменить, почикать старые файлы (не нужные и не актуальные). |
|
|
JohnK
|
| Mosfet1, Тему в соответствии с правилами оформите. |
|
gonzo
Винтокрут
Сообщения: 4376
|
|
V_I_K
Передовик
Сообщения: 1200
|
По цене ремонта ЧПУ целиком могу выслать.. ....гыыы... в ЦСИ писал толку ноль (там есть мое сообщение). |
|
gonzo
Винтокрут
Сообщения: 4376
|
| V_I_K, ясно все с вами. Просто молчите в этой теме. И ждите ответа в ЦСИ. |
|
павлик 22
Сам себе на уме
Сообщения: 1137
|
|
viktor_ramb
Сам себе начальник
Сообщения: 23835
|
Mosfet1,| Цитата: | На шине 12 вольт торчит 1.4 вольта, чего никак не должно
быть. |
Если силовая часть молчит, значит напруга "просочилась" только через цепи контроля выходных напруг, ну а дальше просто ! |
|
|
Mosfet1
|
| JohnK писал: | | Mosfet1, Тему в соответствии с правилами оформите. |
На форум с вопросами не выходил, в основном только читаю.
Подскажите, что я сделал не верно? |
|
V_I_K
Передовик
Сообщения: 1200
|
| Mosfet1 писал: | | JohnK писал: | | Mosfet1, Тему в соответствии с правилами оформите. |
Подскажите, что я сделал не верно? |
Это форум общения специалистов со специалистами, но никак не форум выспрашиваний тех кто НЕ умеет, у тех кто умеет.
Но однако вот такие как Вы горемастера с одной темой и одним сообщением, пытаются сделать из форума бесплатную техническую консультацию, как починить все что угодно за нохаляву, путем выспрашивания на техническом форуме.
О том, что Вы сделали не верно, читайте в правилах.
Капец вообще куда мы катимся, ходит он тут только читать. |
|
|
JohnK
|
| Так, ругань я удалил, больше терпеть ее не буду. |
|
|
Morlock
|
| Шота тут расплодились. Надо резать и чертям, а то не понимают. |
|
|
Mosfet1
|
павлик 22
Спасибо. Это, конечно, выглядит иждевенчески, но я пытаюсь найти конкретный ответ. Я писал,
что решил блок отложить на донора, но случайно натолкнулся на такой же вопрос, заданный несколько лет назад.
Вот и подумал, что такая же беда могла быть еще у кого нидь. Ведь БП довольно распространенный.
ДОБАВЛЕНО 28/04/2014 09:44
viktor_ramb
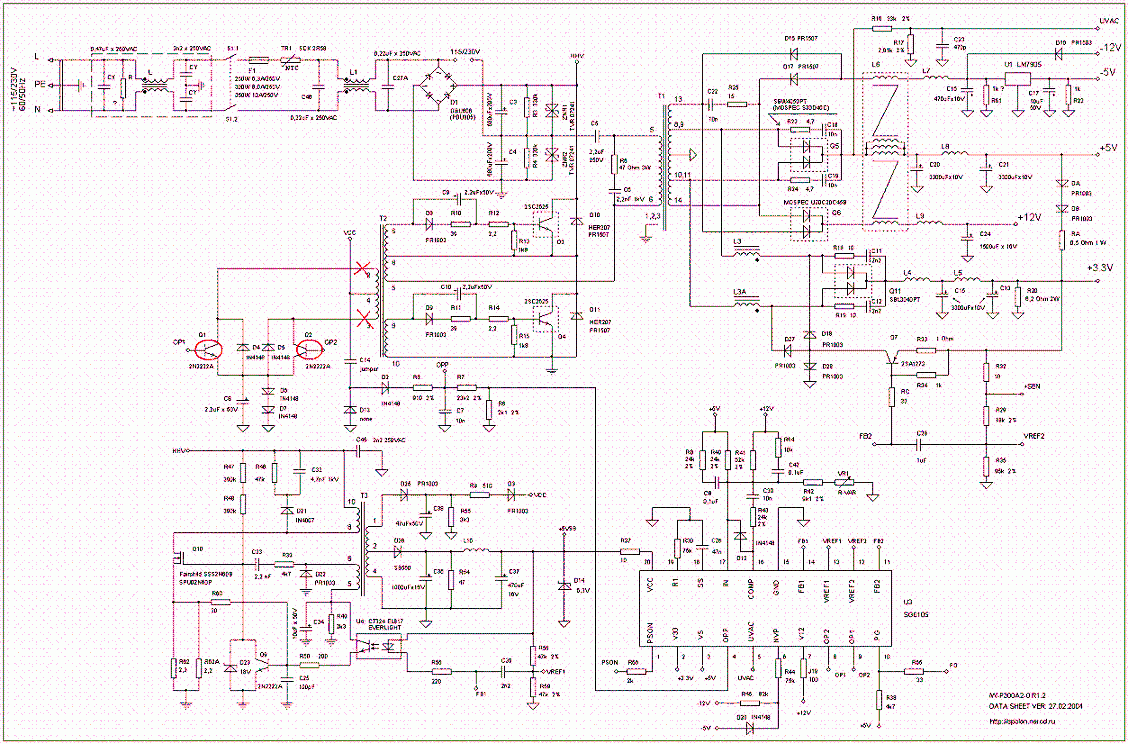
Спасибо. Проблему пока не решил. Есть еще одно интересное кино, но начну все по порядку. Дежурка начинает
работать от 15 в. переменки (блок питаю от ЛАТР). Вrлючаю PS-ON, ШИМ не работает. Греется R9 (схема во
вкладке), грешу на транзисторы Q1 и Q2, меняю на новые, ничего не изменилось. Грешу на Т2.
Продолжение следует.
ДОБАВЛЕНО 28/04/2014 09:55
viktor_ramb
Продолжение:
Выпаиваю и ставлю в рабочий блок, блок работает, ставлю на место. Коллекторные ноги Т2 изолирую от
пятачков. 6 и 1 ноги SG6105 сажаю на землю, включаю PC-ON. ШИМ работает. PC-ON оставляю включенным. Переменку довожу до нормы.
Кратковременно замыкаю одну из изолированных ног с пятачком, блок запускается.
Окончание следует.
300.GIF 95.91 КБ Скачано: 1595 раз(а)
|
|
|
Mosfet1
|
viktor_ramb
Окончание:
Замеряю выходные напряжения, сильно завышены, кроме дежурки. Убавляю переменку и ЛАТР-ом выставляю 5 вольт.
Замеряю все напряжения, все ОК. Нагрузка стоит на 5 и 12. Вот такое кино.
Ноги Т2 в воздухе, а блок работает еще и на заниженной переменке.
Жду коментариев. |
|
igor.phoenix
Юный радиолюбитель
Сообщения: 1416
|
| Mosfet1, трудно достичь результата, когда не понимаешь, что делаешь. |
|
павлик 22
Сам себе на уме
Сообщения: 1137
|
|
павлик 22
Сам себе на уме
Сообщения: 1137
|
| igor.phoenix писал: | | Mosfet1, трудно достичь результата, когда не понимаешь, что делаешь. |  |
|
|
Mosfet1
|
Извиняюсь, забыл отписаться.
Меня ввело в заблуждение. после ремонта дежурки, наличие 1.4 вольта на 7 ноге SG6105 в деж. режиме. Оказывается, что для
этой ШИМ, это нормально. Причина оказалась банальной, сдох транзистор Q7 2SA1273. О замене деталей в дежурке:
1. Электролит С34 10.0х50в меняю на SMD 1206 1.0х50в, 10 шт. параллельно. Цена 1р. за штуку.
Продолжение следует.
ДОБАВЛЕНО 05/05/2014 07:58
2. Все электролиты 2.2х50в меняю на К10-17б 2.2х40в.
3. Вместо D14 некоторые рекомендуют ставить стабилитроны типа КС, этого делать нельзя. При превышении напряжения он
уйдет в обрыв или разлетится и ШИМ накроется. Нужно ставить только защитный диод. Я ставлю SA5.0. Можно другие,
подходящие по параметрам защитные диоды, но у них толстые выводы.
Всем спасибо. |
|