| Автор | Сообщение |
|
serg1972
|
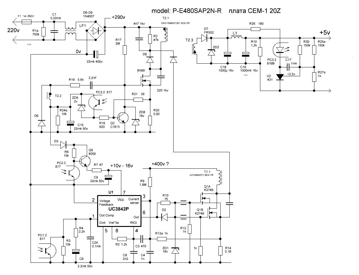
Доброго всем времени суток. Принесли такой блок после горе спеца, но не в этом соль. Дежурка собрана на транзисторах К2608 и С1815. Помогите определить стабилитрон ZD4 (между входным конденсатором 270х450 и затвором полевика) отсутствует на плате. И R12 (между минусом входного конденсатора и трансформатором дежурки). Стоял 1,2 Ом, в обрыве, уже менялся. Сомневаюсь в номинале. На всяк случай прилагаю фото (нужное отметил овалами). ZD1 возле платки с ШИМ кстати пробит, как собственно и полевик. Если кому чего подсказать по другим частям блока, обращайтесь, пока он у меня на руках.
1066 — копия.jpg 196.84 КБ Скачано: 497 раз(а)
|
|
Michael666
Завсегдатай
Сообщения: 542
|
|
|
serg1972
|
| Со стабилитроном определился 18V, а вот с резистором R12 немного не сходится схема с реальностью. Может у кого есть в разборе такой, что бы наверняка.... |
|
Michael666
Завсегдатай
Сообщения: 542
|
|
|
serg1972
|
Огромное спасибо. Да не лень абсолютно, но там где нашел, цвета почти не различались. А по вашей ссылке на первом фото видно нормально 3,3 Ом. Ор. Ор. Зол. Зол. вроде так. А то может я не только лентяй, но и дальтоник Поправьте, если не правильно рассмотрел. |
|
Michael666
Завсегдатай
Сообщения: 542
|
Вроде так .  |
|
|
serg1972
|
| Просто нет слов. Восстановил все на свое место, не нашлось К2608, ближайшее что было К3797. Меньше напруги, но в пределах, за то по току выше. Все резюки перепроверил, полупроводники само собой. Результат не утешил, молчит дежурка. Ни пол вольта. Оптопару поменял, выход по холодной стороне не замкнут. Единственно что только керамические кондеры на не менял. Может есть у этих блоков какой секрет ? |
|
Michael666
Завсегдатай
Сообщения: 542
|
| А выгоревший резистор около банки ? |
|
|
serg1972
|
|
Michael666
Завсегдатай
Сообщения: 542
|
|
|
serg1972
|
| В схеме звонится, выпаивать сегодня уже нет времени. Как промеряю обмотки, отпишусь. Michael666 спасибо за диалог. |
|
Michael666
Завсегдатай
Сообщения: 542
|
serg1972, не за что . Я просто никогда не заморачивался восстановлением "лица по черепу " - дежурки лепил и леплю из подручных материалов ( трансформаторов /мс итд ) и только тогда , когда основной БП заводился при подаче "дежурки" из вне . Как по мне - ЭТО реанимировать вообще не стОит . Купить какой нибудь INWIN POWER REBEL со всеми конденсаторами на 470х16 и переделать - там даже с 450ки можно ватт 600 вытянуть и схематотехника неплохая . |
|
|
Yopopt2
|
Добрый день!
Прошу прощения за поднятие темы, не хочу Начинать новую. Есть такой же БП, но под маркой Chieftec.
При включении в сеть раздался хлопок и запахло палёным. Осмотрев, обнаружил сгоревший R12, пробитый K2608, закороченные ZD1 и ZD4, оплавленную ножку оптопары и у C10 ёмкость вместо положенных 47 мкФ была 32 мкФ. Всё заменил. Дежурка появилась 5,11 вольта, но блок не запускается. В процессе проверки начал дымить резистор рядом с большой банкой. Сейчас звонится как 10 ом, хотя по маркировке был 22.
Подскажите от чего это может быть? Я дилетант в этом. Спасибо! |
|