| Автор | Сообщение |
|
0720
|
колупаюсь с сабжем уже который день, но пока никак не добью
предыстория довольно типичная: сначала запускался с десятого-двадцатого раза, потом и вовсе перестал запускаться
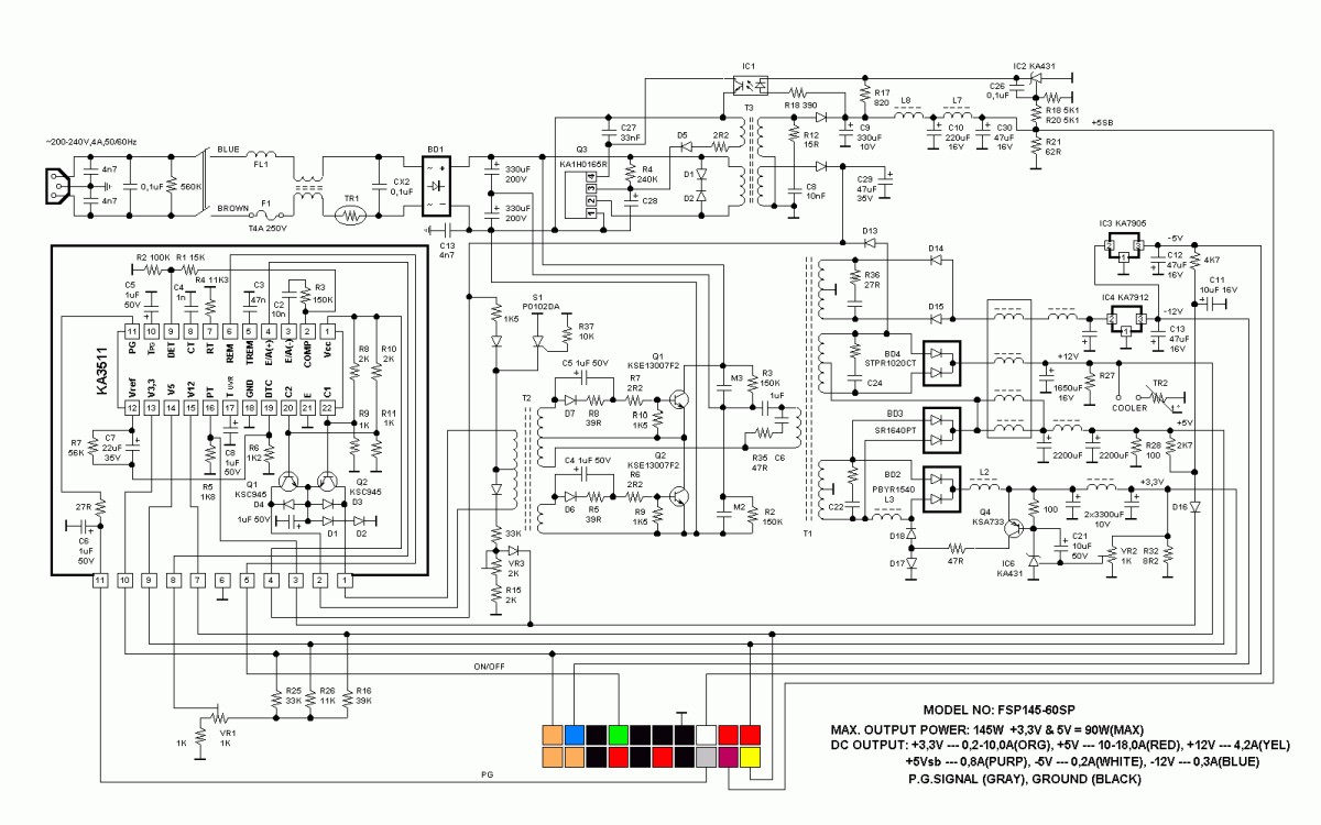
БП древний и хорошо известный, схема есть — хотя в реале немного и отличается, например добавлен дроссель пассивного PFS, убран подстроечник дополнительной защиты VR3, номиналы немного другие кое-где, но это не критично
дежурка у него на автоколебательной микросхемке KA1H0165R с обраткой на 431 и оптроне, основной шим он же супервизор с обвязкой на отдельной платке — KA3511, есть еще отдельная обратка в линии 3.3V с подстройкой напряжения
до разборки: на дежурке 4.15V, на PS-ON 4.65V, козы на выходных линиях нет, а при попытке запуска вентилятор чуть дрыгается и блок сразу уходит в защиту
открыл, почистил, обнаружил следы старых ремонтов (что не удивительно при таком почтенном возрасте старикашки, судя по маркировке элементов он примерно 2001-2002 года выпуска), прогаров и копченостей нет, потёков электролита нет, на вид всё плюс-минус достойно, если не считать когда-то восстановленных кем-то дорожек в низковольтной части
прозвонил поверхностно всё что можно, заменил все электролиты кроме силовых банок 330мкф 200V, включая мелкие 1мкф в цепях баз ключей, — причем пухлых было на удивление немного, один в дежурке и парочка на выходах, но конечно у всех выходных ESR совсем печальный
дежурка теперь 4.96V, на PS-ON 4.65V так и осталось
но всё равно не хочет запускаться, — хоть без нагрузки (только на свои резисторы), хоть нагруженный на свою родную мамку, хоть на другую
дёргает вентиль и всё
посоветуйте куда дальше копать, в этом корпусе поменять блок питания реально можно только на в таком же формфакторе, а добыть здесь блок TFX за вменяемые деньги практически нереально, так что придётся этот лечить
вот смотрю что питалово на ноге 1 микрухи KA3511 всего 11.45V, а судя по даташиту это как-то маловато (там 20V typ, 40V max), но ведь БП стартует же, и только потом уходит в защиту (видимо, по контролю выходных напряжений, но это только предположение), да и повысить его пока не вижу как, — может оно такое и должно быть?
понимаю, что это конечно некроремонт, но может поможете реанимировать старичка, в этом слимкорпусе ему ещё жить и жить..
fsp145-60sP.jpg 170.79 КБ Скачано: 630 раз(а)
ka3511.pdf 230.64 КБ Скачано: 351 раз(а)
|
|
Fanttom
Передовик
Сообщения: 1441
|
|
БЕЗЫМЯННЫЙ
Бегущий по граблям
Сообщения: 7608
|
| Fanttom, откуда такая уверенность? Нашел первоисточник темы? |
|
|
0720
|
да с чего бы бот? что за паранойя? по существу есть что сказать? |
|
Витькан
Завсегдатай
Сообщения: 610
|
| 0720 писал: | | да с чего бы бот? что за паранойя? по существу есть что сказать? |
Значит не бот! Тогда имеет смысл рассматривать тему.
0720, У вас в первом посту целое сочинение, в котором не выделены главы... Читать такой материал вообще нет желания.
Опишите конкретно проблему.
- КАКОЙ узел конкретно не работает (дежурный блок или силовой блок),
- Что именно не работает в конкретном блоке (первичная цепь или вторичная),
- Что конкретно сделано (В неисправном блоке проверено то-то, то-то, а то-то и то-то под сомнением) |
|
|
0720
|
| Витькан писал: | | 0720 писал: | | да с чего бы бот? что за паранойя? по существу есть что сказать? |
Значит не бот! Тогда имеет смысл рассматривать тему.
0720, У вас в первом посту целое сочинение, в котором не выделены главы... Читать такой материал вообще нет желания.
Опишите конкретно проблему.
- КАКОЙ узел конкретно не работает (дежурный блок или силовой блок),
- Что именно не работает в конкретном блоке (первичная цепь или вторичная),
- Что конкретно сделано (В неисправном блоке проверено то-то, то-то, а то-то и то-то под сомнением) |
ну там же написано что сделано — осмотрено, прозвонено на кз, и заменены все электролиты кроме силовых банок, после чего напряжение +5VSB пришло в норму (+4.96V)
похоже, что теперь дежурка в порядке, но всё равно нет полной уверенности, поскольку дежурка хоть и выдаёт на 5VSB 4.96 вольт, но здесь она должна выдавать не только 5 вольт для 5VSB, но и ещё какое-то питание для КА3511 (на 1 ноге), и по факту там 11.45 вольт, а сколько должно быть я не знаю (по даташиту неясно, там только написано что максимальное значение Vcc 40 вольт, а типичное 20 вольт, но минимального не указано, может 11.45 и достаточно, хз)
и с силовой частью тоже не всё понятно, потому что на КА3511 срабатывает какая-то защита контроля выходных напряжений, а этих защит там несколько, на 13, 14 и 15 ноге контролируются линии +12, +5 и +3.3 (причем как овервольтаж, так и андервольтаж), а на 16 ноге тоже что-то контролируется, но я из схемы не понял что именно
то есть непонятно, то ли сама КА3511 глючит из-за низкого питания (11.45 вольт), то ли действительно что-то не так с выходными напряжениями или что-то мешает на 16 ноге (вот с ней вообще ничего непонятно, может её тупо заземлить и посмотреть что будет?)
поэтому и прошу помощи коллективного разума, мне опыта не хватает |
|
Витькан
Завсегдатай
Сообщения: 610
|
Значит давай по порядку и не спешить никуда...
У тебя КА3511 стартует от напряжения конденсатора C29 47uFx35V который заряжается от дополнительной обмотки трансформатора T3 через диод, а затем "подхватывается" основным БП через диод D13. C29 желательно заменить или проверить...
На выводе VCC (КА3511) у тебя 11.45 вольт - КОГДА? когда только дежурка работает?
Выходные электролиты менял? по +3.3, +5, +12, -12, -5 ? |
|
|
0720
|
| Витькан писал: | Значит давай по порядку и не спешить никуда...
У тебя КА3511 стартует от напряжения конденсатора C29 47uFx35V который заряжается от дополнительной обмотки трансформатора T3 через диод, а затем "подхватывается" основным БП через диод D13. C29 желательно заменить или проверить...
На выводе VCC (КА3511) у тебя 11.45 вольт - КОГДА? когда только дежурка работает?
Выходные электролиты менял? по +3.3, +5, +12, -12, -5 ? |
С29 47uFx35V заменен на новый (хотя он и не был вспухшим)
выходные электролиты все тоже новые (были вспухшие в линиях +12 и +5)
На выводе Vсс (1-я нога КА3511) 11.45 вольт ВСЕГДА, то есть и в момент включения блока, и потом после срабатывания защиты таким и остаётся, но я не уверен что это мало, может оно там и должно быть 11.45 вольт |
|
s.fed
Завсегдатай
Сообщения: 539
|
| 0720 писал: |
но и ещё какое-то питание для КА3511 (на 1 ноге), и по факту там 11.45 вольт, а сколько должно быть я не знаю (по даташиту неясно, там только написано что максимальное значение Vcc 40 вольт, а типичное 20 вольт, но минимального не указано, может 11.45 и достаточно, хз)
|
Все в даташите написано "Supply voltage. Operating range is 14V~30V" |
|
Витькан
Завсегдатай
Сообщения: 610
|
| 0720 писал: | С29 47uFx35V заменен на новый (хотя он и не был вспухшим)
выходные электролиты все тоже новые (были вспухшие в линиях +12 и +5)
На выводе Vсс (1-я нога КА3511) 11.45 вольт ВСЕГДА, то есть и в момент включения блока, и потом после срабатывания защиты таким и остаётся, но я не уверен что это мало, может оно там и должно быть 11.45 вольт |
1. Если электролит не вспухший, это не говорит, что он "рабочий".
2. То есть блок питания сразу же уходит в защиту?
3. Нагрузи дежурку (линию +5VSB) и посмотри на меняется VCC на микросхеме КА3511. Возможно из-за того что дежурка на ХХ (холостом ходу) пониженное напряжение на VCC.
3.1 Держит ли дежурка нагрузку? не проседает? нагрузи резистором, чтобы ток был немного меньше, чем указано в спецификации.
4. Тем более, что далее КА3511 запитывается через D13, а там линия формирования +12В. Блок питания двухтактный и работает (предположительно) с мертвым временем 20% от периода, то есть 10% на полупериод. Тогда на VCC должно формироваться напряжение = 12В * 50% / 40% = 15В... Вообщем, на VCC должно быть в районе 15В.
5. Вообще блок питания должен быть нагружен... |
|
|
0720
|
1. Понятное дело, ESR же там у них ещё, да и утечка тоже.
2. Похоже что да, поскольку вентилятор чуть дергается при попытке запуска. Но может это и не срабатывание защиты, а такой неудачный запуск шимки с недостаточным питанием. К сожалению, я без осциллографа, так что импульсы посмотреть не могу.
3. 4. Понял, завтра всё сделаю, доложу о результатах.
5. Да он и нагружен (помимо внутренних нагрузочных резисторов), я его и пытаюсь запускать уже подключенным к мамке. |
|
Витькан
Завсегдатай
Сообщения: 610
|
0720,
1. ДА и высохнуть (потерять емкость) тоже могут.
2. Понятно. Может быть, а может и нет... Все может быть...
3. Вообщем сначала надо быть уверенным на 100% и более % в дежурке... А потом же разбираться в силовом блоке питания...
4. ОК... |
|
|
0720
|
| s.fed писал: | | 0720 писал: |
но и ещё какое-то питание для КА3511 (на 1 ноге), и по факту там 11.45 вольт, а сколько должно быть я не знаю (по даташиту неясно, там только написано что максимальное значение Vcc 40 вольт, а типичное 20 вольт, но минимального не указано, может 11.45 и достаточно, хз)
|
Все в даташите написано "Supply voltage. Operating range is 14V~30V" |
выходит, 11.45 маловато будет.. |
|
|
0720
|
подгрузил дежурку как мог, цементного мощного резистора нужного номинала не нашлось, но автомобильными лампочками добился тока в 1.6А, — напряжение просело незначительно, до 4.9в, это вроде бы в допуске
удивительно, но после всех манипуляций вентилятор почти перестал дёргаться при попытке запуска, то есть он всё равно дёргается, но гораздо слабее чем раньше, как бы щёлкает,
раньше было видно что он успевает сделать четверть оборота, а сейчас только маленький толчок и сразу стоп
но это всё на глаз, конечно.. |
|
Fanttom
Передовик
Сообщения: 1441
|
| 0720 писал: |
да с чего бы бот? что за паранойя? по существу есть что сказать? |
Извиняй.Ник странный.Фантазии на большее не хватило?:-D |
|
Витькан
Завсегдатай
Сообщения: 610
|
| Витькан писал: | | 3. Нагрузи дежурку (линию +5VSB) и посмотри как меняется VCC на микросхеме КА3511. Возможно из-за того что дежурка на ХХ (холостом ходу) пониженное напряжение на VCC. |
| 0720 писал: | | подгрузил дежурку как мог, цементного мощного резистора нужного номинала не нашлось, но автомобильными лампочками добился тока в 1.6А, — напряжение просело незначительно, до 4.9в, это вроде бы в допуске. удивительно, но после всех манипуляций вентилятор почти перестал дёргаться при попытке запуска, то есть он всё равно дёргается, но гораздо слабее чем раньше, как бы щёлкает, раньше было видно что он успевает сделать четверть оборота, а сейчас только маленький толчок и сразу стоп, но это всё на глаз, конечно.. |
Опять у тебя "бла-бла-бла"... Все мимо ушей... нафиг...
Нагрузил ты дежурку, а толку та? как VCC КА3511 меняется?
Надо же отсечь вопрос с VCC КА3511...
У тебя дежурка какой ток держит до 1.0А или 2.0А?, а почему на схеме указано только 0.8А? У тебя схема соответствует?
С твоим подходом может быть миллион вариантов. И все не будут исключены тобою...
0. Разобраться с VCC КА3511
1. У тебя нет КЗ по выходу? Ты проверял? Как проверял?
2. У конденсаторов полярность не перепутал? Перевернутый электролит создает КЗ. Электролиты новые поставил? или БУ?
3. Выпрямительные диоды во вторичной цепи целые?
4. Твоя нагрузка (материнские платы) не убитые? а то может с пробитыми преобразователями подключаешь. Уверен в работоспособности плат? как именно?
5. Чтобы быть уверенным в работоспособности материнской платы - ПОДКЛЮЧАЮТ рабочий блок питания!
6. И еще, блок питания может уходить не только из-за КЗ по выходу, но и, например, из-за ПЕРЕНАПРЯЖЕНИЯ на ВЫХОДНЫХ линиях БП.
Ниже добавил схему на "FSP145-60SP" может поможет...
Вообщем не мучайся, ищи аналогичный блок питания, но рабочий...
Успехов!
FSP145-60SP.pdf 54.52 КБ Скачано: 304 раз(а)
|
|
|
0720
|
| Витькан писал: |
У тебя дежурка какой ток держит до 1.0А или 2.0А?, а почему на схеме указано только 0.8А? У тебя схема соответствует?
С твоим подходом может быть миллион вариантов. И все не будут исключены тобою...
0. Разобраться с VCC КА3511
1. У тебя нет КЗ по выходу? Ты проверял? Как проверял?
2. У конденсаторов полярность не перепутал? Перевернутый электролит создает КЗ. Электролиты новые поставил? или БУ?
3. Выпрямительные диоды во вторичной цепи целые?
4. Твоя нагрузка (материнские платы) не убитые? а то может с пробитыми преобразователями подключаешь. Уверен в работоспособности плат? как именно?
5. Чтобы быть уверенным в работоспособности материнской платы - ПОДКЛЮЧАЮТ рабочий блок питания!
6. И еще, блок питания может уходить не только из-за КЗ по выходу, но и, например, из-за ПЕРЕНАПРЯЖЕНИЯ на ВЫХОДНЫХ линиях БП. |
схема почти соответствует, я же в самом начале писал что есть небольшие отличия, но 99% совпадает
при нагружании линии 5VSB напряжение Vcc на 1 ноге КА3511 стоит как вкопанное 11.45 вольт и не меняется от нагрузки дежурки 5VSB
1. КЗ по выходу нет, проверял мультиметром, там звонятся номиналы нагрузочных резисторов (десятки ом).
2. Полярность не перепутал, конденсаторы новые и я их даже новые сначала проверяю китайским тестером на ESR и утечку, только потом впаиваю.
3. Выпрямительные диоды (и диодные сборки) в выходных цепях все целые, прозванивал тестером в режиме диода, но без выпаивания конечно. Было бы что-то подозрительное, тогда выпаял бы и проверял отдельно.
4. 5. Материнка рабочая, прекрасно работает с обычным БП, я подвесил обычный АТХ снаружи корпуса, с этого компа и пишу. Ну ты меня совсем за идиота не держи, это уже лишнее, я вообще-то знаю с какой стороны паяльник держать ))
6. Вот именно. И не только от перенапряжения, но и от недонапряжения выходных линий, в данном случае КА3511 мониторит как OVP так и UVP. И даже более того, там ещё что-то мониторится на 16 ноге КА3511, что тоже может уводить в защиту, но я не могу понять что именно там должно быть. |
|
s.fed
Завсегдатай
Сообщения: 539
|
| 0720, можно было бы попробовать от ЛБП запустить и посмотреть, от какого напряжения стартует ШИМка, но осциллографа нет. |
|
Витькан
Завсегдатай
Сообщения: 610
|
| 0720 писал: | | схема почти соответствует, я же в самом начале писал что есть небольшие отличия, но 99% совпадает |
ОК
| 0720 писал: | | при нагружании линии 5VSB напряжение Vcc на 1 ноге КА3511 стоит как вкопанное 11.45 вольт и не меняется от нагрузки дежурки 5VSB |
ОК
| 0720 писал: | | Ну ты меня совсем за идиота не держи, это уже лишнее, я вообще-то знаю с какой стороны паяльник держать )) |
ОК
| 0720 писал: | | И даже более того, там ещё что-то мониторится на 16 ноге КА3511, что тоже может уводить в защиту, но я не могу понять что именно там должно быть. |
1. Да, 16 нога - это тоже защита. Согласно, структурной схеме КА3511, когда на 16 ноге напряжение достигает 1.25В, то срабатывает защита по перенапряжению OVP.
2. Если смотреть на схему, которая была мною прилеплена, то на 16 ноге реализовано две защиты.
3. Защита 1. От перекоса между +5В и -5В (R22 и R23). Если перекос по этим напряжениям - отсутствует, то в узле R22 и R23 - потенциал близок к нулю (С11 разряжен, D16 - закрыт, на 16 ноге ничего нет...) Так что нужно разбираться есть ли +5В и есть ли -5В, а точнее какая между разница.
4. Защита 2. С этой защитой, немного сложнее. Так как она привязана к средней точке первичной обмотке трансформатора Т2, который управляет силовыми транзисторами. То есть напряжение на средней точке, когда преобразователь работает - постоянно изменяется в каком-то диапазоне. Вопрос в том, зачем за ним следить?
Вообщем, проверь, какое у тебя напряжение на 16 ноге КА3511, до запуска блока... Вообще до включения, то есть вставил в розетку и измерил.
И посмотри какое напряжение в узлу VR3 и D9. Не получается ли так, что изначально на 16 ноге высокий потенциал и поэтому блок в защите.
5. ДО запуска (то есть вставил в розетку) Какое напряжение на силовых конденсаторах (С1 и С2).
6. Сразу после запуска. Какое напряжение на силовых конденсаторах (С1 и С2). Оно одинаковое? или есть перекос?
7. Нашел в литературе объяснение принципа работы схемы защиты. Эта часть схемы очень похожа на рассматриваемый блок. Ниже прикрепил картинки. Это защита от перегрузки и от КЗ. Вполне, возможно, что блок у тебя уходит именно по КЗ. Но опять же нужно разобраться с предыдущими пунктами... Чтобы понять, ложное это срабатывание или нет...


|
|
|
0720
|
| Витькан писал: |
1. Да, 16 нога - это тоже защита. Согласно, структурной схеме КА3511, когда на 16 ноге напряжение достигает 1.25В, то срабатывает защита по перенапряжению OVP.
2. Если смотреть на схему, которая была мною прилеплена, то на 16 ноге реализовано две защиты.
3. Защита 1. От перекоса между +5В и -5В (R22 и R23). Если перекос по этим напряжениям - отсутствует, то в узле R22 и R23 - потенциал близок к нулю (С11 разряжен, D16 - закрыт, на 16 ноге ничего нет...) Так что нужно разбираться есть ли +5В и есть ли -5В, а точнее какая между разница.
4. Защита 2. С этой защитой, немного сложнее. Так как она привязана к средней точке первичной обмотке трансформатора Т2, который управляет силовыми транзисторами. То есть напряжение на средней точке, когда преобразователь работает - постоянно изменяется в каком-то диапазоне. Вопрос в том, зачем за ним следить?
Вообщем, проверь, какое у тебя напряжение на 16 ноге КА3511, до запуска блока... Вообще до включения, то есть вставил в розетку и измерил.
И посмотри какое напряжение в узлу VR3 и D9. Не получается ли так, что изначально на 16 ноге высокий потенциал и поэтому блок в защите.
5. ДО запуска (то есть вставил в розетку) Какое напряжение на силовых конденсаторах (С1 и С2).
6. Сразу после запуска. Какое напряжение на силовых конденсаторах (С1 и С2). Оно одинаковое? или есть перекос?
7. Нашел в литературе объяснение принципа работы схемы защиты. Эта часть схемы очень похожа на рассматриваемый блок. Ниже прикрепил картинки. Это защита от перегрузки и от КЗ. Вполне, возможно, что блок у тебя уходит именно по КЗ. Но опять же нужно разобраться с предыдущими пунктами... Чтобы понять, ложное это срабатывание или нет... |
а вот теперь реально спасибо, это ценная помощь, теперь буду с понедельника ковырять в этом направлении
а то всё про полярность электролитов да какой стороной за паяльник хвататься.. ))) |
|

|