| Автор | Сообщение |
Витькан
Завсегдатай
Сообщения: 610
|
| 0720 писал: | | а вот теперь реально спасибо, это ценная помощь, теперь буду с понедельника ковырять в этом направлении, а то всё про полярность электролитов да какой стороной за паяльник хвататься.. ))) |
ОК |
|
|
0720
|
всё же запустился он у меня, но у него теперь сильный перекос напряжений: вместо +12 вольт даёт 10.8, вместо +5 вольт выдаёт 5.5, и это уже под реальной нагрузкой (впрочем, процессор всё же стартует и даже винда загружается, но всё-таки так оставлять нельзя)
а без нагрузки перекос ещё больше: 10.6 вместо 12 вольт и 5.65 вместо 5 вольт
могу предположить, что и с самого начала защита срабатывала из-за перекоса напряжений
теперь вопрос: как выравнять напряжения? как это лечится и лечится ли вообще? подозреваю дроссель групповой стабилизации, но я его не трогал, может у него тупо сердечник размагнитился или что-то в этом роде? |
|
Витькан
Завсегдатай
Сообщения: 610
|
| 0720 писал: | всё же запустился он у меня, но у него теперь сильный перекос напряжений: вместо +12 вольт даёт 10.8, вместо +5 вольт выдаёт 5.5, и это уже под реальной нагрузкой (впрочем, процессор всё же стартует и даже винда загружается, но всё-таки так оставлять нельзя)
...а без нагрузки перекос ещё больше: 10.6 вместо 12 вольт и 5.65 вместо 5 вольт
...могу предположить, что и с самого начала защита срабатывала из-за перекоса напряжений
...теперь вопрос: как выравнять напряжения? как это лечится и лечится ли вообще? подозреваю дроссель групповой стабилизации, но я его не трогал, может у него тупо сердечник размагнитился или что-то в этом роде? |
0. Поздравляю!
1. А что не так было? что все-таки пришлось заменить? После чего он запустился?
2. Без нагрузки перекос больше в какую сторону? а? +12В еще ниже что ли?
3. Если бы дроссель размагнитился, то есть потерял бы свою индуктивность, тогда бы на выходе блока питания было напряжение с гигантскими пульсациями, а сами бы выходные элеткролиты "лопнули" от больших пульсаций тока...
4. Интересно организована линия +12В... по схеме, обмотка транса +5В через диоды суммируется с другой обмоткой от которой через диоды формируется линия +12В.
5. Как я понял, фишка твоего перекоса в том, что серьезно просажена линия +12В, из-за этого и завышается линия +5В.
6. Осмотри линию +12В. Проверь электролиты, диоды... Посмотри пульсации...
7. Линия +12В не перегружена? может у тебя беда с нагрузкой?
8. Может линия +5В недогружена? |
|
|
0720
|
| Витькан писал: |
1. А что не так было? что все-таки пришлось заменить? После чего он запустился?
2. Без нагрузки перекос больше в какую сторону? а? +12В еще ниже что ли?
3. Если бы дроссель размагнитился, то есть потерял бы свою индуктивность, тогда бы на выходе блока питания было напряжение с гигантскими пульсациями, а сами бы выходные элеткролиты "лопнули" от больших пульсаций тока...
4. Интересно организована линия +12В... по схеме, обмотка транса +5В через диоды суммируется с другой обмоткой от которой через диоды формируется линия +12В.
5. Как я понял, фишка твоего перекоса в том, что серьезно просажена линия +12В, из-за этого и завышается линия +5В.
6. Осмотри линию +12В. Проверь электролиты, диоды... Посмотри пульсации...
7. Линия +12В не перегружена? может у тебя беда с нагрузкой?
8. Может линия +5В недогружена? |
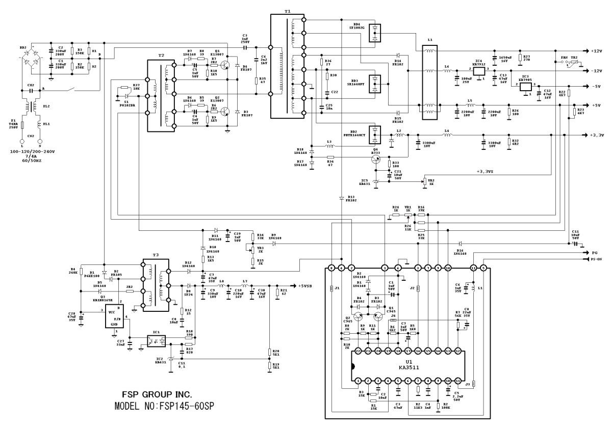
1. Что было конкретной причиной, сказать трудно, поскольку я от отчаяния начал менять всё что хоть как-то подозревал, а некоторые конденсаторы и по второму разу. Хронологически он запустился после замены конденсатора 1мкф 50в (на вот этой схеме он С29), а на той схеме что в начале топика его нет вообще, хотя в моем блоке он есть. Кстати, там и подстроечника VR3 по факту нет, а делитель установлен фиксированный, без подстройки.
Но "после этого" не значит "вследствие этого", так что может быть и не в этом конденсаторе было дело.
2. Да, без нагрузки напряжение на линии +12 вольт ещё ниже (10.6) чем с нагрузкой (10.8). Причём если добавить ещё нагрузку к имеющейся (я подкинул большой вентилятор на 120мм), напряжение дальше не увеличивается всё равно.
3. Возможно. Но только линии 5 вольт и 12 вольт взаимовлияют из-за ДГС, а остальные линии в норме.
6. в линии 12 вольт всё проверено, тем более что там элементов немного. Диоды как диоды, тестер их не отбраковывает вроде. Пульсации к сожалению посмотреть не могу, осциллографа нету..
7. Линия 12 вольт в этом компе вообще малонагруженная, по сути там только на питание процессора четырехпиновым разъемом это напряжение идёт, а периферии 12-вольтовой там нет вообще, кроме вентиляторов охлаждения. Но другой блок (тоже маломощный, китайчатина noname) в этом же компе никаких перекосов не демонстрирует.
8. Тоже вряд ли, там обычная старая мамка на 775 сокете и некоторая периферия на USB линиях, ничего необычного. Опять же, другой блок работает нормально, значит дело не в нагрузке. Да и совсем без нагрузки не должно быть таких конских перекосов.
9. Я так понимаю, тут чисто особенности схемотехники этого блока. Немножко всё нестандартно сделано.
FSP145-60SP.jpg 140.94 КБ Скачано: 181 раз(а)
|
|
Витькан
Завсегдатай
Сообщения: 610
|
0720,
да уж... Без осцилла, как без рук... Тут вопрос-то простой, надо посмотреть, какое напряжение ДО дросселя по +12В линии. И ВСЕ СРАЗУ СТАНЕТ ПОНЯТНО...
А так приходится гадать... Долго гадать...
1. На 775 сокете, по линии +12В, в зависимости от установленного процессора, токи могут потребляться О-ГО-ГО...
2. Я не помню. Электролиты по +12В, естественно, заменял?
3. Проверь пайку цепей линии +12В, может где-то транс не контачит или диоды.
4. Блок двухтактный. Если один такт убрать, то напряжение упадет. То есть если у тебя по линии +12В где-то неконтачит обмотка транса или оборван диод или в пробой уходит.
Вообщем, проверяй пайку +12В линии (транс, диоды, дроссель). Если есть диоды - замени диодную сборку по +12 линии. Они бывают на вид рабочими, но создают "неприятные" моменты, которые выражаются в большом обратном токе или работе через раз... |
|
|
0720
|
| Витькан писал: |
1. На 775 сокете, по линии +12В, в зависимости от установленного процессора, токи могут потребляться О-ГО-ГО...
2. Я не помню. Электролиты по +12В, естественно, заменял?
3. Проверь пайку цепей линии +12В, может где-то транс не контачит или диоды.
4. Блок двухтактный. Если один такт убрать, то напряжение упадет. То есть если у тебя по линии +12В где-то неконтачит обмотка транса или оборван диод или в пробой уходит.
Вообщем, проверяй пайку +12В линии (транс, диоды, дроссель). Если есть диоды - замени диодную сборку по +12 линии. Они бывают на вид рабочими, но создают "неприятные" моменты, которые выражаются в большом обратном токе или работе через раз... |
2. Электролиты конечно заменял, поставил большей ёмкости 3300 мкф, качественные, китайский тестер показал ESR 0.1 ома.
3. 4. 5. Понятно, буду ковыряться уже после праздников, поищу и диодную сборку под замену. |
|
Витькан
Завсегдатай
Сообщения: 610
|
| 0720 писал: | | ...Электролиты конечно заменял, поставил большей ёмкости 3300 мкф, качественные, китайский тестер показал ESR 0.1 ома. |
Там шибко крутые микрофарады не нужны... Вполне хватит 1800uF или 2200uF. Куда важнее ESR, чтобы электролит "впитал" в себя пульсации тока дросселя и тем самым минимизировал пульсации выходного напряжения.
Просто не ясно. Как у тебя на место электролита на 1650uF влез на 3300uF.
Понятно, что блок древний, может у него электролиты с большими габаритами. Но все же не может быть чтобы старый 1650uF и новый 3300uF были сопоставимы по габаритам...
| 0720 писал: | | ...Понятно, буду ковыряться уже после праздников, поищу и диодную сборку под замену. |
ОК. Обмотки для +5В и дополнительная для +12В - жестко связаны магнитной системой трансформатора. Поэтому соотношение ЭДС на этих обмотках - постоянная величина. Так что тут, либо плохой контакт, либо диоды... |
|
|
0720
|
да, монтаж там плотный, учитывая что это TFX, но электролит влез туда и на 3300, хотя пришлось его приподнять над платой на несколько мм, ну вот не было у меня на 1500 или 2200, — у меня 16-вольтовые остались только на 1000 и на 3300, да и лишняя ёмкость не помешает если линию придётся нагружать
стоял там узкий и высокий с редким номиналом 1650 мкф, а я поставил пузатый но более низкий 3300, но не вплотную к плате, а как бы на ножках, и он нормально поместился, до вентилятора ещё пару миллиметров не достаёт
удивительно, что в линии 12 вольт нет дополнительного дросселя и второго гасящего электролита, хотя например в цепи 3.3V и в цепи дежурки 5VSB аж два дросселя и три гасящих электролита — понятно что в основном там работает первый электролит и первый дроссель, но всё равно странно
линия 3.3V тоже связана с другими линиями магнитной системой трансформатора, но там напряжение в норме, да и -12V и -5V тоже не проседают, а вот +5 и +12 чётко взаимосвязаны, ДГС в каком-то смысле работает и как трансформатор тоже
правда, там на линии 3.3V есть еще отдельная цепь стабилизации на управляемом стабилитроне 431, может без такой стабилизации и 3.3V тоже могло измениться
ДОБАВЛЕНО 29/12/2021 14:04
вот такой вот колхоз-монтаж
IMG_20211229_135758.jpg 185.45 КБ Скачано: 198 раз(а)
|
|
Витькан
Завсегдатай
Сообщения: 610
|
| 0720 писал: | | да, монтаж там плотный, учитывая что это TFX, но электролит влез туда и на 3300, хотя пришлось его приподнять над платой на несколько мм, ну вот не было у меня на 1500 или 2200, — у меня 16-вольтовые остались только на 1000 и на 3300, да и лишняя ёмкость не помешает если линию придётся нагружать |
Смотри. Фишка в том, то через электролит проходит ТОЛЬКО переменная составляющая тока дросселя. Постоянная составляющая тока дросселя, которая определяется нагрузкой, вообще не идет через электролит. То есть необходимые микрофарады определяются не током нагрузки, а частотой пульсаций тока дросселя, амплитудой пульсаций и требуемым значением пульсаций напряжения на нагрузке.
Поэтому никакие лишние микрофарады погоды не сделают.
| 0720 писал: | | стоял там узкий и высокий с редким номиналом 1650 мкф, а я поставил пузатый но более низкий 3300, но не вплотную к плате, а как бы на ножках, и он нормально поместился, до вентилятора ещё пару миллиметров не достаёт |
Это плохое решение...
| 0720 писал: | | удивительно, что в линии 12 вольт нет дополнительного дросселя и второго гасящего электролита, хотя например в цепи 3.3V и в цепи дежурки 5VSB аж два дросселя и три гасящих электролита — понятно что в основном там работает первый электролит и первый дроссель, но всё равно странно |
Я тоже обратил на это внимание. Видимо, по +12В линии, нагрузка не так чувствительна к пульсациям. А на +5В и +3.3В там да, более сложные фильтры используются.
| 0720 писал: | | линия 3.3V тоже связана с другими линиями магнитной системой трансформатора, но там напряжение в норме, да и -12V и -5V тоже не проседают, а вот +5 и +12 чётко взаимосвязаны, ДГС в каком-то смысле работает и как трансформатор тоже |
ДГС нужен, когда какая-то линия перегружена, чтобы в другой тоже понизить напряжение, чтобы в итоге блок приподнял напряжение. Но на холостом ходу все должно быть близко...
| 0720 писал: | | правда, там на линии 3.3V есть еще отдельная цепь стабилизации на управляемом стабилитроне 431, может без такой стабилизации и 3.3V тоже могло измениться |
Да, по +3.3В свой стабилизатор, причем линейный...
| 0720 писал: | | вот такой вот колхоз-монтаж |
Скажу прямо, колхоз - так себе... Конденсатор висит в воздухе. Ножки обладают сопротивлением. Из-за этого с пульсациями будет хуже. Лучше найти электролит с габаритами, близкими к исходному и поставить его "без колхоза". От дополнительных микрофарад больше толку не будет. А вот из-за длинных ножек - точно будет хуже. |
|
|
0720
|
да ну там мизерное сопротивление ножек, и даже если бы оно было больше, всё равно оно неспособно значительно повлиять на пульсации и тем просадить напряжение
да, и на линиях минус 5 и минус 12 тоже стоят линейные стабилизаторы (кренки), так что и там просадки не будет в любом случае
так что действительно, если бы не линейная стабилизация по +3.3, -12 и -5, то возможно расколбас был бы по всем линиям
а может сам трансформатор устал? или это нереально? |
|
|
0720
|
в общем, я тут решил пропаять выводы трансформатора и допаялся до того, что он совсем перестал запускаться под нагрузкой
на холостую запускается, причем на 12-вольтовой линии напряжение теперь 11.4 вольта, а на 5-вольтовой 5.4 вольта, то есть перекос как бы уменьшился, но это не имеет значения, потому что нагрузку он теперь держать не хочет совсем
при попытке запуска дергает вентилятор и даже на мгновение появляется 5 вольт на контакте PG, то есть он как бы поднимается но тут же снова падает в защиту
и теперь ещё и на линии минус 12 вольт стало минус 10.7 почему-то
глюки какие-то непонятные, может где-то неконтакт, там всё такое тухлое и сто раз ковыряное, и дорожки кое-где отслоились, похоже надо искать соплю в монтаже, причем судя по всему где-то в районе выходных линий, вторичных обмоток силового трансформатора.. |
|
Витькан
Завсегдатай
Сообщения: 610
|
| 0720 писал: | | да ну там мизерное сопротивление ножек, и даже если бы оно было больше, всё равно оно неспособно значительно повлиять на пульсации и тем просадить напряжение |
А я про просадку напряжения и не говорю... Я говорю про пульсации выходного напряжения...
Сопротивление, допустим "мизерное". Но к этому мизерному сопротивлению добавляется ESR и ESL, и в совокупности это может повлиять. Тем более тебе не известно, какие токи заряжают-разряжают конденсатор на высокой частоте.
| 0720 писал: | | да, и на линиях минус 5 и минус 12 тоже стоят линейные стабилизаторы (кренки), так что и там просадки не будет в любом случае |
Да, под нагрузкой стабилизатор должны держать.
| 0720 писал: | | так что действительно, если бы не линейная стабилизация по +3.3, -12 и -5, то возможно расколбас был бы по всем линиям |
А он и есть... Если у тебя вместо +5В на выходе +5.6В (не помню сколько было), то на соответствующую "добавку" в % увеличиваются напряжения и на входе преобразователя на +3.3В и др.
| 0720 писал: | | а может сам трансформатор устал? или это нереально? |
Нет ничего невозможно. Но думаю, что это вряд ли...
| 0720 писал: | | в общем, я тут решил пропаять выводы трансформатора и допаялся до того, что он совсем перестал запускаться под нагрузкой |
А чем паял то?
| 0720 писал: | | на холостую запускается, причем на 12-вольтовой линии напряжение теперь 11.4 вольта, а на 5-вольтовой 5.4 вольта, то есть перекос как бы уменьшился, но это не имеет значения, потому что нагрузку он теперь держать не хочет совсем |
Ну так ведь теперь заметна динамика. Значит выбрано верное направление...
| 0720 писал: | | при попытке запуска дергает вентилятор и даже на мгновение появляется 5 вольт на контакте PG, то есть он как бы поднимается но тут же снова падает в защиту |
Значит нестабильны напряжения на блоке...
| 0720 писал: | | и теперь ещё и на линии минус 12 вольт стало минус 10.7 почему-то |
Понятно...
| 0720 писал: | | глюки какие-то непонятные, может где-то неконтакт, там всё такое тухлое и сто раз ковыряное, и дорожки кое-где отслоились, похоже надо искать соплю в монтаже, причем судя по всему где-то в районе выходных линий, вторичных обмоток силового трансформатора.. |
1. Ищи соплю (сопли).
2. Отмой плату перед пайкой (растворителем каким-нибудь).
3. Пропаяй обмотки транса, используй флюс и припой, например ЛТИ-120, чтобы обеспечить высокое качество пайки).
4. После пайки хорошо отмой плату и проверь на отсутствие соплей.
5. Дорожки отслаиваются из-за перегрева или от давления на компоненты с другой стороны платы. Паяльник должен быть не более 40 Вт с узким жалом. А время пайки (касание жалом) очень малым. |
|
|
0720
|
похоже, диодная сборка на линии +12 дуркует
могу поставить что-то другое кроме SF1002G? там вроде требуется низкое падение напряжения..
есть в магазине вот что:
- от Diotec: SBCT20100, SBCT2090
- от ST: STPS20H100, STPS20H200, STPS30SM120, STPS15H100, STPS10150, STPS10170
- от TSMC: MBR10100, MBR20100, MBR20200
- от Philips: BUV32E-200
у меня ещё есть MA6D49 фирменный Panasonic, но мне кажется он по току не потянет |
|
Витькан
Завсегдатай
Сообщения: 610
|
| 0720 писал: | похоже, диодная сборка на линии +12 дуркует
могу поставить что-то другое кроме SF1002G? там вроде требуется низкое падение напряжения..
у меня ещё есть MA6D49 фирменный Panasonic, но мне кажется он по току не потянет |
Здесь и сейчас надо поставить то, что у тебя есть в наличии с обратный напряжением не менее, чем у исходного.
Чтобы убедиться в работоспособности блока.
MA6D49 конечно мало...
| 0720 писал: | есть в магазине вот что:
- от Diotec: SBCT20100, SBCT2090
- от ST: STPS20H100, STPS20H200, STPS30SM120, STPS15H100, STPS10150, STPS10170
- от TSMC: MBR10100, MBR20100, MBR20200
- от Philips: BUV32E-200 |
Выбирай, что душе угодно.
С обратный напряжением более 100В - смысла нет, возрастут потери и нагрев.
С током на 10 ампер как-то не солидно. А с током 30 ампер, как-то уж совсем избыточно...
Я бы выбрал "MBR20100" или "STPS20H100". |
|
|
0720
|
я смотрю что на некоторых схемах там указан не SF1002G, а STPR1020CT, он на 200 вольт, и там выбросы действительно способны превышать 100 вольт, так что думаю что не помешает и напряжение больше 100 вольт
вот например есть STPS30SM120SFP в изолированном корпусе на 30 ампер и 120 вольт, запас по току не помешает
ну или MBRF20200CT на 20 ампер и 200 вольт, он тоже изолированный, и стоят они примерно одинаково (хотя и недешево для такой штуки)
а кроме тока и обратного напряжения какие-то параметры тут имеют значение? я в импульсных блоках не очень шарю, может время восстановления ещё важно или обратный ток?
ещё обнаружилось, что 12-вольтовой кренки 7912 в моем случае нет, вместо неё тупо приколхожен резисторный делитель и после него защитный диод UF202G в обратном включении (типа как стабилитрон, чтобы защитить следующую кренку 7905 от выбросов противоположной полярности), — так что думаю сразу докупить и копеечную кренку, чтобы выкинуть делитель и восстановить всё по схеме, всё равно после праздников в магазин пилить придётся.. |
|
Витькан
Завсегдатай
Сообщения: 610
|
| 0720 писал: | | я смотрю что на некоторых схемах там указан не SF1002G, а STPR1020CT, он на 200 вольт, и там выбросы действительно способны превышать 100 вольт, так что думаю что не помешает и напряжение больше 100 вольт |
Выбросы должны гаситься снабберными цепями, которые с одной стороны гасят "иголки", с другой стороны создают "плавность" измерения тока.
Ну а как же там родной на 100В простоял столько времени?
Шоттки рассчитаны не более 100В. На 200В - это уже ультрафаст (быстродействующий) диод. Он медленнее, чем Шоттки.
Шоттки быстрее и меньше падение напряжения.
| 0720 писал: | вот например есть STPS30SM120SFP в изолированном корпусе на 30 ампер и 120 вольт, запас по току не помешает
ну или MBRF20200CT на 20 ампер и 200 вольт, он тоже изолированный, и стоят они примерно одинаково (хотя и недешево для такой штуки) |
Да никому не нужен этот запас по току... Блок же у тебя маломощный...
А то что корпус изолированный - это минус. Так как теплоотвод хуже. Лучше как было, медный фланец и термопрокладка с пастой...
| 0720 писал: | | а кроме тока и обратного напряжения какие-то параметры тут имеют значение? я в импульсных блоках не очень шарю, может время восстановления ещё важно или обратный ток? |
- Прямое падение напряжения Vf (у Шоттки ниже, чем у других),
- Прямой ток If,
- Время восстановления Trr (у Шоттки нет такого параметра),
- Обратный ток ( у Шоттки он выше, чем у других диодов, это сказывается на высоких температурах),
- Корпус (TO-247 отдает большие токи, чем TO-220. TO-220F хуже, чем TO-220).
| 0720 писал: | | ещё обнаружилось, что 12-вольтовой кренки 7912 в моем случае нет, вместо неё тупо приколхожен резисторный делитель и после него защитный диод UF202G в обратном включении (типа как стабилитрон, чтобы защитить следующую кренку 7905 от выбросов противоположной полярности), — так что думаю сразу докупить и копеечную кренку, чтобы выкинуть делитель и восстановить всё по схеме, всё равно после праздников в магазин пилить придётся.. |
Думаю, нужно сначала решить с 12В линией, убедиться в работоспособности, а потом уже доработать.
Блок же работал с делителем и ничего... Думаю, тут осторожно надо... |
|
|
0720
|
нашел и устранил соплю в линии +12 вольт, конечно дело было в отслоившейся дорожке и микротрещинах в пайках, так что новая диодная сборка не понадобилась, теперь на линии +12 всё хорошо: 12,4 вольта без нагрузки, 12.18 с нагрузкой, нагрев диода умеренный
но чтобы запустить блок на мамке и заставить его работать под нагрузкой, нужны танцы с бубном: полностью подключенный он не запускается (уходит в защиту), так что сначала надо подключить основной разъем 20 пин, запустить БП кнопкой включения, он стартует и поднимается по всем линиям, выдаёт PWR OK, и только потом можно подсоединять разъем 4 пина на питание процессора, после чего всё работает нормально и все напряжения в норме (+12=12.18в; +5=5.19в; +3.3=3.34в), но только кроме минус 12 вольт (оно почему-то очень низкое, около 10 вольт), система в таком виде работает стабильно и синих экранов не выдаёт, главное её не выключать, а то потом снова придётся запускать с танцами и отключением 4-пинового разъема
по дежурке напряжение скачет 4.92-4.96 вольта, подозреваю там конские пульсации, если их даже мультиметр может так регистрировать в виде скачущих сотых долей
сегодня уже не буду его ковырять, а завтра попробую измерить пульсации мультиметром в режиме переменного напряжения (через конденсатор, чтобы отсечь постоянную составляющую)
какой-то заколдованый блок, я-то сначала рассчитывал что всё обойдётся заменой вспухших электролитов, а по факту уже потратил на него кучу ресурсов и он ещё не восстал из мёртвых, теперь уже дело принципа его довести до ума.. |
|
Витькан
Завсегдатай
Сообщения: 610
|
| 0720 писал: | | нашел и устранил соплю в линии +12 вольт, конечно дело было в отслоившейся дорожке и микротрещинах в пайках, так что новая диодная сборка не понадобилась, теперь на линии +12 всё хорошо: 12,4 вольта без нагрузки, 12.18 с нагрузкой, нагрев диода умеренный |
Так а чем вы паяете, что у вас сопли образуются? Каким паяльником? Толщина и ширина жала, должны быть адаптированы под задачи. Вы флюс используете? Например, ЛТИ-120? Плату после пайки отмываете и осматриваете?
| 0720 писал: | | но чтобы запустить блок на мамке и заставить его работать под нагрузкой, нужны танцы с бубном: полностью подключенный он не запускается (уходит в защиту), так что сначала надо подключить основной разъем 20 пин, запустить БП кнопкой включения, он стартует и поднимается по всем линиям, выдаёт PWR OK, и только потом можно подсоединять разъем 4 пина на питание процессора, после чего всё работает нормально и все напряжения в норме (+12=12.18в; +5=5.19в; +3.3=3.34в), но только кроме минус 12 вольт (оно почему-то очень низкое, около 10 вольт), система в таком виде работает стабильно и синих экранов не выдаёт, главное её не выключать, а то потом снова придётся запускать с танцами и отключением 4-пинового разъема |
Ну значит блок питания уходит в защиту, видимо, из-за перекоса. Значит проверьте потребление по линии -12В.
| 0720 писал: | | по дежурке напряжение скачет 4.92-4.96 вольта, подозреваю там конские пульсации, если их даже мультиметр может так регистрировать в виде скачущих сотых долей |
Может дежурка перезапускается постоянно (периодически) уходит в защиту и снова стартует... Опять же какой ток от нее берется и тянет ли она номинальный ток...
| 0720 писал: | | сегодня уже не буду его ковырять, а завтра попробую измерить пульсации мультиметром в режиме переменного напряжения (через конденсатор, чтобы отсечь постоянную составляющую) |
Это что за глупость такая? какие пульсации мультиметром? высокочастотные пульсации? Мультиметр не предназначен для измерения напряжения высокой частоты.
| 0720 писал: | | какой-то заколдованый блок, я-то сначала рассчитывал что всё обойдётся заменой вспухших электролитов, а по факту уже потратил на него кучу ресурсов и он ещё не восстал из мёртвых, теперь уже дело принципа его довести до ума.. |
1. Ничего не заколдованный.
2. Просто по неопытности и отсутствию знаний, ты сделал много лишнего и создал новые проблемы в виде подгоревших дорожек и соплей между ними...
3. Верни все как было, и, возможно, блок оживет.
4. Убери гигантские электролиты на длинных ножках. Поставь те номиналы, которые были предусмотрены.
5. Верни схему в исходное состояние... |
|
НЕПОСЕДА-2
Завсегдатай
Сообщения: 493
|
| Витькан помоги я в свободном . |
|
|
0720
|
всё же сделал этот БП, теперь нормально запускается и работает
после замены диодной сборки на STPR2020CT 12-вольтовая линия ожила
но вообще-то этот БП по линии 12 вольт обещает всего 4 ампера, так что я и так слишком много из него выжал..
спасибо за помощь!
| IMG_20220118_010108.jpg |
| Описание: |
|
| Размер файла: |
208.07 КБ |
| Просмотрено: |
168 раз(а) |

|
|
|

|