| Автор | Сообщение |
sashko65
Фанат форума
Сообщения: 14972
|
| Mitya80 многовато ....обычно в пределах 11..12.может чуть бльше.Поменяй шим для уверенности. |
|
Mitya80
Передовик
Сообщения: 1583
|
sashko65, решилось  |
|
Petch
Завсегдатай
Сообщения: 874
|
| Всем доброго дня! ПММ Bosch SMV63N00EU/16. Нужен мануал по конфигурированию модуля. Кто-то заклеил текущий теплообменник оконной замазкой (отдельное фото для кунсткамеры) и видимо полазил в настройках, т.к. ПММ реагирует на флуометр, как на концевик геберсистемы- перестает заливать воду при первом импульсе водомера. Если скинуть клемму - наливает до появления ошибки об отсутствии воды. Прошу, у кого есть, поделиться мануалом. Спасибо. |
|
|
Viktor_67
|
| кинул в личку-не знаю, дошло ли? |
|
Petch
Завсегдатай
Сообщения: 874
|
Viktor_67, Спасибо! Все дошло!  |
|
|
Юрий Федорович
|
| Добрый вечер. На сма ARDO FLZ85S-N с/n 010980183 установлены амортизаторы SEBAC 499026302 "120N" подскажите каким аналогичным можна заменить. Заранее благодарен. |
|
|
sandrik1982
|
| Юрий Федорович, Замени такими же |
|
|
Юрий Федорович
|
sandrik1982, спасиба за подсказку, сам не догадаюсь, но таких ни у меня ни у моих поставщиков нет, снять размеры с старых нет возможности, вот и парюсь чем можна заменить, а по существу мож кто подскажет ?  |
|
alexu
Передовик
Сообщения: 2659
|
|
RuaYle
Завсегдатай
Сообщения: 364
|
Всем доброго дня.
Вопрос такой: MC9S08GB60, MC9S08GB60А, SP101655, SP107156 они все полностью взаимозаменяемы?
На модуле 010403, судя по всему, сдох проц SP107156 у меня нет такого, хочу заменить его на подходящий, сдуть с какого нибудь б/у модуля, а потом перепрошить. |
|
mr.black
Завсегдатай
Сообщения: 986
|
| RuaYle, ставь GB60/GB60A, не ошибешься. |
|
RuaYle
Завсегдатай
Сообщения: 364
|
Понял, спасибо  |
|
|
Михаил13661
|
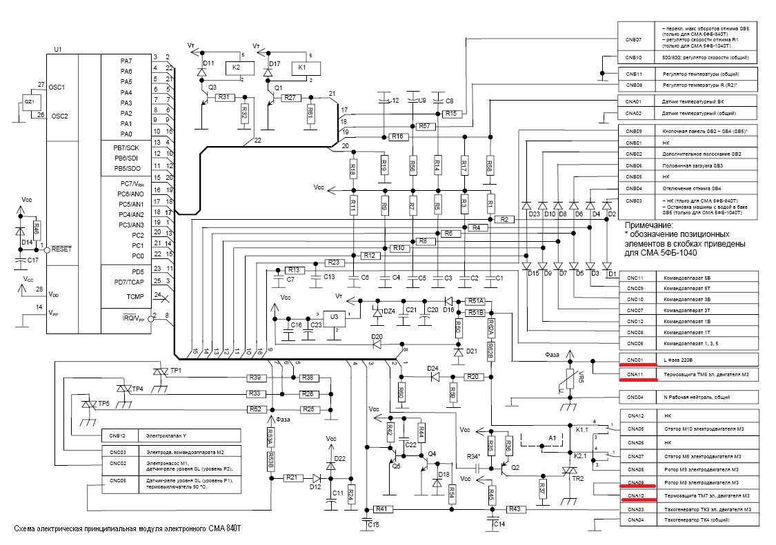
В СМА Атлант 1040т1 протек сальник и вода попала на разъем двигателя вследствие чего на модуле DMPU1s 39 22/11/2004 546059301 0537 подгорели контакты А10 и А9, и отгорели А11 и С1!!! Эти поломки исправил сальник с подшипниками поменял, на разъеме двигателя подгоревшие контакты почистил, контакты А9,А10,А11 и С1 на плате подпаял!!! включил машинку в конце стирки включается отжим и автоматичаски не переключается на полоскане, также происходит в конце полоскания включается отжим, отжимает но автоматически не переключает на специальную оброботку!! Тоесть в процессе стирки командоаппарат приходится переключать в ручную два раза.
В чем может быть проблема?? Прошу помощи заранее спасибо!!!
| shema.jpg |
| Описание: |
| СМА 840Т - за неимением схемы на СМА 1040т1 | |
| Размер файла: |
264.69 КБ |
| Просмотрено: |
698 раз(а) |

|
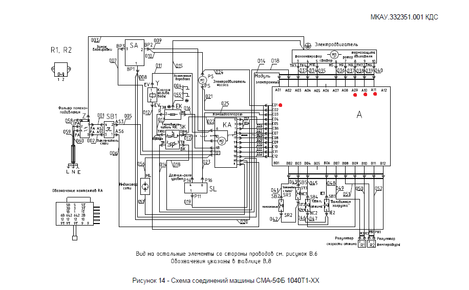
shema CMA 1040T1.png 65.62 КБ Скачано: 622 раз(а)
|
|
|
Юрий Федорович
|
| Ребятки возьмите на заметку, если понадобится, на сма ARDO FLZ85S-N с/н 010980183 стоят родные амортизаторы SEBAC 499026302 "120N", устанавливаются, как родные, от сма ATLANT код 908092002860, моя проблема решина. |
|
master.m
Терминатор
Сообщения: 1330
|
| Юрий Федорович писал: | sandrik1982, спасиба за подсказку, сам не догадаюсь, но таких ни у меня ни у моих поставщиков нет, снять размеры с старых нет возможности, вот и парюсь чем можна заменить, а по существу мож кто подскажет ?  |
| Цитата: | | Род занятий: Менеджер по производству рекламн, и рекламо носителей |
Прикольно. Рекламщики уже з/ч приторговывают.  |
|
|
Юрий Федорович
|
master.m, да, хочеш жить умей вертетса  |
|
тю
Фанат форума
Сообщения: 6078
|
|
Kaskad11
Передовик
Сообщения: 2656
|
| Прошу помощи в определении элемента. Выглядит как ASC108, корпус SOT-223, только размер не 2*6, а 2*4 мм. На нём маркировка AL и ниже Р24. Питание 3В, нагрузка - обмотка трансформатора. Одна из ножек - в обрыве, предположительно эмитер. |
|
Мелиор
Старший модератор
Сообщения: 35658
|
|
Kaskad11
Передовик
Сообщения: 2656
|
|