| Автор | Сообщение |
|
jon656
|
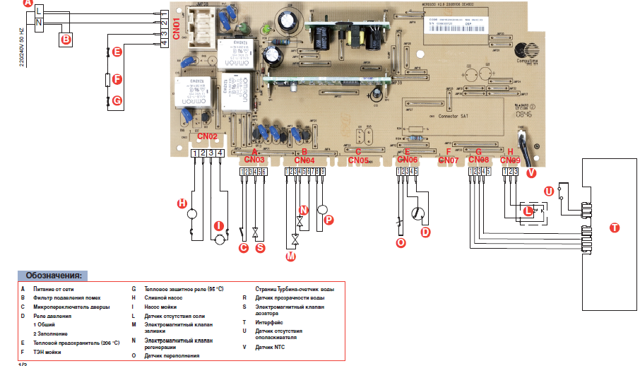
Может кто сказать какой номинал датчика NTC (V) стоит на маленькой плате? У меня он показывает 15 кОм. И еще странность - датчик прозрачности воды на оптопаре - не звонится излучатель - возникло подозрение рабочий ли он. Включаешь программу идет кратковременная подача напряжения на обмотку реле ТЭНа - секунд 30 начинает греть и отключается. ТЭН и термо предохранители на нём исправны.
https://sw19.ru/forum/14584 - однозначного ответа не получил.
| 2f41e7df-0b77-11e1-9565-001517c973ba_1.png |
| Описание: |
|
| Размер файла: |
326.42 КБ |
| Просмотрено: |
249 раз(а) |

|
|
|
xarl
Модератор
Сообщения: 21874
|
jon656,  |
|
аliеn
Передовик
Сообщения: 2644
|
| jon656 писал: | | Включаешь программу идет кратковременная подача напряжения на обмотку реле ТЭНа - секунд 30 начинает греть и отключается. |
...без воды???  |
|
|
jon656
|
| Воду закачивает, напряжение появляется ненадолго - вода чуть теплая становится и дальше отключился нагрев - такое ощущение что вода нагрелась ( мгновенно) - дальше моет этой водой и цикл укорочен. Вместо 2.5 часов минут 50. |
|
тю
Фанат форума
Сообщения: 6076
|
| jon656, а мастера пригласить пробывал ? |
|
|
jon656
|
| тю писал: | | jon656, а мастера пригласить пробывал ? |
Что за детские вопросы? Нечего сказать по теме проходите мимо. |
|
аliеn
Передовик
Сообщения: 2644
|
|
|
jon656
|
| аliеn писал: | | Напруга на NTC - ??? |
Не измерял ещё. |
|
|
jon656
|
| Купил на разборке NTC датчик, в моем было 50 кОм, в донорском около 12. Поставил заработало. |
|
Valeriynew
Передовик
Сообщения: 1792
|
| jon656 писал: | | Купил на разборке NTC датчик, в моем было 50 кОм, в донорском около 12. Поставил заработало. |
jon656, может наоборот??? Обычно, при нагревании сопротивление уменьшается. И если поставить датчик с меньшим сопротивлением, то нагрев совсем включаться не будет и программа намного сократиться... |
|
|
jon656
|
| Я приехал на разборку купить датчик от донора, ну не нашел я какой стоит по номиналу информацию. Отпаял провод от платы мой он показал 50кОм. Говорю проверьте ( у них было написано проверяем бесплатно). Он померил и сказал - устал датчик. Припаяли прямо с платой и сказали что обозначение у него 12 кОм должно быть. Воткнул я на место. Заработало. Старый датчик взял в руки при нагреве от пальцев сопротивление упало до 37 кОм. Отпаивать сравнивать донора не стал. Моет и клеп с ней. |
|
alexu
Передовик
Сообщения: 2659
|
Valeriynew, ты прикалываешься? в разных см и пмм разные сопротивления NTC от 5,6 до 200кОм,
или тебе лишь бы что наклацать на клаве? |
|
тю
Фанат форума
Сообщения: 6076
|
|
Мелиор
Старший модератор
Сообщения: 35645
|
Эх, помню время, когда датчик на Ariston ALS1047 был дефицитом и я как-то вставлял в его корпус батарею из нескольких терморезисторов от какой-то радиоаппаратуры...  |
|
yura14
Фанат форума
Сообщения: 3035
|
| Мелиор писал: | Эх, помню время, когда датчик на Ariston ALS1047 был дефицитом и я как-то вставлял в его корпус батарею из нескольких терморезисторов от какой-то радиоаппаратуры...  | Гы ... 220кОм.  |
|
Valeriynew
Передовик
Сообщения: 1792
|
| alexu писал: | Valeriynew, ты прикалываешься? в разных см и пмм разные сопротивления NTC от 5,6 до 200кОм,
или тебе лишь бы что наклацать на клаве? |
Я в курсе, что разные. При завышенном сопротивлении, по идее, совсем тэн не должен отключаться и тем более, что в первом посту указано 15 кОм. Здесь что-то не так - или обрыв был полностью, или сопротивление, как указано дальше, 50 кОм воспринималось модулем, как обрыв.
И не нужно мне указывать: что, где и как мне писать. |
|
|
jon656
|
| 15 кОм - замер в схеме, 50 кОм отпаянный. |
|