| Автор | Сообщение |
Варнава
Завсегдатай
Сообщения: 347
|
| Kaskad11 писал: | | Готов заплатить за фото внутренностей аппарата, что б увидеть как переключались обмотки. |
И мордой клиента, мордой!!! Что бы признался куда девал дополнительные перемычки или провода. Верить клиенту на слово, особенно тому кто залез в аппарат, себе дорожее будет. -"Так и было. Я только посмотрел и потрогал." -Этих слов он не говорил? |
|
Kaskad11
Передовик
Сообщения: 2656
|
| Rom-Zecs писал: | | если можно проиллюстрирую это |
Ну это уже пошли варианты . Все равно без перемычек и разветвителей не получается .
ДОБАВЛЕНО 15/04/2014 08:49
Варнава, мне тоже кажется, что клиент врет как "Голос Америки" в Советские времена. Вот только доказать не могу . |
|
|
elektrik158
|
Хоть тема давно заглохла, но сегодня мне попался такой же агрегат и появилась возможность установить истину.

| IMG_20200116_095525.jpg |
| Описание: |
|
| Размер файла: |
201.59 КБ |
| Просмотрено: |
258 раз(а) |

|
IMG_20200116_095834.jpg 155.58 КБ Скачано: 218 раз(а)
IMG_20200116_095514.jpg 197.65 КБ Скачано: 201 раз(а)
-50 ТЕМП.jpg 83.21 КБ Скачано: 228 раз(а)
|
|
|
Nature
|
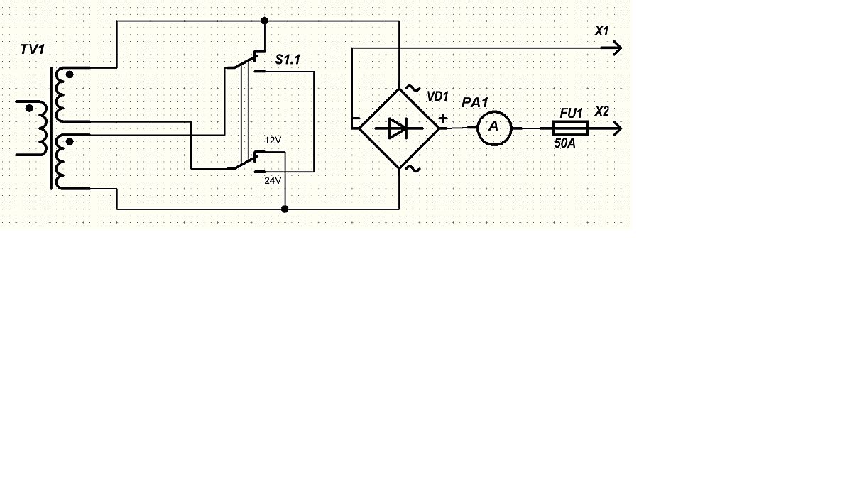
Уважаемые есть желание продолжить тему, если кто ремонтировал этот аппарат может имеется схема соединения первичных обмоток через два переключателя "заряд-пуск" и "мин-макс".
Вторичка у меня имеет средний вывод и просто один конец обмотки идет на мост, а средний 12В и верхний 24В переключаются. А вот когда вырисовываю схему по первичке, то получается, что одна из первичных обмоток получается отключена и по первичке вообще нет цепи.
Подключение вторички именно так, неправильно по надписям 12 и 24, но это пустяк, не обращайте внимание, главное комутация первички, если у кого есть схема поделитесь пожалуйста.

|
|

|