| Автор | Сообщение |
|
игорка
|
Принесли такой же аппарат, но IR2101 в паре с KA3525 !? Даташиты с KA3846 и KA3525 - отличаются  |
|
|
Nikolss
|
| Прошу прощения, тема старая, "тишина" не удалось найти схему? В моём случае индикатор напряжение аккумулятора показывает, аппарат не запускается, выходные полевые транзисторы и диоды шоттки исправные, кулер не крутится, напряжение питания (импульсы запуска в районе 0,8с размахом 18 В) на драйвер IR2101 и шим 3846N поступают. Грешу на шим контроллер 3846N. |
|
|
Revkot
|
Доброго всем. Вот тоже настал тот день, когда пришлось заняться ремонтом данного зарядника. Вот только он не сгорел, а попал под колесо. Переехали его по касательной. Корпус в хлам. все проводки поотрывались. Куда припаивается кнопка переключатель? И есть ли разница в полярности проводов которые выходят на маленькую платку которая размещена на алюминиевой пластине.
ДОБАВЛЕНО 06/11/2017 05:42
вот ещё фотки орион 700 Все 4 алюм. пластины выломаны(( Вот начал только изготавливать новый корпус из фанеры..




|
|
REKKA
Фанат форума
Сообщения: 3722
|
| Revkot, если ты, такие вопросы задаешь то лучше отдай другому кто соображает в этом деле хоть что-то Ты его не оживишь По секрету тебе, скажу что там все восстанавливаться без схем |
|
Ирина Слава
Передовик
Сообщения: 1042
|
| Revkot, фото ни о чём,состав не озвучен.PW700 имеет две ревизии,отличающимися составом .Ну и как принято в приличном обществе,надо бы представиться(для этого просто заполнить Профиль),всё же приятно знать с кем имеешь дело. |
|
|
Revkot
|
Ирина Слава, Меня зовут Костя))
ДОБАВЛЕНО 13/11/2017 14:34
REKKA, А мог бы и ответить на мой вопрос((  |
|
|
Revkot
|
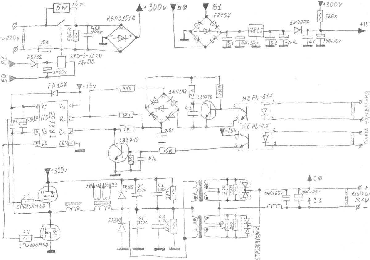
Какие там стоят даташиты? (маркировка), и как они обозначаются на схеме?? Там стоит 2 больших, и 2 маленьких. На одном большом маркировка MCC MBR40150CT, на втором большом её вообще нет. Такая же она или нет?? С маленькими ещё не разобрался пока. И в какой последовательности они должны там стоять? А-то они выломались вместе с алюминиевыми пластинами в корпус зарядника.
ДОБАВЛЕНО 13/11/2017 15:50
Вот нашёл пару схем от ориона 700. Где тут даташиты?
| shema-orion-pw700.jpg |
| Описание: |
|
| Размер файла: |
260.09 КБ |
| Просмотрено: |
2508 раз(а) |

|
3139181.jpg 91.02 КБ Скачано: 1268 раз(а)
|
|
Ирина Слава
Передовик
Сообщения: 1042
|
| Revkot,не знаю как давать советы при таких вопросах "Какие там стоят даташиты? (маркировка), и как они обозначаются на схеме?? Там стоит 2 больших, и 2 маленьких.".Вот ссылки по теме http://serp1.ru/index ,http://monitor.espec.ws/viewtopic.php?p=2081266,http://radiokot.ru/forum/viewtopic.php?f=29&t=78217,http://monitor.net.ru/forum/pw700-info-372888.html и т.д. |
|
|
Revkot
|
Ирина Слава, Спасибо конечно, но...... я там ни фига толком не нашёл(( Мне бы конкретно фото "живого" зарядника (вид с верху), и прямо ручкой на бумажку переписать с них маркировки по порядку. Тогда я бы ещё разобрался))
ДОБАВЛЕНО 14/11/2017 03:27
Ну вот как-то так((


IMG_20171106_090204.jpg 126.02 КБ Скачано: 878 раз(а)
|
|
|
ARES!123
|
Мне как-то довелось ремонтировать подобный зарядник (ОРИОН PW-325). Там схема построена по принципу компьютерных блоков питания (в моем случае на ШИМ TL 494 и паре транзюков на выходе с трансформаторной развязкой...).
Тут, я думаю, по тому же принципу все сделано... Есть смысл посмотреть схемы компьютерных БП, по крайней мере по управлению, что-нибудь похожее, вероятно найдете.
А если по терминологии, то ДАТАШИТОМ, к вашему сведению, называется информация по конкретному компоненту (транзистору, микросхеме, диоду и т.д.), содержащая эксплуатационные параметры, а не конкретный компонент.
Вы уж называйте все своими именами, все компоненты как надо. А то ваши объяснения: "где тут даташит?" звучат, (простите конечно) мягко говоря, неквалифицированно...
MBR40150CT - диодная сборка (интернет в помощь) два диода Шоттки.
Транзисторы (что с отломанными ногами и большие, возможно 13007 или 13009, но надо проверять, выяснить хотя-бы структуру (n-p-n или p-n-p) и где стоят.
По поводу мелкого компонента (похожего на транзистор) - трудно сказать, хотя-бы участок схемы, где стоит, увидеть бы... |
|
|
Revkot
|
ARES!123 "звучат, (простите конечно) мягко говоря, неквалифицированно..."
Так и есть. Я не занимаюсь ремонтами. Просто паяльником пользоваться умею, и хотел поставить всё на место. Как было. Там же ничего не сгорело. Попал под колесо автомобиля. Корпус в хлам, плату слегка зацепило. Корпус я уже новый из фанеры сделал. Всё что нужно уже купил кроме 2х больших даташитов. На одном номер есть "MCC MBR40150CT", а на втором нету. визуально одинаковые. Вот осталось только узнать разные они или идентичные? И купить. Кстати в магазинах нету((( Ещё заказывать нужно. Или может быть есть какой-то аналог.. Честно говоря я в этом не силён. Просто хочу собрать как было.. |
|
skolin
Передовик
Сообщения: 1216
|
| Revkot писал: | | уже купил кроме 2х больших даташитов. . |
Объясните , как можно купить ДАТАШИТ. Они как правило бесплатные.
А что это объяснили выше. Можно купить детальку или большую ДЕТАЛЬ. Ну конечно со сленгом круче но и он должен быть разумным и важнее к месту. Где нибудь в соцсетях но не здесь.Здесь тебя просто не поймут. |
|
Ирина Слава
Передовик
Сообщения: 1042
|
| Revkot, если есть терпение ,22-23ноября буду дома,сделаю фото сессию.Лежит такой аппарат без дела. |
|
|
Revkot
|
Ирина Слава, Ок. Мне торопиться не куда. Могу и подождать.
ДОБАВЛЕНО 16/11/2017 15:46
skolin, В магазине не что не бесплатно)) Может я их не правильно называю (я не в курсе. Не разбираюсь), Но инет по маркировке этой "детали" выдал что это "даташит" . Я не занимаюсь ремонтами. Не профессионал. Я просто хочу восстановить. Поставить на место всё как было!.. С родными маркировками, а не "круче". |
|
|
Revkot
|
Ирина Слава, Заранее спасибо))  |
|
Ирина Слава
Передовик
Сообщения: 1042
|
Revkot, вспомнил что уже выкладывал фото кому то,нашёл в Сети и даю ссылку http://peredayka.com/download/a054ad31f5d2508522a48a8a3d32ee5a.html ,не всё, но этого будет достаточно.Буду объяснять на "пальцах",большие -это одинаковые диоды MBR40150CT,маленькие -это полевые транзисторы STP20NM60.Кстати всё это видно на твоей схеме.В полярности проводов выходящих на маленькую платку разницы нет.
ДОБАВЛЕНО Ноябрь 16 2017
Вот по схеме которую выложил и правься.ДАТАШИТ-DATASHEET,это справочные данные на р/деталь.Набери в Поиске(яндекс или гугль без разницы) к примеру MBR40150CT скачать datasheet или STP20NM60 скачать datasheet и тебе предложать скачивания в PDF,скачаешь -будут у тебя технические данные на применяемые в заряднике транзисторы и диоды.
ДОБАВЛЕНО Ноябрь 16 2017
Маленькая платка которая размещена на алюминиевой пластине-это термоконроль транзисторов ,защита от перегрева.На моих фото это видно,ещё там видно как стоит распорка между радиаторами(по твоему, алюминиевыми пластинами),не забудь поставить, иначе "коротнёт" и сыграет музыка "баха".Вот пока всё. |
|
|
Revkot
|
Ирина Слава, Спасибо большое!! Очень помог. Только по ссылке ни какого фото не нашёл(( Там приветственная страница, и разные темы.
Распорка целая. Не повреждена. Её поставлю обязательно. Осталось только заказать MBR40150CT (2шт.) В наших магазинах их нету. Остальное всё купил. Как придут остальные запчасти - приступлю к сборке.. Обязательно отпишусь!  |
|
Ирина Слава
Передовик
Сообщения: 1042
|
| Revkot,по поводу ссылки; копируешь данную ссылку,шёлкаешь по ней и попадаешь на как пишешь "Там приветственная страница, и разные темы." и вставляешь на ней в адресную строку скопированный адрес и качаешь. |
|
|
Revkot
|
| Ирина Слава, Вставил. Пишет "результатов нет" |
|
Ирина Слава
Передовик
Сообщения: 1042
|
| Revkot,всё там нормально,видно не то и не туда куда надо вставляешь?!Давай свою почту ,отправлю индивидуально. |
|