| Автор | Сообщение |
|
Revkot
|
|
Ирина Слава
Передовик
Сообщения: 1040
|
|
blek1
Передовик
Сообщения: 1212
|
| Ирина Слава писал: | | Revkot видно не туда куда надо вставляешь?! |
Пошляк))) |
|
|
wokerz
|
Здравствуйте, помогите с ремонтом зарядного устройства. Подскажите какие стоят резисторы.

|
|
Ирина Слава
Передовик
Сообщения: 1040
|
| wokerz, скорее всего эта цепочка на работоспособность не влияет,как мне кажется она помехоподавляющяя и стоит парралельно дроссель ,или нет. |
|
|
wokerz
|
| Взорвался нижний резистор, средний конденсатор и верхний резистор 47 Ом целые. Зарядное при наборе аккумулятором примерно 13 вольт начинает просто быстро включаться выключаться, без паузы как должно. К мастеру нет возможности обратиться, визуально пока обнаружил только это. До этого был взрыв конденсатора и выгорание + дорожки (силовой на фото она ниже левее, невидно) после замены и восстановления работало. За любую помощь буду признателен, диод от резистора отличить могу. |
|
Ирина Слава
Передовик
Сообщения: 1040
|
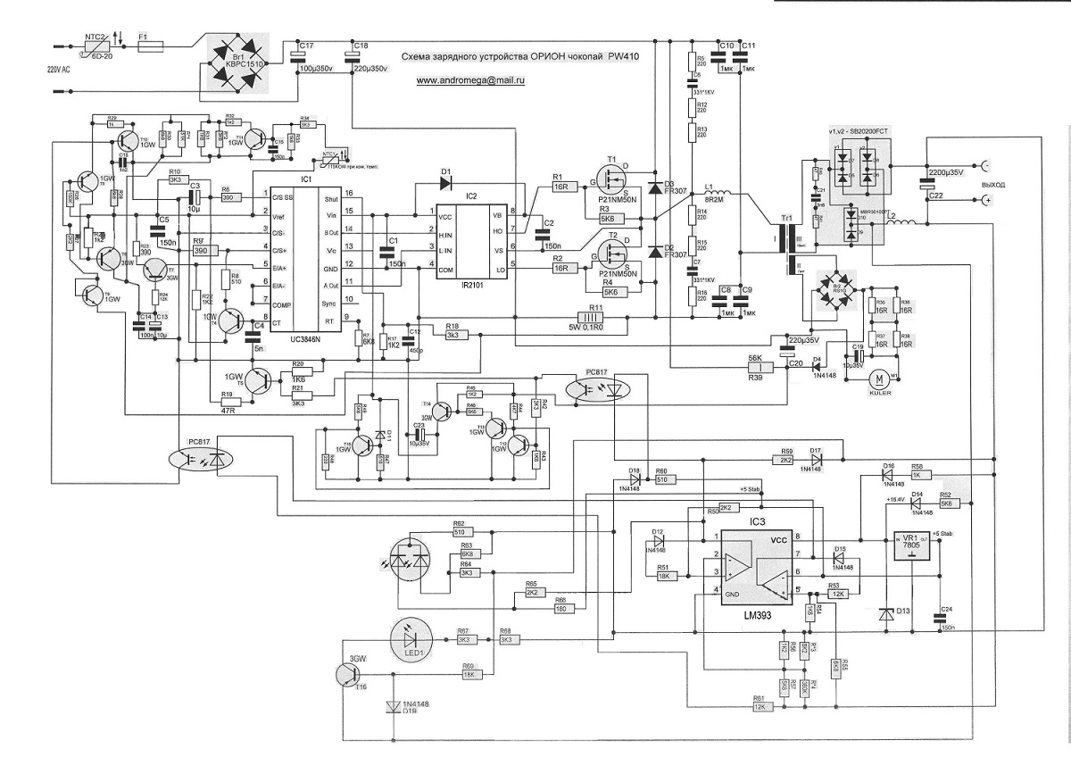
| wokerz, если "диод от резистора отличить могу",значит и нарисовать схемку где стоят искомые р/элементы сможете.Схемы как таковой в свободном доступе нет, существуют две ревизии 700 серии,на SG3525 и KA(UC)3846.Вот когда определимся по схемке где стоит сгоревший резистор,тогда может и подскажем что дельное. |
|
|
wokerz
|
| Ревизия у меня на UC3846N, схемы на неё не нашёл, "диод от резистора отличить могу" не значит что умею рисовать, элементы стоят параллельно дросселю. |
|
Ирина Слава
Передовик
Сообщения: 1040
|
Элементы стоят параллельно не дросселю,а вторичной обмотке транса ,это демпфер 47ом+ 4n7+47ом.Заполните Профиль
пожалуйста,надо всё таки знать собеседника. |
|
rommy
Модератор
Сообщения: 3188
|
| Ирина Слава писал: | | Элементы стоят параллельно не дросселю,а вторичной обмотке транса ,это демпфер 47ом+ 4n7+47ом. |
вместо 2 смд рез. поставить на 0,5вт резистор 100ом.конденсатор тоже лучше заменить.
в зарядках смд детали в етой цепи часто выгорают. |
|
|
wokerz
|
| Спасибо, завтра попробую. |
|
Ирина Слава
Передовик
Сообщения: 1040
|
| Практически одна и таже схема Orion PW415,находится и качается в интернете ,легко. |
|
|
electrodroid
|
Доброго времени суток.
Подскажите пожалуйста номинал данного резистора (на фото по стрелке), или фотку данного участка платы зарядника Орион PW700.
Все полоски выгорели до черноты!
https://b8.icdn.ru/e/electrodroid/6/61375976MoP.jpg
Фото в начале этого форума к сожалению не помогает разобрать номинал данного резистора. |
|
|
electrodroid
|
Короче, кое как нашёл информацию про этот резистор на форумах с сайта Ориона.
Это резистор первичного запуска 2Вт 51кОм. |
|
|
Tolyansky
|
| electrodroid писал: | Короче, кое как нашёл информацию про этот резистор на форумах с сайта Ориона.
Это резистор первичного запуска 2Вт 51кОм. |
Привет. Получилось отремонтировать? У меня он тоже поджареный, но показывает 52 кОм. |
|
|
electrodroid
|
Всё работает.
Делал запрос на форуме официального сайта Орион.
Ответили, 56 кОм, такой и поставил.
Только этот резистор сгорает не сам по себе, по его цепи пришлось всю SMD мелочь менять и ШИМ IR2101. |
|
|
Tolyansky
|
| Не затруднит, если помнишь, назвать марки смд транзюков, а то не все коды читаемы. Спасибо. |
|
|
electrodroid
|
|
|
FJIeP
|
|
|
mouse-killed
|
Схема.
| 1i.jpg |
| Описание: |
|
| Размер файла: |
235.95 КБ |
| Просмотрено: |
420 раз(а) |

|
|
|