| Автор | Сообщение |
южный
Коммунист
Сообщения: 4985
|
| ПАВ меняй (смотри какой в Рубине или Ролсоне с таким тьюнером стоит). |
|
S-TULA
Завсегдатай
Сообщения: 781
|
| понял я как раз тюнер снял с нового Rolsenа D29SR157.... завтра гляну что там за фильтр.. |
|
|
lyoha69
|
| еле просматриваются дмв, задефектовал PLL-тюнер uv1316/a 1-4,но в продаже есть только uv1316/a I G-3.чем они отличаются? может опциями в сервисе? в поиске информации много, но об этих последних символах в наименовании тюнера - ничего, может кто знает? |
|
viktor_ramb
Сам себе начальник
Сообщения: 23835
|
|
|
ihc
|
Доброй ночи. Помогите советом. Вчера пришел Витязь CTV6643-2 с битой прошивкой прошил вроде пошел но вот дмв диапазон еле проходит хотя 5 метровый идёт хорошо подозреваю EWT-5F3HA2C16W в старых запасах нашел UV1356B/A C K-3 от ониды. Сомневаюсь примет его проц и по возможности подскажите настройки сервиса заказать родимый не успеваю .Заранее благодарен |
|
|
lyoha69
|
| lyoha69, заменил uv1316/a на KS-H-148EA, всё пошло отлично, никаких изменений в сервисе, просто один к одному. |
|
|
kudesnik44
|
| Подскажите пожалуйста,есть аналог у тюнера TEDE9-300A.? Попал под 220вольт и не могу такой найти в продаже. |
|
|
kudesnik44
|
| Вот я и не посмотрер не шасси ни модель телевизора а только номер тюнера тереписал и побежал по магазинам покупать тюнер и не найдя там токого к клиенту не вернулся и он ждёт когда я найду и вернусь. |
|
SVictCh
Иностранный агент
Сообщения: 1382
|
|
MASTER+
Фанат форума
Сообщения: 3299
|
kudesnik44,
chassis CG
TUVIF4EG-771F2=DT5-BF18D=KS-H-134 ?? |
|
|
kudesnik44
|
| Спасибо! Я первый раз на форуме и если не пойдёт самсунговский,посмотрю модель и шасси JVC |
|
|
Corsar0
|
Подскажите аналоги тюнера TDL-3N1G
1 AGC
2 VT
3
4 B2/SCL
5 B1/SDL
6 +5B
7
8
9
10
11 IF |
|
SVictCh
Иностранный агент
Сообщения: 1382
|
| Corsar0, если тюнер аналоговый - пробуй TDQ-5B6M |
|
|
Алекcандр_52регион
|
Доброго времени суток.
Подскажите пожалуйста типа дайте однозначный ответ взаимозаменяемы ли тюнеры PSDMS 001, ENV-79838F2 made in Malaysia на тюнер UVC9412-VCDF на модели телевизора FUNAI 2100MK7?
С уважением, Александр. |
|
MASTER+
Фанат форума
Сообщения: 3299
|
|
|
Missis
|
Здравствуйте,
подскажите плиз, чем можно заменить тюнер
1AV4F1BEB0300?
Такого в продаже нет, телек (Sanyo) каналы не настраивает, хотя DVD показывает.
Заранее благодарна! |
|
|
Alexasha
|
|
makeym
Фанат форума
Сообщения: 9737
|
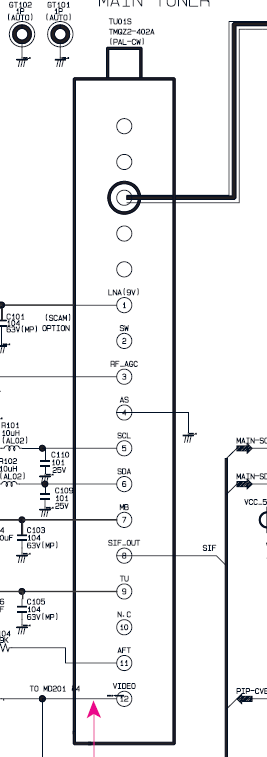
тюнер AA40-00127A TMQZ2-402A - чем заменить?
Вообщем тюнер спалила молния - у нас таких в продаже нет.
Может у него аналог есть? мож кто сталкивался с таким.
тюнер стоит в Самсунге CW-29Z338P

Снимок2.PNG 29.99 КБ Скачано: 4135 раз(а)
|
|
|
Kozhevnikov_ya
|
Panasonic TX-29FX50T
шасси GP41
тюнер ENV59K15G3F
1 - AGC
2 - X
3 - X
4 - SCL
5 - SDA
6 - X
7 - +5v
8 - X
9 - BTL
10 - IF1
11 - IF2
в грозу смотрели второй метровый диапазон - пропал. Первый и ДЦМ диапазоны работают
Схема подключения такая же у ENV59K30G3F, ENV56K19G3F, ENV56K23G3F
В поиске данных мало, в интернет-магазинах его нет
Какая промежуточная частота? Чем заменить? В сервисе что изменить? Спасибо!
тюнер ENV59K15G3F.rar 10.76 КБ Скачано: 951 раз(а)
|
|
АВАС
Фанат форума
Сообщения: 7534
|
Kozhevnikov_ya, а починить? второй диапазон - это "кастрированый коммутацией" первый. промежуточная - это о чём?  |
|