| Автор | Сообщение |
|
D.i.m.a
|
Доброго всем времени суток!
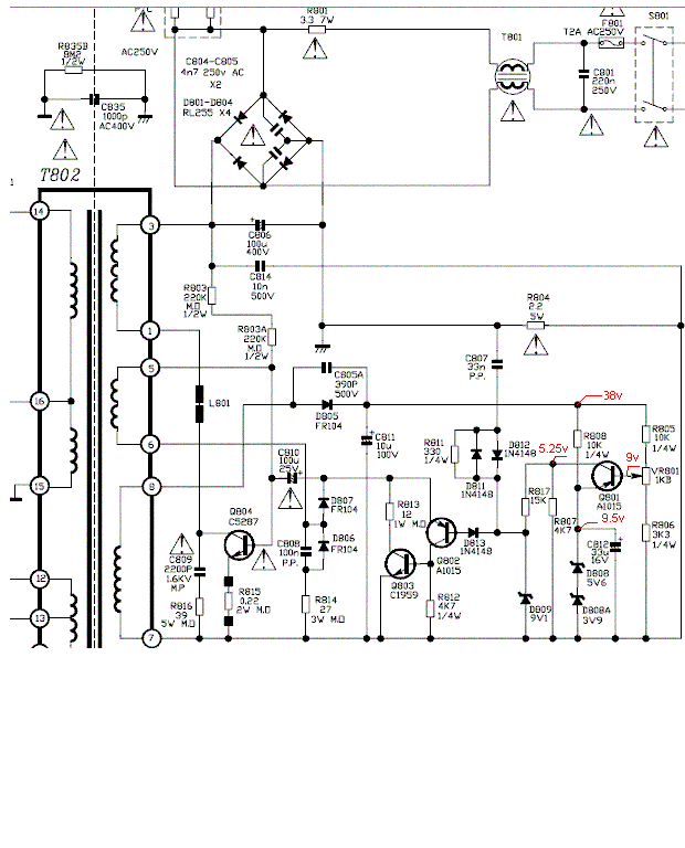
Шасси M28, проц. TCL-A30V02-TO 8821CRNG5JB2, звук TDA7057AQ.
После включения через 10 минут переходит в режим Stand-by, светодиод на корпусе горит (вначале появления проблемы гаснул).
Думаю есть связь с ИБП (схему этой части прилагаю), проверил по сервис мануалу все указанные напряжения - норма, начал мерять на стабилитронах, подозрение на транзистор Q801 (хотя не звонится), измерял все мультиметром, подскажите, кто сможет, куда двигаться.
ИБП2.GIF 46.72 КБ Скачано: 2368 раз(а)
|
|
C1-65A
Фанат форума
Сообщения: 4561
|
| Цитата: | | Думаю есть связь с ИБП | на основании чего?
ДОБАВЛЕНО 30/01/2010 20:39
D.i.m.a, огласи список напряжений с ИПБ, так же, проследи сигнал IDENT. Для начала. |
|
|
D.i.m.a
|
| На основании прочитанных в форумах вариантов неисправностей, хотя не могу зацепиться, не знаю также аварийных причин по которым процессор взводит сигнал Stand-by... |
|
C1-65A
Фанат форума
Сообщения: 4561
|
| Цитата: | | огласи список напряжений с ИПБ, так же, проследи сигнал IDENT. Для начала. |
|
|
|
D.i.m.a
|
Хорошо, сейчас приведу точный список напряжений, но если мне еще расшифруют что за сигнал IDENT, буду вдвойне благодарен. (в мануале не могу найти)
ДОБАВЛЕНО 30/01/2010 21:12
Напряжения ИБП:
112v - 119v
15 - 13.75v
12v - 13.77v
H.VCC - 9.31v
8v - 9.81v
5v кренка проц. - 5.05v
ДОБАВЛЕНО 30/01/2010 21:13
извиняюсь, немного ошибся:
112v - 111.9v |
|
Бакум
Рождённый в СССР
Сообщения: 12733
|
| D.i.m.a писал: | Напряжения ИБП:
112v - 119v
| D.i.m.a писал: | 15 - 13.75v
12v - 13.77v |
H.VCC - 9.31v
8v - 9.81v
5v кренка проц. - 5.05v |
это что, за разница?
ДОБАВЛЕНО 30/01/2010 22:39
и кнопки на передней панеле отключи,бывает текут. |
|
answer
Передовик
Сообщения: 1885
|
| D.i.m.a писал: | | После включения через 10 минут переходит в режим Stand-by |
| D.i.m.a писал: | | что за сигнал IDENT |
нет сигнала приема-контроллер TMPA8821 переведет ТВ в Д.Р. |
|
goga_tv
Фанат форума
Сообщения: 4857
|
| D.i.m.a, во время работы (10 минут) звук присутствует? |
|
|
D.i.m.a
|
во время работы (10 минут) телевизор полностью функционален.
ДОБАВЛЕНО 31/01/2010 00:18
По поводу разницы номинальных и измеренных напряжений:
15v идет только для получения контрольного сигнала напряжения вторичной обмотки процессору H.VCC, а оно в норме 9.31v (по мануалу 9.0v).
12v идет для питания TDA7057AQ, (измеренные 13.77v входят в диапазон ее питания по pdf). |
|
goga_tv
Фанат форума
Сообщения: 4857
|
D.i.m.a, ну так помоги БП выключится раньше. Фен в руки и прогревать - по итогу делать выводы.
После перехода в деж. режим ТВ сразу запускается? Сколько работает после второго запуска, третьего? |
|
|
D.i.m.a
|
| После перехода в Д.Р. запускается сразу, время работы после очередного включения (раз пять пробовал) примерно одинаковое 10-15 мин., фен не помогает. |
|
goga_tv
Фанат форума
Сообщения: 4857
|
D.i.m.a, нужно определится в чем первопричина : в БП, или управлении.
Есть два способа
1 подбросить другой БП (самый надежный способ)
2 убрать с 64 ноги перемычку и понаблюдать , отключится? |
|
Лё
Добрый доктор
Сообщения: 446
|
| D.i.m.a писал: | | После перехода в Д.Р. запускается сразу, время работы после очередного включения (раз пять пробовал) примерно одинаковое 10-15 мин., фен не помогает. |
Либо фен не туда направил, или линза в помощь  |
|
Yuritsh
Фанат форума
Сообщения: 18498
|
| D.i.m.a писал: | | Shivaki CE14N01 | Ты уверен, что это Shivaki, может всё-же Sanyo? |
|
|
D.i.m.a
|
Фирму я не перепутал, а вот с проблемой накладочка вышла из-за моей неграмотности:
- вначале появления неисправности ТВ отключался с поданным RF сигналом, а после я его отключил (не знал я...) и указанная периодичность отключения в 15 мин. была вызвана штатной отработкой программы процессора, который просто не видел IF сигнала и переводил ТВ в Stand-by.
- теперь уже час работает с RF не отключаясь, буду ждать проявлений дальше... |
|
мастер-ломастер
Модератор
Сообщения: 9972
|
| D.i.m.a, Сигнал IDENT это сигнал идентификации видеосигнала, то есть он присуствует только при подключенной антенне, если его нет 10-15 минутто телик переключается в деж .режим , так как в связи например окончанием телепередач пропадает телесигнал. |
|
|
D.i.m.a
|
|
goga_tv
Фанат форума
Сообщения: 4857
|
goga_tv, спрашивал
| Цитата: | | во время работы (10 минут) звук присутствует? |
D.i.m.a, отвечал:
| Цитата: | | во время работы (10 минут) телевизор полностью функционален. |
и как без антэны ты звук слышал???
Тема не о чем внимательность мастера зачем такие ответы???
Причина неисправности - забыл вкючить телевизор  |
|
|
D.i.m.a
|
ну, что ж и на старуху находится проруха  |
|
Лё
Добрый доктор
Сообщения: 446
|
Изменил , посчитал, в этой теме нету смысла этого высказывания, что было написано до этого.
Кто не успел, тот без тапок  |
|