| Автор | Сообщение |
|
vitaliu57
|
Здравствуйте. Телевизор Thomson 21DVC12KH шасси ETC009
http://monitor.espec.ws/section1/topic126541.html
Состав
проц. TDA12072H/N1D00
Кадровая TDA8172
Проблема такая - после запуска на экране белая полоса, и спустя 1-2 секунд переходит в д.р., как бы неисправность кадровой развертки.
Питание кадровой в норме +/- 13,6 вольт.
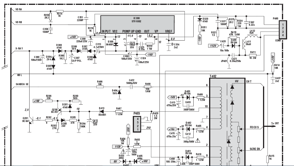
Конденсаторы C308, C324 заменил (увеличеное esr).
Подкинул м\c STV9302B - все как было так и осталось, ставил ее б\у, выпаял из донорского шасси.
Вся остальная обвязка в норме, все конденсаторы в пределе нормы, хотя подгулял немного С313, тоже заменил.
Погуглил по этом шасси, где то писали что мог подыхать кинескоп.
Подкинул кинескоп от Сатурна 21" с его же отклоняющей и платой кинескопа - та же самая белая полоса,и так же переходит в д.р.
Что может быть еще?

.png 75.92 КБ Скачано: 448 раз(а)
|
|
vadim3008
Мастер Добрых Дел
Сообщения: 5819
|
vitaliu57, а 323-360 кому оставил?Наличие осциллографа?
Заменить одну запцацку,правда перед этим всё проверить! |
|
REKKA
Фанат форума
Сообщения: 3722
|
|
vadim3008
Мастер Добрых Дел
Сообщения: 5819
|
| REKKA писал: | | vitaliu57,С420 смотри |
 |
|
SASHATOD
Фанат форума
Сообщения: 9885
|
Скорее всего вольтодобавка высохла и рубит кадровые.
REKKA, А С420 каким боком  |
|
vadim3008
Мастер Добрых Дел
Сообщения: 5819
|
SASHATOD, не обращай внимания,у него частенько такое!  |
|
|
vitaliu57
|
Осцилограф есть, но там из синхронизацией беда, разве что амплитуду посмотреть.
C420 кстати менял когда все перемерял, тоже esr было очень завышено |
|
SASHATOD
Фанат форума
Сообщения: 9885
|
vadim3008,
vitaliu57, Да и скопом с С гашения обр.хода замени диод гаш. обр. хода. |
|
vadim3008
Мастер Добрых Дел
Сообщения: 5819
|
| vitaliu57 писал: | | C420 кстати менял когда все перемерял, тоже esr было очень завышено |
vitaliu57, а,ты что, уже все поменял?Не верю! |
|
|
vitaliu57
|
Честное слово
4 трупика конденсаторов лежат на столе.
| Цитата: | | диод гаш. обр. хода. |
А можете тыкнуть пальцем в него? Простите за неопытность |
|
SASHATOD
Фанат форума
Сообщения: 9885
|
vitaliu57,
D309,C423 темы нужно читать и будешь знать как работает аппарат  |
|
|
vitaliu57
|
SASHATOD, полностью исправен он, проверял выпаяным, подкинул другой для верности, ничего не изменилось
Правда еще что бы включить телевизор, нужно кнопку на панели раз 6-7 жать, она вроде как сенсорная, может просто от времени начала подглючивать, а может это как то связано... |
|
SASHATOD
Фанат форума
Сообщения: 9885
|
| vitaliu57, Ну а на вх.кадровой имп. какие то приходят? |
|
валентин-сибиряк
Фанат форума
Сообщения: 9028
|
| vitaliu57, а кадровая успевает нагреться? |
|
|
vitaliu57
|
Снимал с первой ножки кадровой, амплитуда приблизительно 1 вольт. Прикрепил фото (простите за качество, не успеваю ловить).
Про нагрев - специально включил 5 раз под ряд, не греется , ну может градусов 30.

|
|
vadim3008
Мастер Добрых Дел
Сообщения: 5819
|
| vitaliu57 писал: | | 4 трупика конденсаторов лежат на столе. |
vitaliu57, давай позиционные номера!Того,что поменял! |
|
|
vitaliu57
|
|
vadim3008
Мастер Добрых Дел
Сообщения: 5819
|
vitaliu57, а,почему ни слова,как поживает,C313?
ДОБАВЛЕНО 27/10/2016 13:17
недосмотрел...
ДОБАВЛЕНО 27/10/2016 13:18
есть,новая микра,может ещё одну попробовать? |
|
|
vitaliu57
|
| Цитата: | | есть,новая микра,может ещё одну попробовать? |
Да и сам уже к этому склоняюсь, буду сейчас искать и ставить, потом отпишусь |
|
VStar47
Завсегдатай
Сообщения: 829
|
|