| Автор | Сообщение |
|
Михайло20
|
Собственно аппарат вот он - http://monitor.espec.ws/section1/topic167250.html
Состав -
UOC - 8896CSNG7E18
SMPS - STR-W6753
TR Chopper - BCK-28-49-01-99
Vertical - LA78041
Tuner - EWE-5053-V8 / DWE-7053B-PLL1
Tube - A51CPAB00X02
FBT - BSC26-T1010A
HOT - D1555
Взорвалась кадровая LA78041, заменена такой же + конденсатор вольтодобавки С451 + выходной C457. Сейчас микросхема греется. Думаю изза того, что не в порядке напряжения на выходе БП.
Регулятор напряжения скручен на минимум, и мы имеем вместо:
+130 - +104
+12 - +13.3
+27 - +28.8
Сразу было выставлено там где по схеме +130 - +110, соответственно были завышены и остальные напряжения - на +27 было более 31 вольта, на +12 - почти 15 вольт.
При этом на +27 (кадровая) на осциллограмме - здоровенного размаха пила, емкостями не убираемая. От этой же линии подается питание на транзистор TMS, т.е. эта же пила попадает в результате и на базу HOT. Особого нагрева HOT нет.
На изображении никаких дефектов не наблюдается.
Нагрев микросхемы - в районе 60 градусов. Может оно так и надо? Т.е. 130 для такой диагонали что-то дофига, может там и надо 110, но почему другие напряжения полезли вверх? Подозреваю, что дальше они уплывут еще больше. Узнать бы от чего.
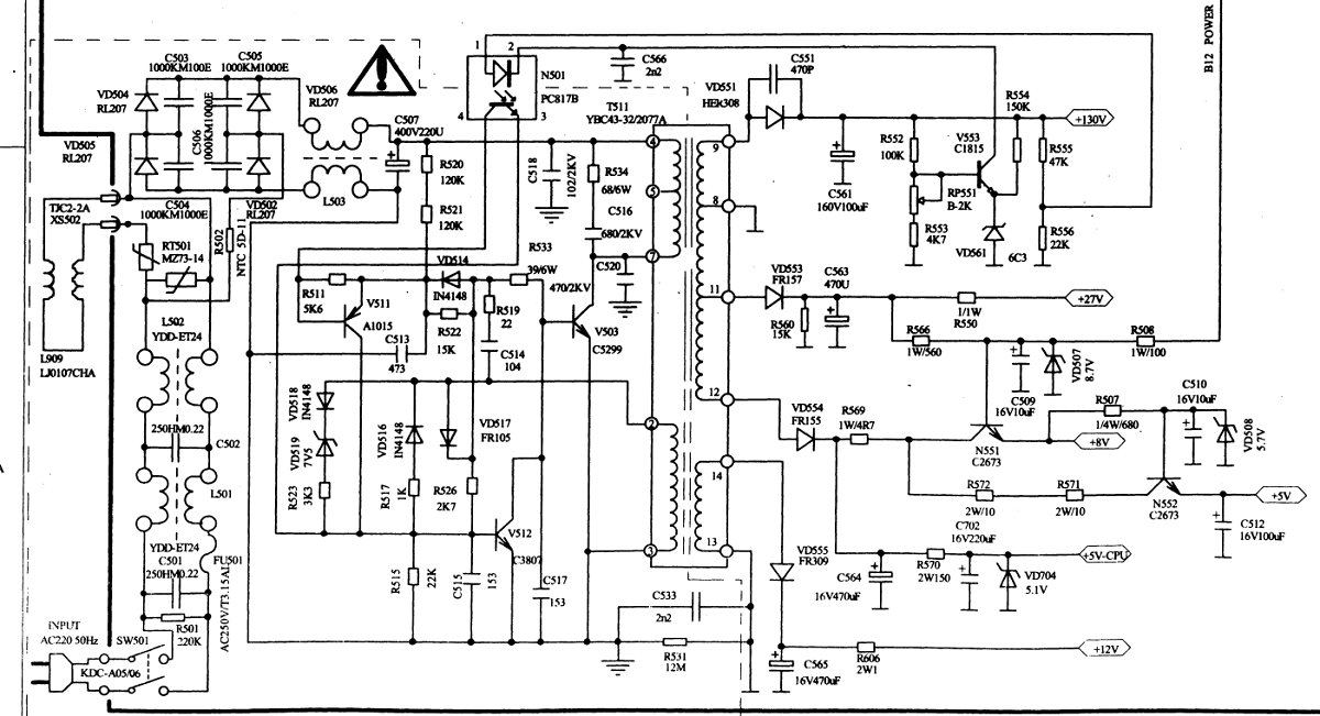
Еще надо отметить что БП отличаеться от указанного в доступной схеме, ибо собран на STR-W6753
| 1.png |
| Описание: |
| БП (у нас на микросхеме, но схема регулировки такая же) | |
| Размер файла: |
284.98 КБ |
| Просмотрено: |
1398 раз(а) |

|
|
|
виктор-теледоктор
Фанат форума
Сообщения: 13900
|
| Михайло20,Не заморачивайся, 60 град-это норма. А напруга В+ зависит от диагонали и типа кинескопа. |
|
Telik
Модератор
Сообщения: 1962
|
| Так дайте схему вашего блока питания в тему и состав сюда перепишите... |
|
ALEGA
Завсегдатай
Сообщения: 502
|
| Я бы проверил все електролиты БП ,проверил резисторы(на соответствие номинала ,потемневшые менять) что идут с +В на схему упр. оптопарой .Контроль +В по накалу проверь. |
|
|
Михайло20
|
| Telik писал: | | Так дайте схему вашего блока питания в тему и состав сюда перепишите... |
К сожалению схемы БП нет. Та что скачал тут на сайте - имеет блок на дискретных элементах, у меня на STR-W6753, которая, судя по всему, включена вполне согласно даташиту http://archive.espec.ws/section428/file25043.html |
|
Oлег
Модератор
Сообщения: 3983
|
| Норма все, особенно если кинескоп слим. Это шасси такое |
|
|
Михайло20
|
| Спасибо, друзья. Скорее всего, таки просто оно такое шасси, как писали Oлег и виктор-теледоктор. Там хоть и завышены эти напряжение, но большинство из них потом проходят стабилизацию, так что основной схеме оно пофиг. Тему можно закрывать. |
|