| Автор | Сообщение |
ZET
Гуру по непропаям
Сообщения: 524
|
Состав: ПРОЦ - TDA9381PS/N2, 24С08, КАДРОВАЯ - TDA9302H, СЕЛЕКТОР - KS-H-146EA, PET19-37.
Включается, но через 5-15 секунд отключается.
Светодиод при этом гаснет, после не включается с пульта и клавиатуры, пока не перещелкнешь сеть.
Напряжения в норме, память с прошивкой подставлял, хотя пускается с чистой памятью тоже. Думаю на проц или тюнер. Может опции на тюнер надо выставить?
Господа, может кто сталкивался с подобным, скиньте идею. |
|
makar.i
Фанат форума
Сообщения: 4035
|
| Цитата: | | Думаю на проц или тюнер.Может опции на тюнер надо выставить? | может и надо!!!
Только после того как БП почините! |
|
Юрий
Передовик
Сообщения: 1391
|
| ZET писал: | Светодиод при этом гаснет, после не включается с пульта и клавиатуры, пока не перещелкнешь сеть.
Напряжения в норме, |
После отключения в норме? |
|
ZET
Гуру по непропаям
Сообщения: 524
|
При отключении повышается В+ до135v.12v-в норме.Еще появляются цветные гор.полосы,по всему экрану мигают 2-3раза,после отрубается.Иногда успевает сказать ДОСВИДАНЬЯ,но не всегда.
Добавлено 06/12/2006 11:16
Шасси-S 0208. |
|
|
Gegger
|
| ZET писал: | | Еще появляются цветные гор.полосы,по всему экрану мигают 2-3раза |
А это похоже на срыв строчной синхронизации? |
|
makar.i
Фанат форума
Сообщения: 4035
|
ZET, нет такого шасси!!! есть S08; S-0805; S-0807
какое? |
|
ZET
Гуру по непропаям
Сообщения: 524
|
Извините - шасси S-0802. А помехи на срыв стр. синхр. не похожи, скорее на пульсации по питанию. ТДКС, кадровую, стр. транзистор, электролиты по питанию, UC3842 в БП подставлял, без результата  |
|
Альберт.
Завсегдатай
Сообщения: 434
|
51CTV4110 - S-0802, S-0805, S-0807, да причём здесь шасси? Какая разница. ZET, Написал же Состав: ПРОЦ - TDA9381PS, что ещё надо.
| ZET писал: | | При отключении повышается В+ до135v |
Вот отсюда и пляши.
При повышении питания увеличивается ускоряющие напряжение. Процу это не нравится (так как ускоряющее им контролируется, в сервисе параметр Vg2), вот он и прощяется.
Чините источник.
Ещё вариант. Зайди в сервисный режим и жди пока не пойдёт дым  |
|
guver
Завсегдатай
Сообщения: 415
|
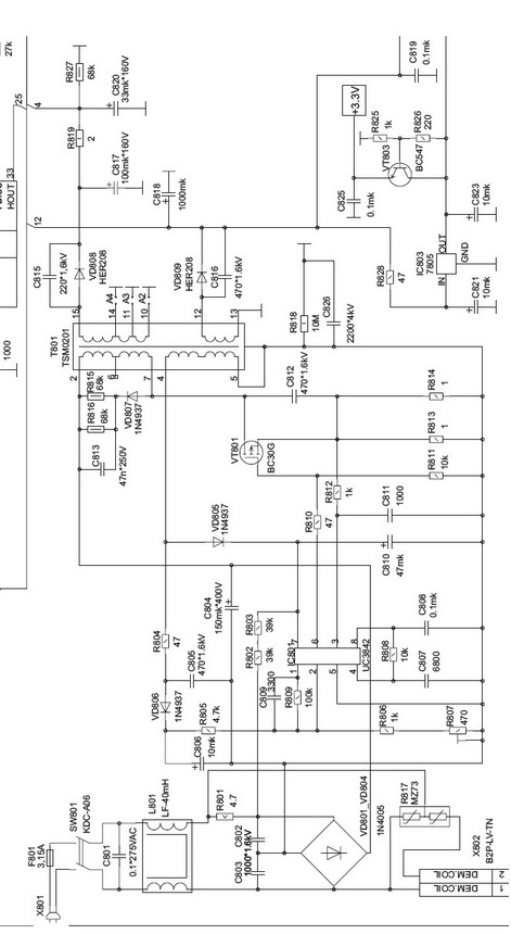
| хоть кусок схемы бы скинул если есть там оптопара то проверяи ее обвес |
|
Альберт.
Завсегдатай
Сообщения: 434
|
| guver писал: | | хоть кусок схемы бы скинул если есть там оптопара то проверяи ее обвес |
да нет там никакой пары.
Image1.jpg 77.95 КБ Скачано: 3694 раз(а)
|
|
makar.i
Фанат форума
Сообщения: 4035
|
Альберт.,
что бы в названии темы было правильно написано,дабы не дезинформировать участников
| Цитата: | | ZET, Написал же Состав:ПРОЦ-TDA9381PS |
Альберт.,
так Polar в этих шасси только этот монопроцессор и использует.
А насчет :| Цитата: | При повышении питания увеличивается ускоряющие напряжение. Процу это не нравится (так как ускоряющее им контролируется, в сервисе параметр Vg2), вот он и прощяется.
| это точно подмечено |
|
guver
Завсегдатай
Сообщения: 415
|
| просмотри r806.r805.и замени r807 |
|
ZET
Гуру по непропаям
Сообщения: 524
|
Господа, я много пропустил, сдох комп, только закончил возиться.
Ускоряющее влияет на время отключения, я это заметил, но не придал значения. Завтра выясню. sergeih, извините, но я не знаю как отредактировать название темы. |
|
johanh
Передовик
Сообщения: 2816
|
| В первом своем сообщении нажать "Изменить" В графе "Тема" редактируй.Успеха. |
|