| Автор | Сообщение |
лукавый
Завсегдатай
Сообщения: 697
|
| Ни кто не собирал схемы для этого. Купить конечно всё можно хочется руками поработать. |
|
Мелиор
Старший модератор
Сообщения: 35660
|
| лукавый писал: | | Ни кто не собирал схемы для этого. Купить конечно всё можно хочется руками поработать. | В самом вопросе кроется противоречие - хочется работать руками - дави на акупунктурные точки руками. Для такого воздействия они, собственно и проектировались, а стимуляторы это от лукавого
А, ну да, ты и есть лукавый  |
|
БЕЗЫМЯННЫЙ
Бегущий по граблям
Сообщения: 7608
|
Лет 40 назад в свободное от службы время баловался этим на доступной тогда элементной базе взаимодействуя с доктором, большим спецом и энтузиастом. Результаты по сравнению с имевшимся на то время оборудованием, особенно диагностическим были неплохие. Но уволился в запас и все как то сошло на нет.
Кстати имейте в виду что если что то пойдет не так, то даже при питании прибора 4,5 в безо всяких преобразователей можно отправить пациента в глубокий нокаут, ему это вряд ли понравится. |
|
лукавый
Завсегдатай
Сообщения: 697
|
| Прибор нужен не для стимуляции а точного нахождения точек а стимулятор будет рука. |
|
Мелиор
Старший модератор
Сообщения: 35660
|
| лукавый писал: | | Прибор нужен не для стимуляции а точного нахождения точек а стимулятор будет рука. | Ну так есть атласы с точным описанием расположения точек - столько-то цуней от такого-то места... |
|
валентин-сибиряк
Фанат форума
Сообщения: 9057
|
2 месяца назад отдали эту игрушку.Что за бяка ,не знаю.
 |
|
БЕЗЫМЯННЫЙ
Бегущий по граблям
Сообщения: 7608
|
валентин-сибиряк, это специальный китайский аппарат для избавления пациента от денег распространялись как правило бегунками по квартирам пенсионеров. Жаль средства от этих бегунков не было придумано. |
|
|
alek70
|
| БЕЗЫМЯННЫЙ писал: | валентин-сибиряк, это специальный китайский аппарат для избавления пациента от денег распространялись как правило бегунками по квартирам пенсионеров. Жаль средства от этих бегунков не было придумано. |
Прибор Д' Арсонваля, вот настоящий аппарат по отъёму денег у населения...
 |
|
БЕЗЫМЯННЫЙ
Бегущий по граблям
Сообщения: 7608
|
| alek70, и тем не менее является официальным мед изделием в отличие от ппредыдущего экспоната. Уточню, речь не о конкретно этом изделии а о принципе в целом. Доводилось ремонтировать аппараты из гос клиник. |
|
Nik_Al
Старый таёжник
Сообщения: 34334
|
| alek70, Медицина всегда была очень выгодным бизнесом. Ибо человек готов отдать всё, чтобы быть здоровым. Поэтому после тго, как государство ослабило контроль, эту нишу быстро заняли шарлатаны. Наверное помните все как Чумак заряжал воду и лосьёны через телевизор. А Кашпировский лечил таким способом энурез. |
|
Nik_Al
Старый таёжник
Сообщения: 34334
|
А в общем.. нам очень повезло, что мы родились и живем в современном и цивилизованном мире.
Представляют, если бы мы жили в средние века. Это в страшном сне не приснится.
Заглядывая в историю, удивляешься, как вообще человечество выживало, вопреки тому, какими способами лечило себя. В средневековые времена врачи все больше не лечили, а ставили жуткие эксперименты на своих пациентах. Существовало большое множество страшных и кровожадных способов избавления больных от недугов. |
|
RomanRB
Модератор
Сообщения: 31879
|
Nik_Al, Да хер знает.... Я вот посмотрел на Прибор Д' Арсонваля, который постом выше.
Чёт у меня не возникает желания (от слова вообще) в задницу его себе засовывать.  |
|
Nik_Al
Старый таёжник
Сообщения: 34334
|
| RomanRB писал: | Nik_Al, Да хер знает.... Я вот посмотрел на Прибор Д' Арсонваля, который постом выше.
Чёт у меня не возникает желания (от слова вообще) в задницу его себе засовывать.  |
Геморрой появится - захочешь.
Там не только в задницу - во все дырки какие только есть предусмотрено.  |
|
лукавый
Завсегдатай
Сообщения: 697
|
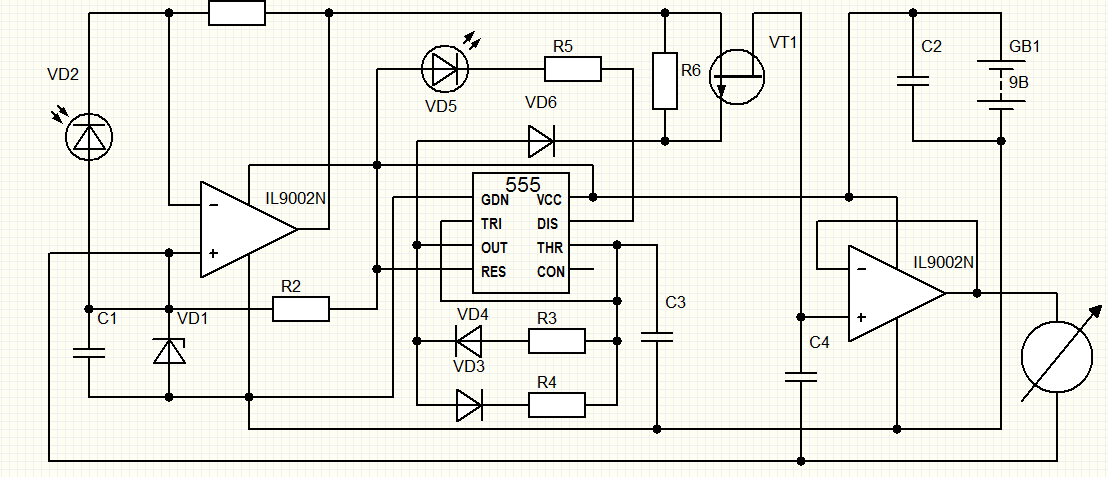
вот тоже интересный прибор он определят точки но нет номиналов деталей.http://monitor.espec.ws/files/9b6983b6f4a816a68a8702d496bd030c_146.png
9b6983b6f4a816a68a8702d496bd030c.png 47.02 КБ Скачано: 140 раз(а)
|
|
|
alek70
|
|
RomanRB
Модератор
Сообщения: 31879
|
alek70, Раньше врачи банки прописывали. Сейчас говорят, что они абсолютно бесполезны и даже вредны.
А ещё раньше лоботомию делали, мышьяком и опиумом лечили.
Херня это всё. Из цикла "Китайская медицина". Глобальное наипательство в общем.  |
|