| Автор | Сообщение |
|
Dimaelmira
|
| почему у меня к555ир8 не правильно тактируют все соединил правильно но тактируют не правильно лишние такты появляются |
|
rematik
Флудоголик
Сообщения: 35541
|
| Dimaelmira, она так же и работает, как спрашиваешь. Правила и таблицы истинности для кого писаны? |
|
мастер-ломастер
Модератор
Сообщения: 9972
|
Dimaelmira, сделай сброс, и заново запиши  |
|
-20 dB
Фанат форума
Сообщения: 7674
|
Dimaelmira, тактовые импульсы с кнопы берёшь? А дребезг чем устраняешь?
А название темы - полный ппц. Я думал, тут хулиганы наших зрения лишают. |
|
|
Dimaelmira
|
| такт подаю через lpt порт данные тоже сброс подал сразу +5 (он мне не нужен) . подключил светодиоды к 8 выходам регистра и смотрю подал 0 нормально подал 1 нормально когда подаю еще ноль получается 0110 когда должно быть 010 |
|
rematik
Флудоголик
Сообщения: 35541
|
| Цитата: | | 8-ми разрядный сдвиговый регистр с последовательной загрузкой и параллельной выгрузкой. Наличие двух входов загрузки A и &A позволяет использовать один из них в качестве управляющего загрузкой данных: низкий уровень на одном из них запрещает прохождение сигнала со второго. Низкий уровень на входе R устанавливает все выходы микросхемы в 0. |

|
|
|
Dimaelmira
|
| rematik писал: | | Цитата: | | 8-ми разрядный сдвиговый регистр с последовательной загрузкой и параллельной выгрузкой. Наличие двух входов загрузки A и &A позволяет использовать один из них в качестве управляющего загрузкой данных: низкий уровень на одном из них запрещает прохождение сигнала со второго. Низкий уровень на входе R устанавливает все выходы микросхемы в 0. |
| я все это знаю прекрасно но все равно не работает поверьте мне я все делаю правильно(подключение и управление) но у меня есть сомнения что это поразитные токи как вы считаете , лишние такты появляются.(самопроизвольно) черт их отдери!!!!!!!!
ДОБАВЛЕНО 24/06/2008 00:21
m.ix,
не помойка !!! а брэнд тема |
|
KRAB
Распугиватель клиентов
Сообщения: 21704
|
| Dimaelmira писал: | | лишние такты появляются.(самопроизвольно) черт их отдери!!!!!!!! | могут быть из-за | DeBill писал: | | дребезг чем устраняешь | - RS-триггер стоит, например или одновибратор после кнопки? Да и вообще - ТЗ нет, схемы нет, а ты - | Dimaelmira писал: | | брэнд тема | , разве что для Корзины!
А ЭТО - | Dimaelmira писал: | | поразитные токи | - просто БРЕД! |
|
|
Dimaelmira
|
дребезг я не чем не устраняю если не трудно посоветуйте как устронять
ДОБАВЛЕНО 24/06/2008 00:44
схема мне кажется не нужна не чего сложного нет lpt порт он в компе есть через паскаль управляю подсоединил регистр к555ир8 тактирую 01 01 01. вот даже сейчас опять проверял лишние такты откудото появляются. еще есть интересное наблюдение свет в комнате выключаю и включаю тоже тактирует регистр. ЧТО ДЕЛАТЬ???  |
|
KRAB
Распугиватель клиентов
Сообщения: 21704
|
| KRAB писал: | | RS-триггер стоит, например или одновибратор после кнопки |
ДОБАВЛЕНО Июнь 23 2008
Ссылка
ДОБАВЛЕНО Июнь 23 2008
| Dimaelmira писал: | | ЧТО ДЕЛАТЬ??? | - так у тебя с LPT-порта! Длина кабеля? Полно же всего в нете про ЭТО! |
|
|
Dimaelmira
|
KRAB,
Но у меня нет не каких кнопок контактов и всего прочего где мог бы появляться дребезг
все спаяно (lpt порт ----> микросхема)
и lpt кабель у меня 1.5 метра
откуда лишние такты!!!!! в регистре к555ир8 |
|
KRAB
Распугиватель клиентов
Сообщения: 21704
|
Dimaelmira, так про ЭТО сразу писать нужно, ты буквосочетание ТЗ понимаешь? Когда я ЭТО понял, что у тебя кнопки нет - сразу написал: | KRAB писал: | | так у тебя с LPT-порта! Длина кабеля? Полно же всего в нете про ЭТО! |
|
|
rematik
Флудоголик
Сообщения: 35541
|
| Dimaelmira, лишние такты - это что? Объясни. Это что в твоём случае? |
|
|
Dimaelmira
|
rematik,
это то что скажем подаю 0 на данные делаю такт затем подаю 1 на данные делаю такт затем подаю опять 0 делаю такт должно получиться 010 но после последнего такта получается не 010 а 0110 предпоследняя единица лишняя. вообще я повторяю циклы 01010101 но получается 0110110
зачем зачем зачем !!!! (головой об стол) |
|
rematik
Флудоголик
Сообщения: 35541
|
| Dimaelmira писал: | | rematik, вообще я повторяю циклы 01010101 но получается 0110110 |
Получается, не хватает тактов у тебя , а говоришь: лишние. А какой смысл в том, чтобы давать и получать одно и то же? |
|
iga
Заместитель Администратора
Сообщения: 12524
|
| Dimaelmira, ты хоть суть дела опиши.для чего это всё? что бы в контексте понятно стало. а то получается " шланг прямой, а вода идёт рывками, почему?" - - - - - - - - - На форуме ESpec 2 414 841 сообщений в 228 177 темах.
|
|
|
Искатель
|
| Ситуация с выключателем очень знакомая. Фильтры в питании - как минимум, проверь ёмкость впаянных блокировочных конд-в. Посмотри осциллограммы на шине питания при "включении света". |
|
Максим_64
Передовик
Сообщения: 1422
|
| Триггеры Шмидта желательны при приёме данных с лпт. Или буфера 125, 244, а прямо к лпт РЦ 100 Ом, 300 пик |
|
|
Dimaelmira
|
делаю бегущую строку, матрица светодиодов 16*160, поставил в ряд 20 регистров ну и 16 вниз, с компа загружаю информацию но такты идут не правильно вместо 01 появляется 011 два такта нормально (тобишь 01) а последняя единица сама появляется, ее не должно быть (такта не делаю а она дрянь вылезает)!!!!!!!!!!!!!
ДОБАВЛЕНО 25/06/2008 15:52
Искатель, блокировочные кондеры они куда должны ставяться и на сколько у меня их нет в схеме, у меня вообще нет не чего кроме микросхем и светодиодов ни каких других радиодеталей больше нет
ДОБАВЛЕНО 25/06/2008 15:54
Максим_64, скажите пожалуйста подробнее что это "буфера 125, 244, а прямо к лпт РЦ 100 Ом, 300 пик"
Я в электронике на 3-----  |
|
Максим_64
Передовик
Сообщения: 1422
|
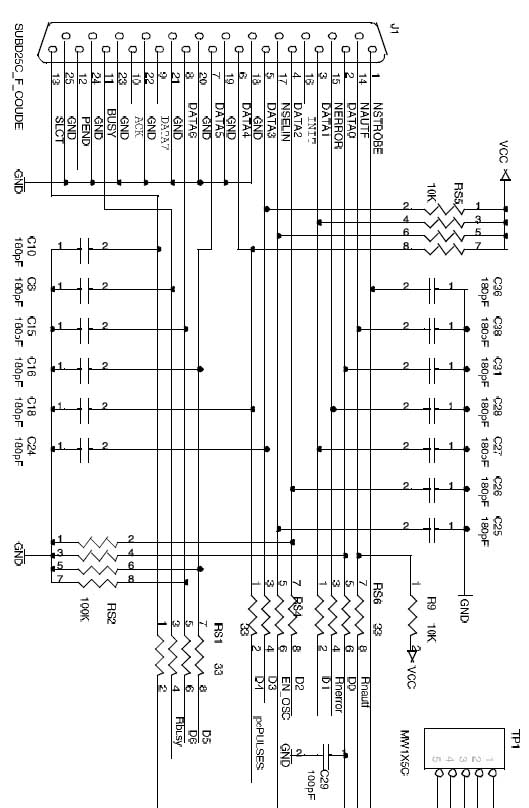
схему покажь, от лпт до регистра.
Есть ли поддтяжки входов С и DSa, DSb к земле?
| Dimaelmira писал: | | а последняя единица сама появляется, ее не должно быть |
Осциллоскопом видно дополнительный фронт/уровень?
Под чем пишешь? Может быть программно-драйверный глюк какой? Поставь второй регистр параллельно на соплях и посмотри, что на нём вылазит. Тестовый регистр лучше взять какой-нибудь другой логики, например hc164.
Как вариант снизь частоту вывода на порт и смотри по мыргам
ДОБАВЛЕНО 25/06/2008 15:11
| Dimaelmira писал: | | подробнее что это "буфера 125, 244, а прямо к лпт РЦ 100 Ом, 300 пик" |
Буфера это буферные формирователи, например типа АП5
Вот как надо делать от лпт до мс (номиналы тут для серии hc , т.е. КМОП)
Регистры прямо к лпт (или к другим длинным шинам) включать не рекомендуется, так как они чувствительны к качеству фронтов/спадов
lpt-hc.jpg 78.91 КБ Скачано: 1638 раз(а)
|
|