| Автор | Сообщение |
|
BaMaWa
|
ищу схему Rekord CT2903pf. Не регулируется подушка
Ищу схему на Rekord ct2903pf. Шасси - PX20056-12GG. Выставленная схема на шасси PX20045 НЕ ПОДХОДИТ!!! (и тему закрыли для обсуждения;-((). Не регулируются подушкообразные искажения. Микросхему TDA8145 менял, модулятор целый. Размер по горизонтали регулируется, в небольших размерах регулируется трапеция. Где копать? В PX20045 не изображён вообще модулятор и схема коррекции.
ДОБАВЛЕНО 27/10/2011 17:19
TDA8145 включена не по типовой схеме. Входы 1 и 2 не имеют никуда выхода, кроме массы... |
|
KRAB
Распугиватель клиентов
Сообщения: 21704
|
| Изучи принцип работы и проверки E/W (в Гугле есть тема) и не задавай глупых вопросов! |
|
|
BaMaWa
|
| архив схемы на шасси px20056 держит в себе вместо этого схему на шасси px20045. ОНА НЕ ПОДХОДИТ!!! На схеме нет диодного модулятора и схемы коррекции на микросхеме TDA8145! Если есть схема на Rekord ct2903pf, буду очень признателен! |
|
|
BaMaWa
|
| уточнение: шасси PX20056---12GG |
|
|
BaMaWa
|
| Схему найти не удаётся. В предлагаемых схемах платформа px20045 (даже если архив называется PX20056). Она не совместима с px20056-12GG. TDA8145 менял, все резисторы действуют на расширение изображения. Где могла порытся собака??? В предлагаемых схемах Rekord отсутствует эта микросхема и модулятор. |
|
ut3eo
Завсегдатай
Сообщения: 928
|
BaMaWa, Какая микросхема? Какой модулятор? На какой-такой платформе? Где состав? Оформи тему по правилам , а то полетит она под хвост твоей собаки  |
|
Yuritsh
Фанат форума
Сообщения: 18498
|
| Сообщение Администрации : | BaMaWa, прежде чем мусорить на форуме, читаем и изучаем ПРАВИЛА |
|
|
|
tovirus
|
Camex cx2117n слабый растр
шасси Px20056-10c.
состав:
FBT BSC25-n0365
Hot Tt2140
бп трехтранзисторный
проц Tda9381PS/n3/2/1831
кадровая stv9302
Телик был у меня год назад. Проблема - пробой из ТДКСа в радиатор транзистора бп, в виде дуги. Я почистил, изолировал, все было нормально год. Но теперь о пять с етой проблемой. Я опять все обработал, но на етот раз оказывается что изображение ели видна, хотя OSD очень хорошо виден.спросил у других мастеров, они намекают на АББ. Читал по форумах что надо заити в сервис и отключить BCF. Но в сервисе такой параметр нет. Подтолкните пожал, где рыть... |
|
NikolaiMalaxov
Передовик
Сообщения: 1059
|
| рыть это землю можно.а тут приборы в руки и вперед!ускоряющий пробовал крутить? |
|
|
tovirus
|
| При добавление ускаряющего появляются ЛОХ |
|
NikolaiMalaxov
Передовик
Сообщения: 1059
|
Напряжения с Б.П.?
ДОБАВЛЕНО 07/03/2012 01:03
И как с ТДКС пробило на радиатор Б.П.-прожгло ТДКС? |
|
|
tovirus
|
|
NikolaiMalaxov
Передовик
Сообщения: 1059
|
|
|
tovirus
|
В ТДКСе была маленкая трещина, в районе выхода высокого, и сейчас и год назад. Щас упал изолятор который я установил год назад
ДОБАВЛЕНО 06/03/2012 23:14
На ВУ 196 В |
|
NikolaiMalaxov
Передовик
Сообщения: 1059
|
а с ТДКС питающие напряжения соответствуют схеме?
ДОБАВЛЕНО 07/03/2012 01:27
кадровая,накал сколько? |
|
|
dodgic
|
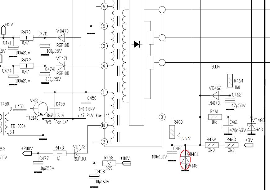
Такая же проблема была, пробой из ТДКС-а в радиатор транзистора БП, заменил ТДКС, а изображение ели видна, хотя OSD очень хорошо виден. Это проблема с ОТЛ, был пробит диод VD461!!!![/img]
Diod VD461.jpg 69.13 КБ Скачано: 531 раз(а)
|
|
LordLostr
Модератор
Сообщения: 8673
|
dodgic, Желание помочь, похвльно. Вот только автор темы пропал.А с такими ошибками:,, , Кому она нужна?  |
|