| Автор | Сообщение |
|
zaide
|
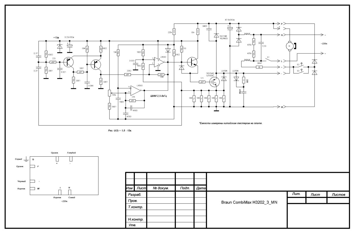
| Пожалуйста, напишите значения резисторов и контур точно Браун 700 не изменился G7N60c плескаться устройство 5 минут, а затем издал искра высокой, учитывая найден резисторы SMD 1ohm сожжены и с ним Дополнительно хотим Вся схема вероятности работы выросли нравится, потому что в потребностях ßĘíŃ Athrguet Пожалуйста, относитесь к идее Я из Египта |
|
xarl
Модератор
Сообщения: 21874
|
| zaide, тебе лучше выложить фото, отметить что нужно. Но и это может не решить проблему... |
|
|
zaide
|
| the picture is scheme of Braun K700 in same page i need to know all value of resistor and zener daiod need to know the value of zener daiod i see it 5voltage true or false and the value of resistor colored |
|
KRAB
Распугиватель клиентов
Сообщения: 21704
|
| тумба-юмба - мир-труд-май |
|
|
zaide
|
| Картина схема Braun K700 в той же странице мне нужно знать все значения резистора и стабилитрона daiod нужно знать значение стабилитрона daiod я вижу его 5voltage истинным или ложным и значение резистора цветные |
|
|
zaide
|
| срочно нужно знать значение SMD конденсатор С1 100N, что значение напряжения этого конденсатора |
|
|
zaide
|
| не один ответ, мне не нужно знать значения UJ75A, если я хочу, чтобы заменить то, что ценность и значение SMD конденсатор С1 100N, если я хочу, чтобы заменить то, что значение напряжения от схемы биграмма Брауна Combimax 700 и значение SMD транзистор, что это тот, значение мольбы сказать мне их стоимость |
|
|
zaide
|
| Хотите альтернативу rur360 Я из Египта был не родитель Есть похожий на него и его собственной |
|
|
Jorj.K
|
|
|
ew8es
|
Навернулся домашний Браун 600. При вскрытии обнаружил что одна щетка не доходит до коллектора в следствии изменения положения медного корпуса щеткодержателя по отношению к основному пластмассовому из за нагрева. После исправления выявленного дефекта выяснилось что не работает регулятор скорости. При проверке всего выше написанного в форуме не исправным оказался резистор на 220кОм. Визуально выглядел как новый!. Большое спасибо Всем за подсказки, сам бы на резистор никогда бы не подумал.  |
|
|
mvf4
|
|
|
lipek
|
| Violpik писал: | подскажите пожалуйста чем заменить пробитый в Брауне к700 G7N60C ?
ДОБАВЛЕНО 03/08/2012 17:17
проблемма в том, что мотор рабочий, но он не "дышит"- скорее всего это этот транзистор |
Заменить оригинальній (HGTG7N60C3D ) можна любым шустрым гибридом . Я ставил этой же серии (HGTG12n60 идеально подошол) и другой серии (GT60N321 подошол не греется но полностью не разкрывается)- он стоял инверторной микроволновке, а также ствил IRG4BC30FD но он слишком медленній нужно IRG4BC30U . Важным фактором в характеристике транзистора , является падение напряжения между эмитером и коллектором обращайте внимание. Лучший способ подбора транзистора это поставить тот что имеется и дать аппатрату поработать несколько минут потом потрогать радиатор сильно ли он нагрелся .дальше сами понимаеете не нагрелся значит транзистор подходит. Както пробовал использовать полевик - неудачная идея перегрелса и пришел повторно. |
|
|
igorek-tur
|
| Не регулируются обороты двигателя, замена оборваного сопротивления 220кОм не помогла, транзистор исправный есть подозрение на подгоревшую индуктивность 100мкГ, при прозвонке 11,5кОм. Подскажите чем ее можна заменить? |
|
|
igorek-tur
|
| Возможно ли отсутствие регулировки оборотов в связи с витковым замыканием в цепи ротора? Щотки двигателя искрят, при подключении вместо двигателя лампочки 100Вт яркость свечения лампочки регулируется. |
|
KRAB
Распугиватель клиентов
Сообщения: 21704
|
|
shov244
Фанат форума
Сообщения: 3825
|
| igorek-tur, двигатель на свалку ... |
|
|
shuren64
|
Опишу неисправность и ремонт. Вышли со строя R1- 470, R2-15K, R3-R7-1Om, VT4.
VT4 - G7N60C заменил на P13NK60Z TO-220. Так как корпус транзистора TO-220 пришлось вырезать кусочек платы над радиатором и таким образом закрепил транзистор через существующее отверстие в радиаторе и дополнительно припаял корпус на радиатор. Схему подшаманил https://yadi.sk/i/S26TQMrMfZoGk |
|
|
VO22VA
|
Здравствуйте. Помогите с ремонтом Braun K700. Принесли в ремонт не включается, поменял резисторы на 1Ом, транзистор VT1, VT4,диоды VD2,VD3,VD1,резистор R11 на 220к, еще два диода один пробитый который соединяется с 220В. и еще один который соединяется с резисторами по 1Ом и мосфетом и заменил микросхему lm393 и резистор предохранитель. Проблема в чем двигатель работает на максимум сразу после старта. Гдето походу просаживается питание 15 Вольт которое должно быть на стабилитроне. Нужна полная схема для того чтоб понять что к чему. Красными точками обозначил детали которые заменил
| P3250807.JPG |
| Описание: |
|
| Размер файла: |
962.44 КБ |
| Просмотрено: |
1747 раз(а) |

|
|
|
xarl
Модератор
Сообщения: 21874
|
VO22VA,
Украина - это очень... мало.... |
|
|
VO22VA
|
| Здравствуйте та же проблема, скорость только мах. Резистор на 220к поменял был в обрыве, сгорел стабилитрон он должен быть на 15в.? Вместо транзистора 7n60c поставил 8N60C. Почему только максимальная скорость? микросхему менял и еще ряд компонентов вышедших из строя: резисторы R3-R7 1Om, диоды VD2-VD3. Транзистор VT1,VT4 |
|