| Автор | Сообщение |
|
Andrey_Dp
|
| Кратковременно клацает реле по питанию и все. Светится только красный светодиод стандбай. Схемы нет. |
|
Никола-борода
Передовик
Сообщения: 2946
|
|
|
Andrey_Dp
|
| Спасибо за схему. Сигнал 0-POWER появляется кратковременно, похоже проц блокирует работу. Есть ли какие контрольные точки для проверки? Сигнал VCC имеет отрицательную полярность !!! |
|
serega-64
Старший модератор
Сообщения: 10180
|
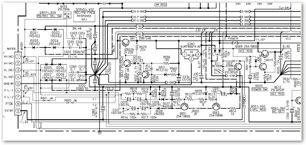
Andrey_Dp, Смотри протект по питанию или с УНЧ.
= Сигнал VCC имеет отрицательную полярность =
Наверно о чем то говорит или не так меряешь. |
|
|
Andrey_Dp
|
| Выпаял оконечные транзисторы - без результата, при срабатывании реле питания одно из напряжений остается +VH=32 V. На С034, С036 отрицательное напряжение. Сигнал Hold также -1,5В |
|
serega-64
Старший модератор
Сообщения: 10180
|
Andrey_Dp, Смотри весь узел питания, напруги даны, все расписано, разжевано.
sshot-2.png 88.57 КБ Скачано: 1462 раз(а)
|
|
|
Andrey_Dp
|
| Подскажите можно ли отключить защиту и принудительно подать все питание? |
|
Yuritsh
Фанат форума
Сообщения: 18498
|
| Andrey_Dp, если ты даже с питанием не можешь разобраться, не кажется ли тебе, что не своим делом занимаешься? |
|
|
Джагернаут
|
| Andrey_Dp писал: | | Кратковременно клацает реле по питанию и все. Светится только красный светодиод стандбай. Схемы нет. |
А.если контакты рэле замкнуть и попробовать врубить? Я бы попробовал. |
|
serega-64
Старший модератор
Сообщения: 10180
|
=Я бы попробовал.=
Я бы не стал, не советую. Тут ваще странная ситуация, ТС не ведает что творит, а вы пытаетесь в этом деянии помочь - угробить девайс. Пусть что хочет делает, я умываю руки, ликбеза не будет, переношу пока в "некомпетентные". |
|
|
Andrey_Dp
|
serega-64, не заблуждайтесь, ТС ведает что творит. Yuritsh а таких ответов мне не надо, проходите мимо. Да хоть бы и был не компетентным - если взялся значит так надо, хоть молотком да отремонтирую. По теме питающие напряжения в норме, но сигнал HOLD отрицательный.
.png 126.36 КБ Скачано: 730 раз(а)
|
|
Yuritsh
Фанат форума
Сообщения: 18498
|
| Andrey_Dp писал: | | если взялся значит так надо, хоть молотком да отремонтирую | Да ремонтируй хоть залупой, кому какое дело? Только вот не на тот форум ты пришел за советами, "ремонтёр".
на "ответы майл.ру"  |
|