| Автор | Сообщение |
|
Vladvo
|
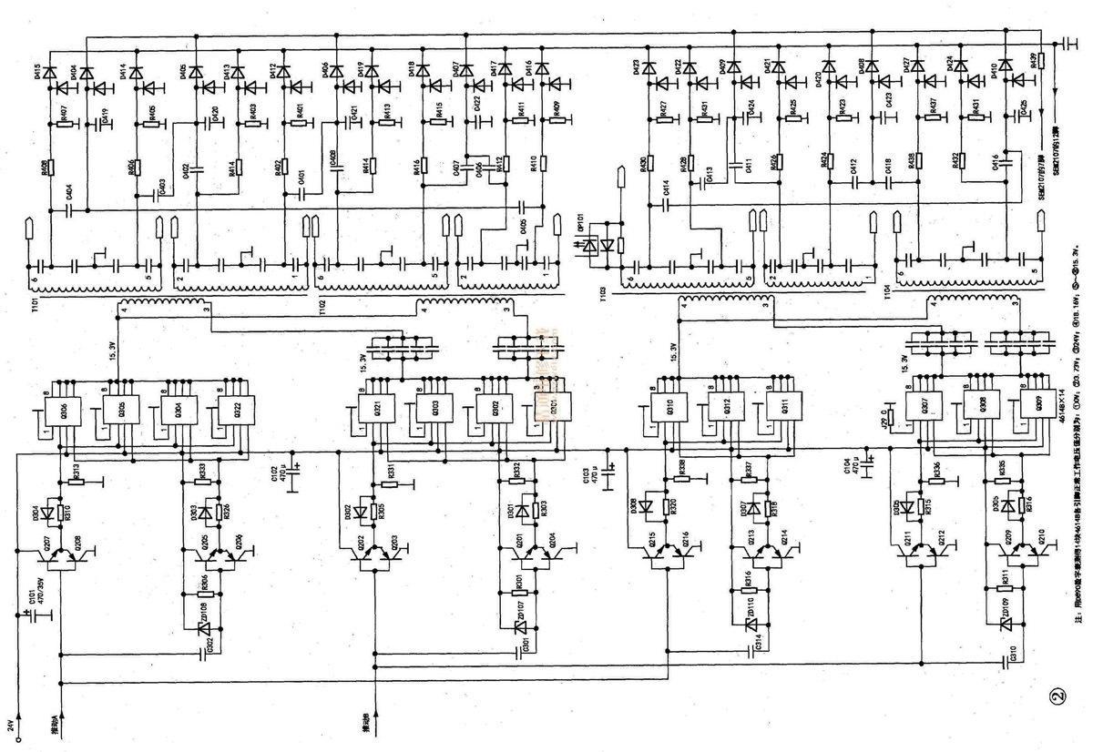
Здравствуйте товарищи, какую группу разнополярных SMD транзисторов Q215 и Q216 в схеме ниже,
следует приобрести для инверторной платы SSI_40014A01 REV 0.1 телевизора THOMSON 40M71NH20,
маркировка которых на sot-23 корпусе ZG и ZH
KEC(Korea Electronics)
------------------------- sot-23 ------------------------
Q215 NPN KTN2222AS ZG 40-75V 0,6A 300MHz
Q216 PNP KTN2907AS ZH 60V 0,6A 200MHz
или
NXP Semiconductors (Philips)
------------------------- sot-23 ------------------------
Q215 NPN PBSS4320T ZGW 20V 2-3A 100MHz
Q216 PNP PBSS5320T ZHW 20V 2-3A 100MHz
И еще вопрос, в плате стоят нулевые сопротивления в частности J 76 (в схеме не показаны, кроме J 29 рядом с ключами Q307, фото платы ниже) , можно ли их просто перемыкать без замены?


| sem2107.jpg.3194b7c2bef0965428fe81839132e8d6.jpg |
| Описание: |
|
| Размер файла: |
258.16 КБ |
| Просмотрено: |
138 раз(а) |

|
| IMAG0114.jpg |
| Описание: |
|
| Размер файла: |
221.71 КБ |
| Просмотрено: |
175 раз(а) |

|
KTN2222AS ZG.png 102.7 КБ Скачано: 125 раз(а)
KTN2907 ZH.png 90.76 КБ Скачано: 122 раз(а)
PBSS4320T ZGW.png 91.51 КБ Скачано: 117 раз(а)
PBSS5320T ZHW.png 109.23 КБ Скачано: 131 раз(а)
|
|
Docktor
Завсегдатай
Сообщения: 470
|
Надо купить инвертер и не думать о пустяках.
Еще поможет заполнение профиля- с бомжами как то очень приятно общаться. |
|
|
Vladvo
|
А по существу вопроса?
ДОБАВЛЕНО 03/08/2021 15:43
Фото с Алиэкспресс для картинки маркировки корпуса, понятно ждать транзисторы пару месяцев никто не захочет. |
|

|