| Автор | Сообщение |
|
alesei21
|
Добрый день,уважаемые форумчане!
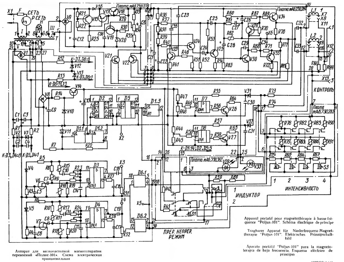
В аппарате Полюс-101,на индукторе №1 нестабильная синусоида,постоянно скачет,а на индукторе №2 она стабильная.Я пробовал выпаять микросхему D6 и поставил перемычку между 10 и 5 контактом платы в таком случае синусоида идеальная.Чтобы исключить неисправность кнопок отпаял провода и подал на вход 4 микросхемы питание с ЛБП ничего не изменилось.Заменил эту микросхему на новую,тот же результат.На индукторе №1 частота 1000Гц,а на индукторе №2 700 Гц.Микросхема D6 К284КН1А.Может кто сталкивался с данной проблемой,прошу ответить.
| 2025-05-04_12-00.png |
| Описание: |
|
| Размер файла: |
632.35 КБ |
| Просмотрено: |
95 раз(а) |

|
|
|
Евгений373
Фанат форума
Сообщения: 3907
|
| alesei21, отнесите в ремонт |
|
|
alesei21
|
| это ты пишешь чтобы рейтинг себе тупыми комментами поднять? |
|
|
alesei21
|
| Наконец-то нашел причину такой неисправности,конденсатор С12 500мкфх160в,сделанный в городе Гамно армяшской сср.Хотя первоначально показывал нормальную ёмкость,а при повторной проверке 200мкф,плавает почему-то ёмкость.Теперь не понятно как настроить ток покоя выходных транзисторов переменниками R62 и R70? В паспорте не описана данная регулировка.Может кто подскажет? |
|
БЕЗЫМЯННЫЙ
Бегущий по граблям
Сообщения: 7608
|
| А 62 это разве про ток покоя? Метода точ такая же как при настройке любого унч. |
|
n max
Модератор
Сообщения: 17597
|
| alesei21 писал: | | Наконец-то нашел причину такой неисправности,конденсатор С12 500мкфх160в,сделанный в городе Гамно армяшской сср.Хотя первоначально показывал нормальную ёмкость,а при повторной проверке 200мкф,плавает почему-то ёмкость.Теперь не понятно как настроить ток покоя выходных транзисторов переменниками R62 и R70? В паспорте не описана данная регулировка.Может кто подскажет? |
Учитывая возраст изделия их надо было тотально все поменять-хотя б на современный гавно китай-так как литы уже подуставшие и начнут гибнуть друг за другом.R62 выставляет половину питания на вых усилка,второй ток покоя-если не известно сколько он должен быть то можно и по осцилу визуально по минимуму искажений-подав на вход синусоиду -хотя она у вас там и так есть. |
|
|
alesei21
|
|