| Автор | Сообщение |
|
IPTIV
|
Монитор NEC MultiSync FE2111sb, спалил выходной усилитель LM2415. Имею в наличии LM2412. По частоте она в два раза круче, но имеет несколько отличающуюся характеристику передачи - линейный участок смещен примерно на 0.8 В.
На схеме сказано, что уровень чёрного на входах LM2415 составляет 1.2 В. Т.е. LM2412 окажется на нелинейном участке.
Я не специалист по ремонту мониторов, потому, вероятно, спрашиваю простые вещи, но всё же. Судя по даташиту, уровень чёрного задаётся в микросхеме CXA2153 по шине i2s. Правильно ли я понимаю, что для того, чтобы изменить его, нужно перепрограммировать какую-то ПЗУ в мониторе? Возможно ли это?
Я посмотрел, в аналогичном Diamondtron 2070 используется та же CXA2153 и именно с LM2412. Т.е. По идее замена возможна. Правда, отличаются цепочки, осуществляющие, судя по всему, частотную коррекцию. В NEC это просто дроссель и RC наземлю, а в Diamondtron параллельно дросселю включена какая-то хитрая схема на повторителях разной структуры. Но, как я понимаю, смещения уровня эти цепочки не вносят.

|
|
|
IPTIV
|
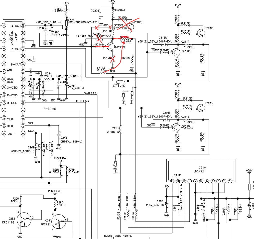
Если изменить уровень чёрного путём настроек или прошивки трудно, то возможно, допустимо ли пойти обходным путём и поднять уровень при помощи эмиттерных повторителей? Я посмотрел схему схему Diamondtron 2070 - платы усилителей у них, похоже, унифицированные, просто у NEC не всё запаяно и у меня возникла идея, как можно использовать пустые контактные площадки.
Чёрным я дорисовал имеющиеся в NEC корректирующие RC-цепочки, а красным - схему эмиттерного повторителя Дроссель переносим на место резистора, впаиваем транзистор, эмиттерный резистор и перемычки в нужных местах.У меня есть pnp ВЧ-транзисторы BFT93, они такую частоту потянут легко. Понимаю, что колхоз, но как сделать по-другому - не знаю.
Untitled-1.gif 73.48 КБ Скачано: 286 раз(а)
|
|

|