| Автор | Сообщение |
|
EreminIV77
|
Добрый день.
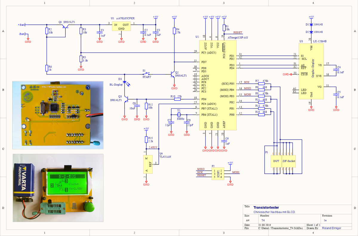
Перестал включаться тестер, схему прилагаю.
Закорачиваю эммитер с коллектором транзистора Q1, начинает работать после подключения источника питания.
Просто так отпаивать транзисторы для прозвонки не хочу.
Может есть более точное решение, кто что подскажет?
| 0011_173.png |
| Описание: |
|
| Размер файла: |
439.29 КБ |
| Просмотрено: |
1128 раз(а) |

|
|
|
|
джабарбербердыберды
|
| кнопка ? q 2 cдох . не держит q 3 . накрылась мега ... |
|
Valeriynew
Передовик
Сообщения: 1792
|
| А что мешает прозвонить транзисторы прямо на плате? |
|
|
EreminIV77
|
С перемычкой кнопка пашет, сброс работает, мега тестирует, подсветка D3 работает.
ДОБАВЛЕНО 30/05/2021 13:56
| Valeriynew писал: | | А что мешает прозвонить транзисторы прямо на плате? |
Да через резисторы все вкруговую звонится.
Без отпайки наверное не получится. |
|
Valeriynew
Передовик
Сообщения: 1792
|
| EreminIV77 писал: | | Да через резисторы все вкруговую звонится.. |
Посмотри на схему - как может вкруговую звонится, если вокруг стоят килоОмники?
Если звонится, снять транзистор паяльной станцией 5 секунд и 10 секунд взять щупи и прозвонить транзистор... |
|
|
EreminIV77
|
Заменил пробитый транзистор Q1 S9015 на КТ361.
Все работает как раньше.
Тема закрыта. |
|
Valeriynew
Передовик
Сообщения: 1792
|
| КТ361 может недолго протянуть. Буква какая стоит? |
|
|
EreminIV77
|
С буквой Г вставил, первое что попалось под руку.
В магазине есть родные, как на схеме стоят, в продаже.
Заменю на родной.  |
|
Valeriynew
Передовик
Сообщения: 1792
|
С буквой Г в 2 раза меньше по току.
На любой плате-доноре (если занимаешься ремонтом) с СМД-ешками транзисторов РNР можно найти полно. |
|