ESpec - мир электроники для профессионалов


LCD TV Toshiba 40LV655PR, нет подсветки.

  Список форумов » LCD-телевизоры и плазменные панели

Следующая тема · Предыдущая тема
АвторСообщение
vavan80 
Заглянувший
Сообщения: 6
 
Сообщение #1 От 06/04/2017 14:36 цитата  

Добрый день.

Состав LCD TV Toshiba 40LV655PR
Main Board - PE0772
V28A001020A1
Cpu - MST 6B885GL-LF-3
Flash - atmel 26DF161A
Eeprom - 24C08W
Блок питания DPS - 276AP A
TCON SYNC60C4LV0.3
Invertor SSI_400_14A01
на наклейке надпись INV40N14A
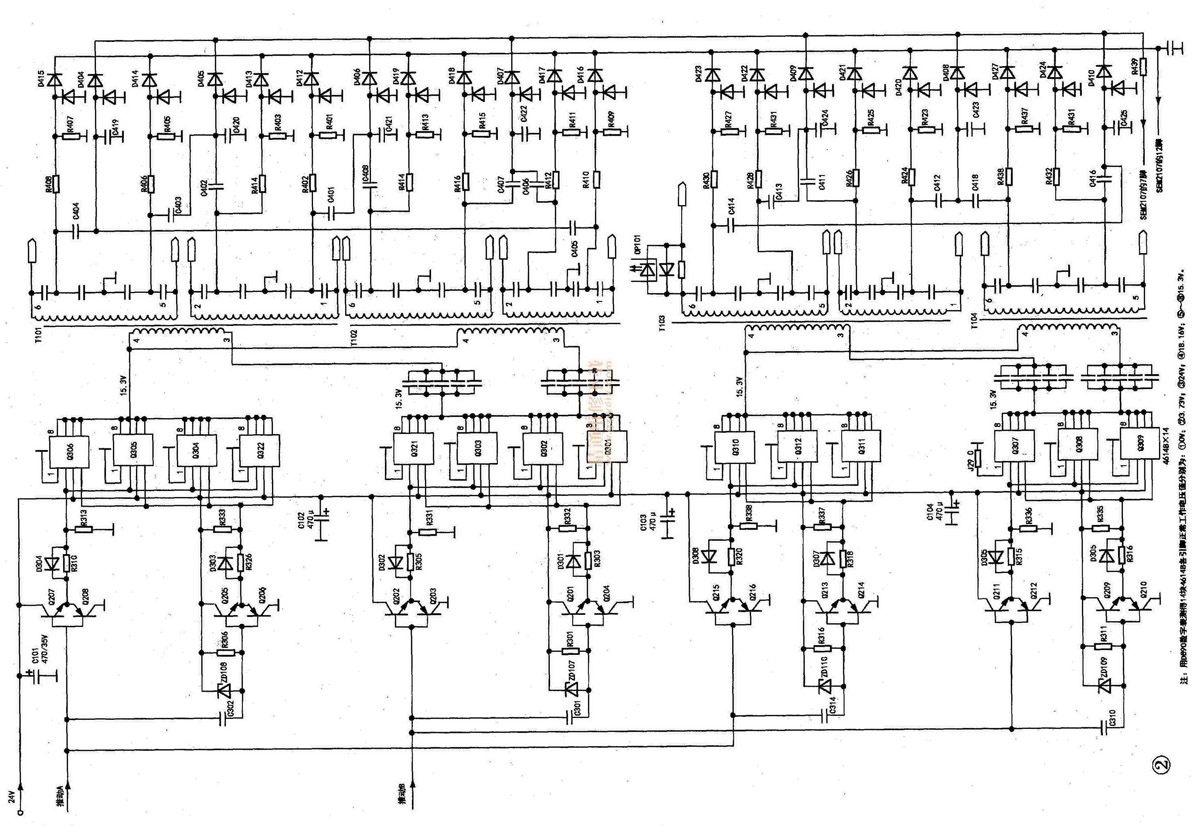
собран на IC SEM2107 и 14 транзисторных сборках AO4614

На инверторе SSI_400_14A01 короткое по питанию 24В. КЗ на ключах AO4614 : Q310,Q311,Q312. Поменял ключи, подсветка появилась, через два часа телевизор выключился. Пробило те же ключи, заменил ШИМ SEM2107 и ключи, телевизор проработал 4 дня и снова сгорели те же ключи. В данный момент ситуация такая что ключи сгорают сразу при включении. Управление ключами целое, сопротивление в трансформаторах одинаковое, в высоковольтной части диоды, емкости, резисторы целые. Может кто что посоветует, панель разбирать смотреть на лампы ? Спасибо.

SEM2107 выходной каскад_1.jpg
 Описание:
 Размер файла:  279.29 КБ
 Просмотрено:  3303 раз(а)

SEM2107 выходной каскад_1.jpg


SEM2107_1.jpg
 Описание:
 Размер файла:  244.86 КБ
 Просмотрено:  2688 раз(а)

SEM2107_1.jpg


n max 
Модератор
<B>Модератор</B>
Сообщения: 17333
 
Сообщение #2 От 06/04/2017 18:52 цитата  

Пульсации по 24в смотреть или ключи откровенно китайские тогда заменить аналогами серии IRF
vavan80 
Заглянувший
Сообщения: 6
 
Сообщение #3 От 06/04/2017 21:28 цитата  

Емкости которые на инверторе исправны, посмотрю в блоке питания. Попробую заменить AO4614 на IRF7389 , только они 30-ти вольтовые, запас небольшой.
Иван Зенин 
Модератор
<B>Модератор</B>
Сообщения: 6783
Иван Зенин
 
Сообщение #4 От 06/04/2017 21:43 цитата  

Резисторы в затворах проверены?
vavan80 
Заглянувший
Сообщения: 6
 
Сообщение #5 От 06/04/2017 21:53 цитата  

Иван Зенин писал:
Резисторы в затворах проверены?

Да, конечно.
CBP 
Новичок
Сообщения: 20
 
Сообщение #6 От 09/04/2017 20:40 цитата  

Принесли TOSHIBA 40lv655 дефект тот же . Посмотри видио [ ssi 400 14a01 repair ] и пропаяй ВЕСЬ инвертор. Мне помогло.
faradiyremark 
Заглянувший
Сообщения: 8
 
Сообщение #7 От 05/02/2018 16:52 цитата  

Был такой же случай, обязательна пропайка всех элементов(но мне не помогла, ключи всеравно пробивались) смотреть нужно в сторону смд транзисторов q213,215.
У меня q215 звонился как сдвоенный диод. замена на аналогичный решила проблему.
Kamrad 
Бывалый
Сообщения: 38
 
Сообщение #8 От 17/07/2019 21:30 цитата  

Ключи выбивают микротрещинки на нулёвках :





Перейти: 
Следующая тема · Предыдущая тема
Показать/скрыть Ваши права в разделе

Интересное от ESpec


Другие темы раздела LCD-телевизоры и плазменные панели



Rambler's Top100 Рейтинг@Mail.ru liveinternet.ru