| Автор | Сообщение |
|
blexen
|
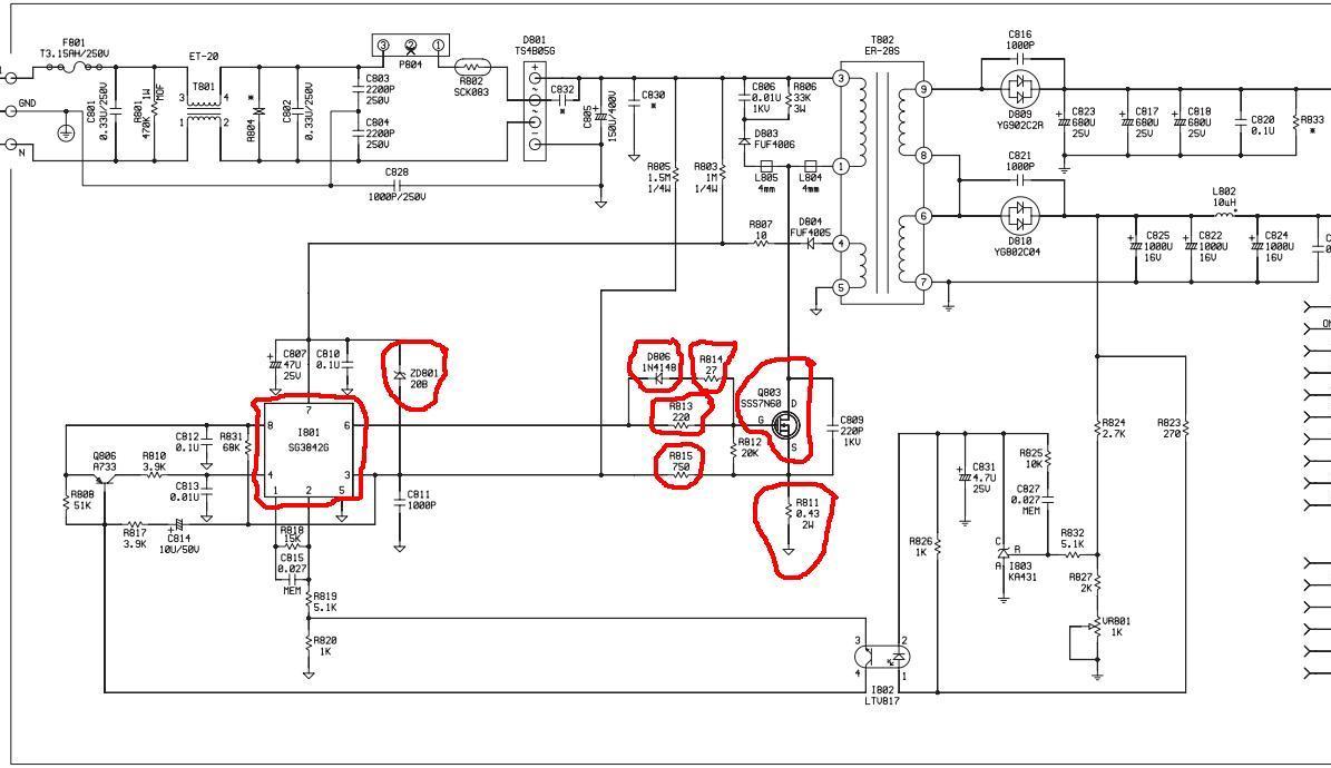
Здравствуйте! В мониторе NEC LCD1701 сгорел блок питание. Сгорел транзистор sss7n60b, четыре резисторов и один стабилитрон и диод, все это я заменил но в итоге на вторичной обмотке трансформатора нет напряжения. Потом перепроверил все резисторы, диоды, транзисторы, заменил задающий генератор, но все так же ничего не изменилось. На схеме я выделил что заменил В чем может быть дело ?
cхема.JPG 101.05 КБ Скачано: 1250 раз(а)
|
|
|
asduser
|
| Попробуй заменить оптопару |
|
|
blexen
|
| Я ее проверял вроде нормальная. На оптопару напряжение вобще не подается |
|
Wassaby
Завсегдатай
Сообщения: 783
|
| А питание на 7-мом выводе есть? |
|
|
blexen
|
| да, примерно 14 - 15 вольт |
|
Wassaby
Завсегдатай
Сообщения: 783
|
|
|
blexen
|
| Проверил Q806 вроде целый, но на него напряжение не поступает |
|
|
олег-88rem
|
может тебе бракованная sg3842g попалась ,сейчас брака много попадается!
 |
|
|
asduser
|
олег-88rem, +1
сейчас лежит другой монитор с такими же проблемами, в нем неисправна шим управляющая транзистором в первичке |
|
Wassaby
Завсегдатай
Сообщения: 783
|
| Написано поменяй Q806, а заодно поменяй D804, C807,C810,C812. |
|
|
blexen
|
sg3842g я 3 штуки ставил и ничего (((
ДОБАВЛЕНО 20/06/2013 20:51
Я заменил sg3842g на uc3842b это же не влияет ? вроде аналог |
|
Иваныч55
Завсегдатай
Сообщения: 704
|
Какое напряжение на 8 ноге ШИМ ?
А оптопару всё-таки нужно заменить. |
|
|
blexen
|
| На 8 ноге ШИМ 14 - 15 вольт |
|
Иваныч55
Завсегдатай
Сообщения: 704
|
| Не путаешь? На 8 ноге (выход Vref ) должно быть 5 вольт. |
|
|
blexen
|
| Я повторно измерил, там вобще -14 вольт почему то |
|
pabel
Фанат форума
Сообщения: 5471
|
|
|
blexen
|
| На 8 ноге напряжение -14 показывает примерно. Я знаю что должно быть +5 |
|
|
Radon85
|
| blexen, Относительно какой точки измеряете? Микросхему ни вверх ногами впаяли? Ну и в конце концов у всех трех SG3842 неисправны опорные источники, бракованная партия, у меня были новые микросхемы которые после установки работали но калились и мин через 30 взрывались. |
|
|
blexen
|
Нет микросхема нормально впаяна. Микросхему выпаял плюс минус с платы подключил и измерил напряжение на 8 ноге -14
ДОБАВЛЕНО 22/06/2013 10:42
И на SG3842 выходного сопротивления вобще нет |
|