| Автор | Сообщение |
|
aragog666
|
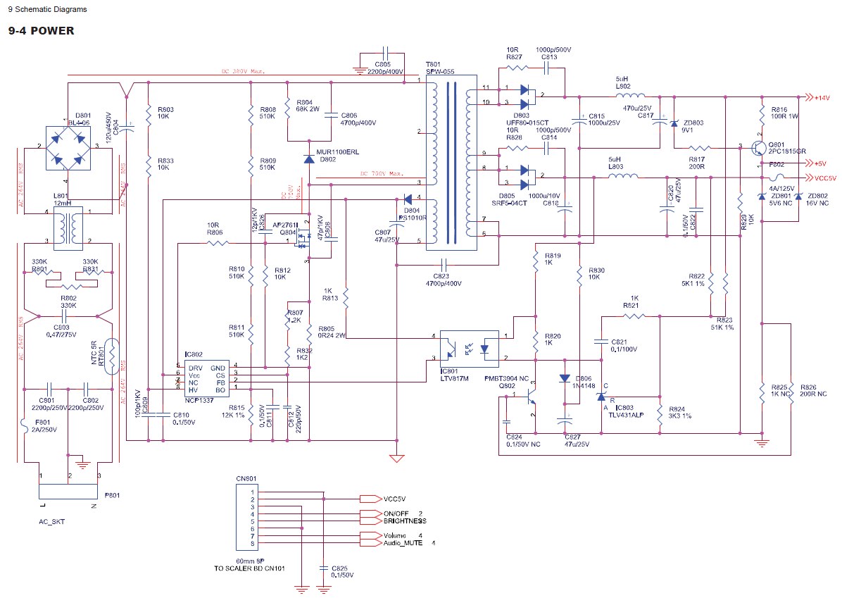
Произошел пробой на плате ILPI-139
В общем по собственной вине соскочила рука и щупом попал по диоду шотки D804 (Кстати есть расхождение со схемой, на плате он D805).
Пробило следующие элементы D804, Q804, R805, R812, R807 - как то так, После замены сего перечисленного при запуске через лампочку плата не запустилась и буквально секунд через 10 лампа загорелась и как не странно Q804 (2761Ia) все равно сгорел, хоть и без феерверка.
После очередных попыток выяснить причину уперся в тупик, мысль одна что то с трансом... Подскажите.
shema_Acer_X223HQ_ILPI-139.jpg 141.61 КБ Скачано: 364 раз(а)
|
|
serega-64
Старший модератор
Сообщения: 10180
|
| А прозвонить то транс - не судьба? И собсна самое главное, чё ты в него полез, если работало? |
|
|
aragog666
|
| даташита не нашел, а в остальном транс как бы рабочий. Ну если полез значит что то не работало. |
|
REKKA
Фанат форума
Сообщения: 3722
|
| aragog666, а подумать почитать литературу как?, К стате что с ШИМ? |
|
|
aragog666
|
ШИМ (1337) нагрева не было кз по ножкам естественно тоже, да и визуально все цело.
ДОБАВЛЕНО 07/04/2016 23:12
REKKA, Если бы все решалось чтением литературы, то я бы наверное не стал писать сюда)) |
|
SASHATOD
Фанат форума
Сообщения: 9885
|
aragog666, Если ты убил ключ,то как думаешь чем он управляется?
 |
|
REKKA
Фанат форума
Сообщения: 3722
|
| aragog666, Может лучше мастеру отнести а?????????????????? |
|
|
aragog666
|
| Очень прошу по существу писать, все остальное просто неинтересно... |
|
REKKA
Фанат форума
Сообщения: 3722
|
| Ну ремонтировать эл-ку пальцем и при помощи святого духа тут не умеют, ИЗВИНИ! |
|
SASHATOD
Фанат форума
Сообщения: 9885
|
Очередной клиент с гонором  |
|
|
aragog666
|
| Я не с гонором, не считаю что когда человек просит вежливо нужно это обсуждать, замена шим, ключа и диода не решила. Еще хамские варианты будут?))) |
|
SASHATOD
Фанат форума
Сообщения: 9885
|
aragog666, А на куй тебе бошка токи на пожрать?
Ты какую цепь коротнул и шо она запитывает?
Снимай ключ и смотри шо у тебя с шимки валит  |
|
serega-64
Старший модератор
Сообщения: 10180
|
aragog666, = не считаю что когда человек просит вежливо нужно это обсуждать=
Не, ну как скажешь, не будем обсуждать. Тута ваще нечего обсуждать и считаю таки и не стОит обсуждать. |
|
gavs
Передовик
Сообщения: 1292
|
| aragog666 писал: | | Пробило следующие элементы D804, Q804, R805, R812, R807 |
NCP1337 при этом выжить не могла. Стояли бы по выходу и Isense защитные стабилитроны - у неё были бы шансы, а так - никаких. R806 скорей всего тоже сдох.
При пробое силового полевика первым сгорает резистор датчика тока (здесь R805), после чего через обмотку трансформатора и ставший "гвоздём" транзистор выпрямленные 315V попадают на выводы микросхемы. Вообще все резисторы, даже внешне целые после "змея горыныча" нужно проверить на соответствие номиналу. Оптопару также лучше проверить (например с помощью тестера, резистора и батарейки или второго тестера) - до неё иногда тоже "долетает". |
|
serega-64
Старший модератор
Сообщения: 10180
|
| gavs, Да это усё есть в темах раздела, а если ТС ленив или слаб, а скорей всего непозволительно ленив, то данунах каждому объяснять азбучное. |
|
REKKA
Фанат форума
Сообщения: 3722
|
| serega-64, gavs, SASHATOD, Вы что ,не понимаете мыaragog666, будим работать по новой методике При помощи паяльника 100Вт, пальца и СВЯТОГО ДУХА со схемой. Теперь будим по новому искать дефект.Пальцем потрогаем ,паяльником пропаяем,святой дух нам скажет брак и пойдем так дальше. А сюда обратилисьaragog666 что ,бы быстрее сказали люди добрые дефект в блоке У-9 С-7 |
|
|
aragog666
|
| gavs, Тебе спасибо про оптопару не подумал, А для агрессивных товарищей скажу, да я ленив, ленив не потому что мне в лом все делать а потому что это всего лишь хобби для меня и не более!!! мне для развлечения хватает своего оборудования, что то сам собрал, что то приобрел, но ведь это ХОББИ)))) |
|
SASHATOD
Фанат форума
Сообщения: 9885
|
aragog666, А подумать шо такое ОС и откель она запитывается?
Шо с первичкой произошло когда ты закоротил цепь 5в. и почему так
Таки если это токи хобби то какого ты пришёл к профи с протянутой рукой?
Если у меня хобби возиться возле пчёл то я же не иду к пчеловодам за мёдом
Как то так и не какой агрессии  |
|
|
aragog666
|
| сравнение конечно не очень, ну да ладно, а почему бы не пообщаться с более опытными ребятами, чему нибудь подучиться. Не вижу ничего зазорного стать чуточку умнее) |
|
SASHATOD
Фанат форума
Сообщения: 9885
|
aragog666, А ты не думал шо ты у кого то из нас кусок хлеба забрал?
Таки скажи шо я не прав? |
|