| Автор | Сообщение |
|
-=ash=-
|
Добрый всем день.
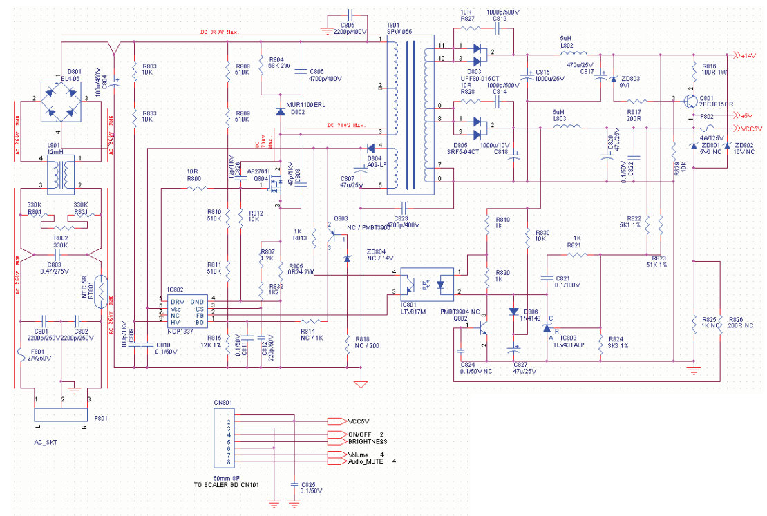
Попался на ремонт монитор Acer AL1916W
БП ILPI-025 REV:C
ШИМ NCP1337, Ключ ШИМа AP2761I
Схема похожего БП в аттаче.
Со слов клиента не включился после сильной грозы.
Вскрытие показало выход из строя сетевого предохранителя, ШИМа, ключа ШИМа, резисторов обвязки ключа R8026, R812, R807, R832 и токового сенсора R805.
Заменил все детали один в один, кроме полевика, такого в наличии не было. Заменил его похожим по характеристикам 10NK60ZFP.
Запустил БП под нагрузкой, вроде держит. Подключил материнку монитора - работает. Подключаю инвертор - при запуске подсветки просаживаются выходные напряжения и мать перегружается.
При запитке инвертора от внешнего БП монитор стартует и показывает нормально. Инвертер по 14,4В потребляет в момент старта 1,4 А, потом около 0,9 А.
Выходит не тянет БП.
Собственно вопрос о замене полевика. У оригинала AP2761I Rds=1 Om, у аналога 10NK60ZFP Rds=0,65 Ом. Токовый сенсор 0,24 Ом.
Надо ли пересчитывать сопротивление токового сенсора в таком случае для правильной работы БП?
Какие еще мысли как вывести БП на режим?
Up: Решено. Тяжело быть невнимательным идиотом )
Под ШИМом перегорела дорожка на Vcc, в результате чего не было связи с электролитом. Так вот, он гад работал, а нагрузку не держал.
Всем откликнувшимся спасибо за помощь.
| shema.jpg |
| Описание: |
|
| Размер файла: |
210.5 КБ |
| Просмотрено: |
1961 раз(а) |

|
|
|
водник1953
Завсегдатай
Сообщения: 501
|
| По всей видимости,ремонт БП Вы полностью не закончили.Ищите дальше неисправные элементы первички БП,например:потеря ёмкости и увеличение ESR сетевого литика;оптрон ... |
|
iv-9
Фанат форума
Сообщения: 6354
|
| R805 точно 0R24 поставил, в полосках не запутался? |
|
|
-=ash=-
|
Точно 0,24. Брал в магазине, да и перемерял на всякий случай.
Копаю дальше обратную связь, где-то же я что-то упустил.. |
|

|