| Автор | Сообщение |
|
in_ukraine
|
проверил питание, 5в и 14в (на питание инвертора) 12в с кренки на питание платы с процем, в меню яркость и контрастность на 0, регулируется только больше... где копать? может в сервисном меню (если оно есть) чего нахомутали?


|
|
KRAB
Распугиватель клиентов
Сообщения: 21704
|
| in_ukraine писал: | | в меню яркость и контрастность на 0, регулируется только больше... где копать? может в сервисном меню | - а может ты для начала расскажешь мне ПРИНЦИП регулировки этих параметров в мониторах? А потом поговорим дальше? Поехали ... |
|
|
in_ukraine
|
DIM с проца регулирует управление ШИМом, может ближе к делу? боюсь я, что при такой яркости лампы долго не протянут...
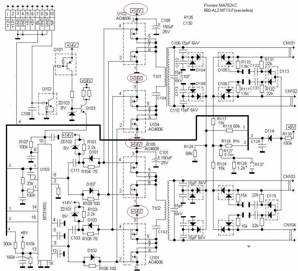
13 нога bit3193g ?
proview ma782kc.jpg 158.37 КБ Скачано: 512 раз(а)
|
|
KRAB
Распугиватель клиентов
Сообщения: 21704
|
| in_ukraine писал: | | может ближе к делу? | - и ты смотрел | in_ukraine писал: | | 13 нога bit3193g |
|
|
|
in_ukraine
|
| ещё нет, пока рассказывал тебе как регулируется и схемку нашел... ))) |
|
|
in_ukraine
|
| Вскрытие показало, что сигнал с процессора приходит, 0.9-2.5в при регулировке яркости. Наверно сдохла ШИМ-ка, какие ещё варианты? буду копать дальше... |
|
Кр. Вован
Завсегдатай
Сообщения: 981
|
| А до самой ШИМки то этот сигнал доходит? А обвязку ШИМки перетрясти? |
|
|
in_ukraine
|
| по схеме, сигнал с процессора идёт на вход 13 ШИМки через резистор 300кОм, так вот, со стороны процессора сигнал 0.9-2.5в, а на 13-й ноге ШИМки 1-1.6в, по даташиту на ШИМку сигнал должен быть до 2.5в, однако этого нет, попробую подтянуть вход на питание, посмотрю что выйдет... |
|
|
in_ukraine
|
| подтягивал 13-ю ногу на питание, не помогает, менять ШИМку? что ещё может быть? |
|
ankol62
Завсегдатай
Сообщения: 332
|
| D114 как поживает? на 15 ноге что? C128 не течет случайно? |
|
|
in_ukraine
|
| на 15 ноге при включении подсветки 1.9в, диод не пробит... |
|
ankol62
Завсегдатай
Сообщения: 332
|
|
|
in_ukraine
|
| это я читал, мне это не помогло... |
|
Кр. Вован
Завсегдатай
Сообщения: 981
|
| Ну тадысь если обвязка в порядке меняй ШИМ... |
|
|
in_ukraine
|
| ничего не понимаю, поменял ШИМ, перекопал рассыпуху вокруг, а яркость так и не регулируется... буду курить даташиты на ШИМку... |
|
Кр. Вован
Завсегдатай
Сообщения: 981
|
| in_ukraine, а можно фото изо в студию? Сдаётся мне что подсветка не виновата... |
|
|
in_ukraine
|
|
KRAB
Распугиватель клиентов
Сообщения: 21704
|
А как там с питаниями "ти-кона" непосредственно "матраса" ?  |
|
|
in_ukraine
|
| сей жаргон мне не понятен... если можно по русски... в БП поменял все электролиты во вторичке, тоже на них думал... |
|
Кр. Вован
Завсегдатай
Сообщения: 981
|
| in_ukraine, судя по фото проблема зарылась в матрице...ув.KRAB уже дал вам пинок в правильном направлении...Проверяйте напряжения на контрольных точках T-CONа (плата на матрице), только аккуратнее со шлейфами... |
|