| Автор | Сообщение |
|
rad90
|
Всем привет!
Требуется совет по ремонту монитора
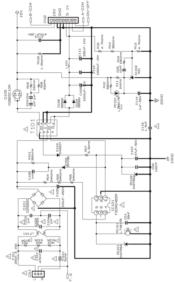
Model: Samsung 932b;
Model Code: LS19PEBSBV/EDC;
Плата БП: IP-35155A;
Шим: DM0465R;
Монитор не включается, индикатор кнопки горит постоянно, монитор на нажатие кнопки не реагирует. Разобрал монитор, поменял подозрительные конденсаторы. Шим генерит.
На разъеме CN2 при подключении маин и рамки (без ламп) следующие сигналы: B-dim - 5В( просаживается), вместо 15В - 16.9В, вместо 5.1В - 4.2В(смотрел осциллом, 4В с пичками до 6В через каждые 200мкс), A-dim - 0В, On/off -0В. И на кнопку включения никак не реагирует, индикатор горит, появляется писк-стрекот с платы.
Маин отключен : вместо 15В - 13.8В, 5.1В в норме, остальное по 0В.
Может быть сталкивались с такой проблемой? Почему в при холостом включении вместо 15В - 13.8?Или это норма? При подключении майна - 5В просаживается, а 15В наоборот повышается до 16.9В?Может дело в майне?
Спасибо откликнувшимся)
| imgonline-com-ua-Resize-sSV6dP6Y5MSyq.jpg |
| Описание: |
|
| Размер файла: |
359.41 КБ |
| Просмотрено: |
351 раз(а) |

|
| imgonline-com-ua-Resize-TO3In0X7kp.jpg |
| Описание: |
|
| Размер файла: |
308.52 КБ |
| Просмотрено: |
437 раз(а) |

|
| imgonline-com-ua-Resize-23B67ARcd5x.jpg |
| Описание: |
|
| Размер файла: |
392.91 КБ |
| Просмотрено: |
327 раз(а) |

|
| imgonline-com-ua-Resize-sLU1ZOIA4I.jpg |
| Описание: |
| линия +5.1В при подключении main ~ 4В | |
| Размер файла: |
233.05 КБ |
| Просмотрено: |
228 раз(а) |

|
| imgonline-com-ua-Resize-jJBmhbMcNdq01.jpg |
| Описание: |
| линия +15В при подключении main ~ 17В | |
| Размер файла: |
284.43 КБ |
| Просмотрено: |
219 раз(а) |

|
imgonline-com-ua-Resize-tudmrJzpQhf6saW.jpg 108.47 КБ Скачано: 377 раз(а)
|
|
foxter-x
Передовик
Сообщения: 1503
|
| rad90 писал: |
Может быть сталкивались с такой проблемой? Почему в при холостом включении вместо 15В - 13.8?Или это норма? При подключении майна - 5В просаживается, а 15В наоборот повышается до 16.9В?Может дело в майне?
|
БП на стол отдельно от майна, нагрузку по 5В и напряжения в студию.
| rad90 писал: | | Разобрал монитор, поменял подозрительные конденсаторы. |
Конденсаторы по какому принципу менял? |
|
alexsey_84
Передовик
Сообщения: 1572
|
rad90, запустить БП в автономке ! замерь напряжения !Дальше будем думать !
ДОБАВЛЕНО 26/04/2018 07:49
rad90, шим генерит это понятно ! На полевике что ? |
|
|
rad90
|
| foxter-x писал: |
БП на стол отдельно от майна, нагрузку по 5В и напряжения в студию.
Конденсаторы по какому принципу менял? |
+5В нагрузку не тянет, такой же уровень, как и при подключении майна, один в один. При увеличении нагрузки еще больше просаживается.
Менял по принципу 1. Визуального осмотра на вздутие; 2. Выпаивал, и проверял емкость от номинального не более 20% и ESR не более 2Ом. |
|
foxter-x
Передовик
Сообщения: 1503
|
| rad90, для многих конденсаторов, которые стоят в этом БП, ESR в 2Ома это уже на порядок от нормы. |
|
|
rad90
|
foxter-x, Для проверки подцепил параллельно еще один конденсатор на 1000uF по 5 вольтам, проблема решилась. По итогу заменил все конденсаторы.
Монитор работает, можно закрывать тему.
Всем спасибо! |
|
alexsey_84
Передовик
Сообщения: 1572
|
rad90, сразу нельзя это было сделать ,золотое правило !  |
|
mileshca
Передовик
Сообщения: 2513
|
там 2 питания 5в и 15в, такой моник у меня майн ждет(умер) на 5 в я гружу лампой 10ват 12в и на 15 в сажу 21ватт, простой БП там делов на пол часа, кондер там должен быть на 10 мкрф возле оптопары, его меня на новый, он не держит нагрузку и все, также проверить сетевую банку, делал асус так там нога сетевой банки ваще отпала, но стартовал но нагрузку не держал
ДОБАВЛЕНО 26/04/2018 20:21
все емкостя ставить новые если ЕСР-метра нет |
|