| Автор | Сообщение |
|
Efrem12
|
Всем привет, не нашел темы про источники питания, поэтому создаю в этом разделе, вроде как блок питания для ноутбуков и т.п. . Попался под руки универсальный блок питания ноутбука, по совместительству зарядка на 2 USB порта.
Состав:
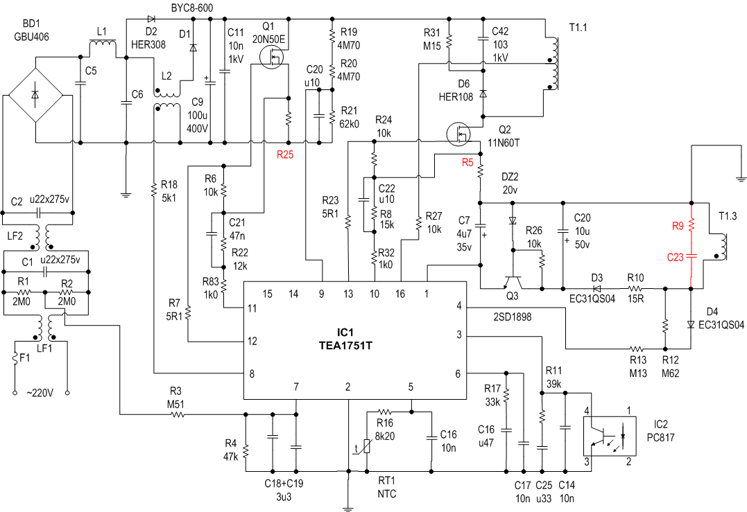
первичка
BD1 - GBU406 - Diod Bridge
IC1 - TEA1571T - ШИМ (flyback controller with APFC driver)
Q1 - 20N50E - APFC Switch
Q2 - 11N60T - FlyBack Switch
Q3 - 2SD1898
D1 - BYC8-600
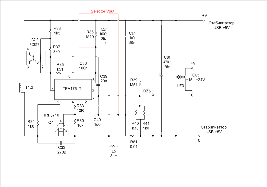
вторичка
IC2 - PC817 - optocouper feedback
IC3 - MC34063 - DC-to-DC converter
IC4 - TEA1761 - синхронный выпрямитель
IC5 - TL431 - управляемый стабилитрон, контроль выходного напряжения
Q4 - IRF3710 - n-Chanal MOSFET
Q5 - 2SC1815 - NPN Transistor
Q6 - APM9435 - p-Chanal MOSFET
Диагноз, как всегда - "не работает". Прозвонил вход\выход - КЗ нет. Открыл - следов гари нет, умер тихо . Включаю - и, правда, тишина. Меряю выход цифровым мультиметром - плюс 0,3В. Значит пациент скорее жив, чем мертв. Замеряю на высоковольтном конденсаторе напряжение - 380В. Значит APFC работает. Значит и основной преобразователь жив, но что-то его тормозит. Осциллографом смотрю выход оптрона РС817 - так и есть, фототранзистор периодически открывается, что и блокирует основной преобразователь. Начал ковырять вторичку... Проверил все полупроводники прозвонкой - нашел один пробитый стабилитрон ZD4, вроде как питание синхронного выпрямителя TEA1761. Заменить не чем, да и номинал так и не определил, временно отпаял. Включаю блок - то же самое срабатывание защиты. Выключаю блок, подаю на вторичку после выпрямительного диода от внешнего источника +24В - светодиодик засветился На выходе USB появились +5В. Значит проблема в синхронном выпрямителе. На всякий случай решил проверить режимы работы ШИМ+APFC. Вроде аккуратно все контакты тыкал тестером, но в какой момент высокая сторона заткнулась и больше не завелась ;((( Снял все силовые элементы вместе с радиатором, прозвонил - все ключи и диоды исправны, предохранитель цел. Подключил обратно все элементы на радиаторе отдельной шинкой к плате ( впаивать не стал, умаялся отсосом выпаивать всю эту конструкцию). Включаю БП - тишина, на высоковольтном конденсаторе +320.
Режим IC1:
1 нога +19,3 В
2 нога общий
7 нога +3,1 В
16 нога +316В.
по остальным ногам везде ноль.
Это в статике. При включении блока осциллографом вижу импульс порядка +0,5 В на 5 ноге. Вроде как все стартовые режимы в норме, но не стартует flyback... Схема (срисована с платы пока только первичка) и фотки платы прилагаю.
AcmePower AP ULA-12.rar 5.39 МБ Скачано: 1026 раз(а)
ULA-12_Shema_primary.gif 51.89 КБ Скачано: 3113 раз(а)
|
|
|
Efrem12
|
снял осциллограмму по входу 1 (Vсс), похоже, что ШИМ стартует, но после старта просаживается питание ниже Vuvlo и ШИМ сразу отключается. Подозрение на С9... Размах 5 В/дел.
зы: в первом посте откорректировал схему после снятия конденсатора, теперь С7 оказался С9 
| Oscill_Vcc_TEA175T.jpg |
| Описание: |
|
| Размер файла: |
346.14 КБ |
| Просмотрено: |
376 раз(а) |

|
|
|
|
Efrem12
|
Срисовал полную схему, правда по частям, разбив на функциональные блоки. При прозвонке и составлении схемы выявились неисправные компоненты "холодной" стороны: ключ Q4, не думал, что можно пробить ключ на 57 ампер в такой схеме; резистор в цепи затвора R33, конденсатор С37 по питанию TEA1761T. По ходу TEA1761T тоже труп... Выпаял пока TEA1761 и нагрузил вторичную обмотку импульсного трансформатора на резистор 47 Ом 50 Вт. На первичной стороне ничего не поменялось ;( также, пытается запуститься flyback TEA1751T....
В архиве схема в visio
ULA-12_Shema_Secondary_TEA1761T.gif 34.68 КБ Скачано: 1556 раз(а)
ULA-12_Shema_Secondary_MC34063.gif 36.78 КБ Скачано: 864 раз(а)
ULA-12_Shema_primary.gif 58.16 КБ Скачано: 1103 раз(а)
ULA-12_Shema.rar 559.76 КБ Скачано: 674 раз(а)
|
|
|
Efrem12
|
| Неужели за 10 дней ни у кого никаких вариантов нет?.... Может я не в той теме написал?... Или еще что-то не так сделал?.... |
|
|
Efrem12
|
Исправил схему в горячей части, спасибо коллегам с соседнего форума.
Заменил TEA1751T в горячей стороне, заменил С7 на 47,0 мкФ как по UM10391 (вместо установленного на 4,7 мкФ) добавил С8 керамический конденсатор 0,1 мкФ. В "холодной" части заменил Q4, R33, C37. TEA1761T оставил родную, мне не привезли взамен, привезли только TEA1791t, а в ней нет блока управления оптопарой... Включаю БП - завелся, напряжения на ХХ на выходе USB +5,12В, на основном выходе - согласно переключателю Uout + 0,2В. Нагрузил на 4,3 А - работает, напряжения на выходе практически не изменились, только греется TEA1761... Да и отключится должен был БП при такой нагрузке - на корпусе заявлено 4,2 А... Меряю падение напряжения на датчике тока R81 (приборы MASTECH M890F - замер выходного тока, MASTECH M890D - замер падения напряжения на датчике тока):
Нагрузка_____Падение______R81* (расчетное)___2,7 нога TEA1761
__5,0 A_______24 mV________4,80 mOm__________ 39,3mV
__4,3 A_______21 mV________4,88 mOm__________ 34,8mV
__3,0 A_______14,7mV_______4,9 mOm___________ 26,9mV
__2,0 A_______10 mV________5,0 mOm___________ 22,5mV
__1,5 A_______7,4 mV_______4,93 mOm___________20,5mV
__1,0 A_______5,0 mV_______5,00 mOm___________15,0mV
Напряжение на выходе в пределах 23,7...24,2 В.
Нагрузил БП до состояния, когда на 2,7 ногах TEA1761t будет 50mV, получилось при нагрузке 7,04 А на входе ISENSE 51,6 mV. Похоже, что TEA1761t дохлая по входу ISENSE... м.б. поэтому она и греется... |
|
|
Efrem12
|
Приехали последние детальки подмигивание Все впаял, выставил 24В на выход, включил БП - завелся. Нагрузил на 5,2А - работает, только частота упала, силовой трансформатор свистеть начал. Погонял минут 10 - нагрузку держит без просадок, нагрев радиаторов порядка 40-50 градусов, палец долго не терпит... Т.е. заявленные 120Вт максимальной нагрузки держит, даже больше. На этом решил больше не насиловать БП подмигивание Выход 5В не стал настраивать, оставил как есть, 1А держит и ладно. Заменил:
Q4 - пробой канала,
R33 - обрыв,
C37 - пробой на КЗ, не понял почему,
TEA1761T - неисправна по входу ISENSE, синхронный выпрямитель остался живой,
DZ4, DZ5 - пробой на КЗ.
Причину выходя из строя БП не выяснил, предполагаю, что переключение выходного напряжения при включенном БП, и как следствие, разнос синхронного выпрямителя. Иначе не могу объяснить пробой выходных стабилитронов... Вместо стабилитронов как-нибудь потом поставлю TVS диоды на соответствующее напряжение...
Если ни у кого нет вопросов - тему закрываю. |
|

|