| Автор | Сообщение |
|
Mr-Prof
|
Ноут SAMSUNG P29.
Был залит. водой. АКБ не вытаскивали. Лежал в таком состоянии месяц. Подарили - мол ломай.
Материнка с маркировкой:
OSCAR-G
REV: MP 1.1
PCB CODE: BA41-00478A
Инвертор: KR-BA4400198A-A3XY-55K-242
на OZ960SN
Что делал:
Диагностика:
Включался, но не стартовал вообще и звуков не издавал.
Предпринятые действия - полная разборка, осмотр, зачистка контактов, мойка спиртом и щёткой. Локализация повреждений.
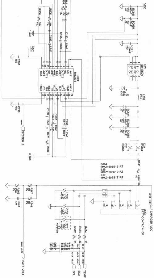
Из найденного - перегнившие ноги у деталей возле разъёма АКБ (локально - небольшая зона). - По возможности пропаяны. Некоторые детали повреждены настолько, что ноги отгнили по корпус - даже если надковырять пластик, до живого металла не доколупаццо - идея заброшена При зарядке микросхема поз. U23 дымится (вернее дымится уцелевшая нога) - зарядка идёт, акк берёт зарядку.
ЗИП найден - хороший человек из Крыма переслал мать-донор.
(Сергей, огромное тебе спасибо)
Далее:
Проблема с подсветкой - не работает и не мигает ни при каких условиях.
Видеокарта жива - на внешнем мониторе всё ок. Винды вчера на этот ноут поставились без вопросов.
На инвертор подаётся только одно питание +3.1 В.
Пока не смог выяснить, почему не подаётся +19 В.
Мой предположение - инвертор с лампой живые, повреждение на матери.
Просьба помочь в поиске неисправности.

|
|
SBA
Передовик
Сообщения: 1293
|
| 3,1 вольта по питанию, или это просто единственное напряжение? Питающее на инверторе просто отследить - на плате инвертора оно через предохранитель. Кроме того далеко не все инверторы на 19в - очень много пятивольтовых. |
|
|
Mr-Prof
|
Это единственное питание из подающихся на инвертор.
Ещё конечно есть 0 В  |
|
SBA
Передовик
Сообщения: 1293
|
| Тогда начинай плясать от предохранителя на инверторе назад -на основную плату - где,что отгнило |
|
|
Mr-Prof
|
Отгнили элементы возле разъёма АКБ. Чего тогда при питании от сети подсветка не работает?
Или цепи питания подсветки возле АКБ проходят?
В общем сегодня буду перепаивать все хоть немного подозрительные элементы в области повреждения. |
|
SBA
Передовик
Сообщения: 1293
|
| Напрямую с аккумулятором общается мультиконтроллер, и он же формирует сигнал включения и сигнал яркости инвертора. Но с этим всем потом - у тебя питания на инверторе пока нет. |
|
Mikkey
Старший модератор
Сообщения: 3660
|
|
|
Mr-Prof
|
Спасибо за помощь, друг!
Ремонт пока на неск. дней приостановился - основной работы много. |
|
|
Mr-Prof
|
И ещё раз огромное спасибо, друзья! Проблема с зарядкой решена - неисправные элементы выявлены и заменены. Аккум заряжается судя по индикаторам. Также судя по его температуре, он действительно заряжается - он хорошо тёплый.
Проблема была в перегнивших ногах регулятора напряжения U23, а также как следствие вместе с ним на пару сдох и U29 - Насколько я понял, он не выдержал увеличившейся нагрузки.
Заменены оба регулятора (U23 и U29), также пропаяны ещё раз (на всякий) остальные элементы в радиусе до 1 см. от них
Продолжаю искать пропавшее питание на инвертор. Пропало куда-то.. Никто не видел?
Судя по выложенным схемам я так понял что питание на инвертор подаётся через первые три ноги разъёма к LCD? |
|
|
Mr-Prof
|
Не первых 3-х ногах разъёма LCD U=0В. (на этой же дорожке на плате стоит 1 нога Q1)
На двух других ногах Q1 13,..В при питании от АКК, и 13-18В при питании от БП
(скачет я так понимаю потому что импульсная зарядка батареи) |
|
SBA
Передовик
Сообщения: 1293
|
| Что-то я не понял - по схеме, приведенной выше первая нога Q1 -затвор, а питание инвертора - "третья нога". Может дорога сгнила от транзистора к разъему? |
|
|
Mr-Prof
|
Упс.. Неправильно написал.
Читать так:
Нога 3 (Q1) подключена к контактам разъёма LCD, на ней 0В,
На ногах 1 и 2 (Q1) напряжение одинаковое, 13-18В (скачет постояно из-за зарядки). |
|
SBA
Передовик
Сообщения: 1293
|
| Нормальный закрытый P канальный полевик. А на Q24 чего творится? |
|
|
Mr-Prof
|
на 3й ноге - 0 В
на 2й ноге - 0 В
на 1й ноге - 3,26 В
Разгадка уже где-то рядом?
ДОБАВЛЕНО 20/02/2009 12:29
Ищу почему нет питания на 3й ноге. Проверяю R406 и R671
ДОБАВЛЕНО 20/02/2009 12:30
Кстати это вторая область поражения водой |
|
SBA
Передовик
Сообщения: 1293
|
| Смотри R406, R672 ну и дороги между ними |
|
|
Mr-Prof
|
На R672 на обоих сторонах по 11В - питание от батареи.
ДОБАВЛЕНО 20/02/2009 13:35
а у 406 даже не видно площадок по бокам для пайки....  |
|
|
Mr-Prof
|
Итак, под звук фанфар я всё-таки без микроскопа впаиваю с матом и т.п. R406 и ноут работает с подсветкой!!!!
Правда темновато, но я так понимаю это из-за неправильного номинала резистора?
Или просто регулировкой всё решится?
Проблема 99% решена
ДОБАВЛЕНО 20/02/2009 15:05
 |
|
|
Mr-Prof
|
Проблемка одна осталась (маленькая очень) - когда идёт зарядка, ноут всё равно считает что работает от аккумулятора
Ну то уже пофигу, ноут для работы ремонтировал.
ВСЕМ СПАСИБО БОЛЬШОЕ ЗА УЧАСТИЕ!!!
ТЕМА РЕШЕНА И ЗАКРЫТА!!! |
|
|
Mr-Prof
|
Закрыта и решена не совсем Экран изменяет яркость в такт с лампочкой зарядки на ноуте  |
|
|
Mr-Prof
|
в общем после ковыряния в настройках проблема решена 100%
ТЕМУ ПРОСЬБА ЗАКРЫТЬ! |
|